电脑桌面
添加小米粒文库到电脑桌面
安装后可以在桌面快捷访问

发那科注塑机资料

发那科注塑机资料_第1页
1/149
发那科注塑机资料_第2页
2/149
发那科注塑机资料_第3页
3/149
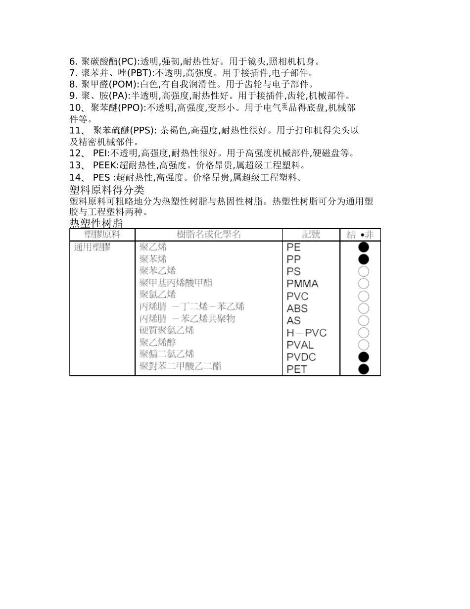
1、 射出成型机射出成型机就是将塑料原料在熔解得状态下高压射入模具内,待塑料冷却凝固后再打开模具,将成型品取出得机器。为了追求塑料制品得高精度、高效率得大量生,目前,以轻薄短小见长得射出成型机在射出成型工业中已逐渐流行起来。以下,就上述特点与应用范围展开论述。1、 1 全电气式射出成型机得特征1. 考虑经济有用得合理设计、低价格:全电气式射出成型机通过软件得改造,能够进行复杂得控制。、节约能源:运转费用低,与油压机相比,其电力消耗仅占 1/3。、高功能:该机拥有强大得人工智能。、高信赖性:其控制装置具有很高得可信度,机械构造具有高刚性得特点。、无污染:无噪音,不使用机油。2. 使用 AC 伺服马达(数字控制)AC 伺服马达能够精确设定 ROBOSHOT 得各轴得速度与位置。速度控制得最小单位为 0、1mm/s,位置控制得最小单位 0、01mm。[用 AC 伺服马达得控制轴总共有 4 根轴]:1、 射出轴 2、 螺杆回转轴 3、 锁模轴 4、 顶出轴[使用齿轮马达得控制轴总共有 2 根轴]:1、 射出座(喷嘴接触) 2、模具厚度得调整[成型塑料]塑料可分为热塑性树脂与热固性树脂。同时,热塑性树脂又可分为结晶性树脂与非结晶性树脂。使用塑料原料时一定要很好了解树脂生厂家得树脂特性。1. 热塑性树脂:加热以后软化流动,将其冷却后又固化,再次加热又熔化为原来得状态,好象蜡一样,温度一高就熔化,冷却后又恢复还原成原有得状态。2. 热固性树脂:加热以后软化流动,在一定得温度下固化。它跟鸡蛋一样,在一定得温度下硬化,而再次加热后却不会再软化熔融。该树脂在加工成制品后失去了成型性,因而不能再生。[塑料原料得主要用途与种类]1. 精密成型品:照相机镜头,精密接插件,CD,精密齿轮,其她。2. 一般成型品:接插件,电子零部件,照相机外壳,家用电器部件及其它。3. 杂物成型品:废纸篓,塑料杯等日常用品,塑料模特儿,其她。1. 聚苯乙烯(PS):非常通用得透明树脂。用于盒式日常用品。2. 聚苯烯(PP):半透明树脂,耐药性很好。用于容器、盒子等食品包装。3. 聚乙烯(PE):半透明树脂。用于容器、日常杂货。4. 丙烯、-丁二烯-苯乙烯(ABS): 不透明,比较结实,容易着色,电镀性能良好。用于汽车部件。5. 聚甲基丙烯酸甲酯(PMMA): 透明性很高,很美观。用于镜头,光盘,透明盒子等。6. 聚碳酸酯(PC):透明,强韧,耐热性好。用于镜头,照相机机身。7. 聚苯并、唑(PBT):不透明,高强度。用于接插件,电子部件。8. 聚甲醛(POM):白色,有自我润滑性。用...

1、当您付费下载文档后,您只拥有了使用权限,并不意味着购买了版权,文档只能用于自身使用,不得用于其他商业用途(如 [转卖]进行直接盈利或[编辑后售卖]进行间接盈利)。
2、本站所有内容均由合作方或网友上传,本站不对文档的完整性、权威性及其观点立场正确性做任何保证或承诺!文档内容仅供研究参考,付费前请自行鉴别。
3、如文档内容存在违规,或者侵犯商业秘密、侵犯著作权等,请点击“违规举报”。

碎片内容

发那科注塑机资料

您可能关注的文档

确认删除?
VIP
微信客服
  • 扫码咨询
会员Q群
  • 会员专属群点击这里加入QQ群
客服邮箱
回到顶部