电脑桌面
添加小米粒文库到电脑桌面
安装后可以在桌面快捷访问

地下连续墙的施工方案

地下连续墙的施工方案_第1页
1/7
地下连续墙的施工方案_第2页
2/7
地下连续墙的施工方案_第3页
3/7
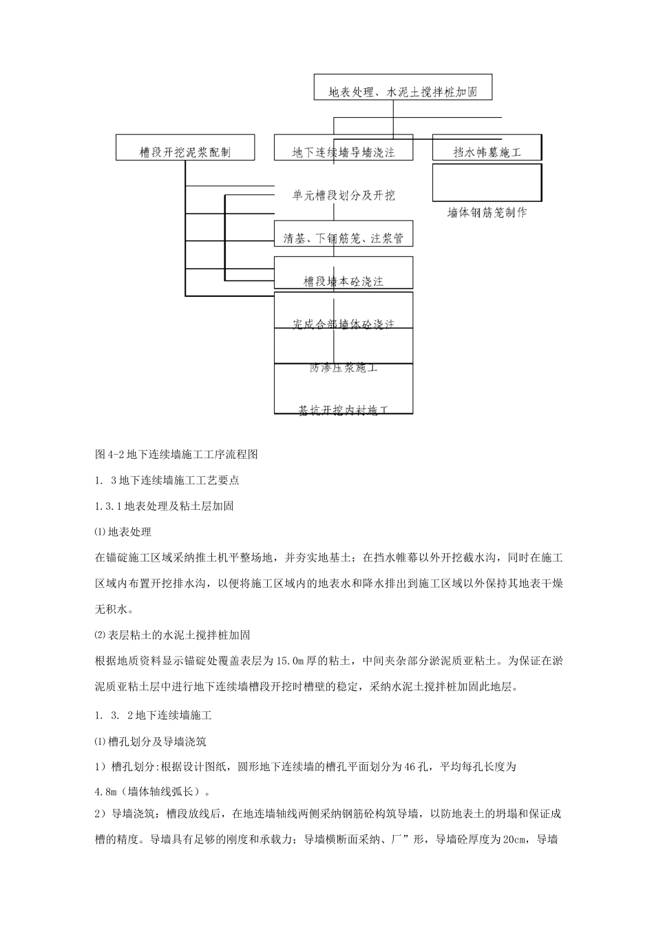
地下连续墙的施工方案1.1 地下连续墙设计概述南锚碇基础施工采纳地下连续墙方案,地下连续墙设计圆形结构,其内径为 70m,壁厚 1.5m;地下连续墙嵌入弱风化砾岩 3m,至标高-39.0m;其顶面标高为+21.0m,地下连续墙总高度为60.0m。在圆形地下连续墙的内侧沿高度方向设置了厚度不一的钢筋砼内衬,内衬从上向下依次为:6m 深度内厚 1.5m,6~21m 深度内厚 2.0m,21~36m 深度内厚 2.5m,36~45m 深度内厚 3.0m 在-24.0m 标高处设置有 8.0m 厚的钢筋砼底板,地下连续墙的顶面为 6.0m~8.5m 厚的钢筋砼顶板,顶、底板间为填芯砼;在地下连续墙的外侧距离 10m 处采纳自凝灰浆法设置挡水帷幕;地下连续墙及内衬以及顶板均采纳 30 号砼,底板采纳 25 号砼,填芯为 15 号砼。地下连续墙结构见图 4-1。图 4-1 地下连续墙结构示意图1.2 地下连续墙施工主要工序及流程⑴ 主要工序1)工作面地表处理、粘土层水泥土搅拌桩加固;2)地下连续墙施工导墙浇筑;3)地下连续墙单元槽段的划分、隔段开挖槽段;4)清基、下钢筋笼、布置注浆管并浇筑墙体砼直至全部完成墙体施工;5)地下连续墙外挡水帷幕的施工;(与地下连续墙施工同时进行)6)地下连续墙防渗压浆施工;7)基坑开挖及内衬浇筑施工直至完成全部基坑开挖。(2)施工工序流程(图 4-2)H 隹 I 传图 4-2 地下连续墙施工工序流程图1. 3 地下连续墙施工工艺要点1.3.1 地表处理及粘土层加固⑴ 地表处理在锚碇施工区域采纳推土机平整场地,并夯实地基土;在挡水帷幕以外开挖截水沟,同时在施工区域内布置开挖排水沟,以便将施工区域内的地表水和降水排出到施工区域以外保持其地表干燥无积水。⑵ 表层粘土的水泥土搅拌桩加固根据地质资料显示锚碇处覆盖表层为 15.0m 厚的粘土,中间夹杂部分淤泥质亚粘土。为保证在淤泥质亚粘土层中进行地下连续墙槽段开挖时槽壁的稳定,采纳水泥土搅拌桩加固此地层。1. 3. 2 地下连续墙施工⑴ 槽孔划分及导墙浇筑1)槽孔划分:根据设计图纸,圆形地下连续墙的槽孔平面划分为 46 孔,平均每孔长度为4.8m(墙体轴线弧长)。2)导墙浇筑:槽段放线后,在地连墙轴线两侧采纳钢筋砼构筑导墙,以防地表土的坍塌和保证成槽的精度。导墙具有足够的刚度和承载力;导墙横断面采纳、厂”形,导墙砼厚度为 20cm,导墙的高度为 1.5m。导墙顶面高于地面 20cm,并确保其顶面高于地下水位 1.5m。3)导墙施工时首先按放样边线开挖基槽,(两侧导墙...

1、当您付费下载文档后,您只拥有了使用权限,并不意味着购买了版权,文档只能用于自身使用,不得用于其他商业用途(如 [转卖]进行直接盈利或[编辑后售卖]进行间接盈利)。
2、本站所有内容均由合作方或网友上传,本站不对文档的完整性、权威性及其观点立场正确性做任何保证或承诺!文档内容仅供研究参考,付费前请自行鉴别。
3、如文档内容存在违规,或者侵犯商业秘密、侵犯著作权等,请点击“违规举报”。

碎片内容

地下连续墙的施工方案

您可能关注的文档

确认删除?
VIP
微信客服
  • 扫码咨询
会员Q群
  • 会员专属群点击这里加入QQ群
客服邮箱
回到顶部