电脑桌面
添加小米粒文库到电脑桌面
安装后可以在桌面快捷访问

地基承载力计算方案

地基承载力计算方案_第1页
1/9
地基承载力计算方案_第2页
2/9
地基承载力计算方案_第3页
3/9
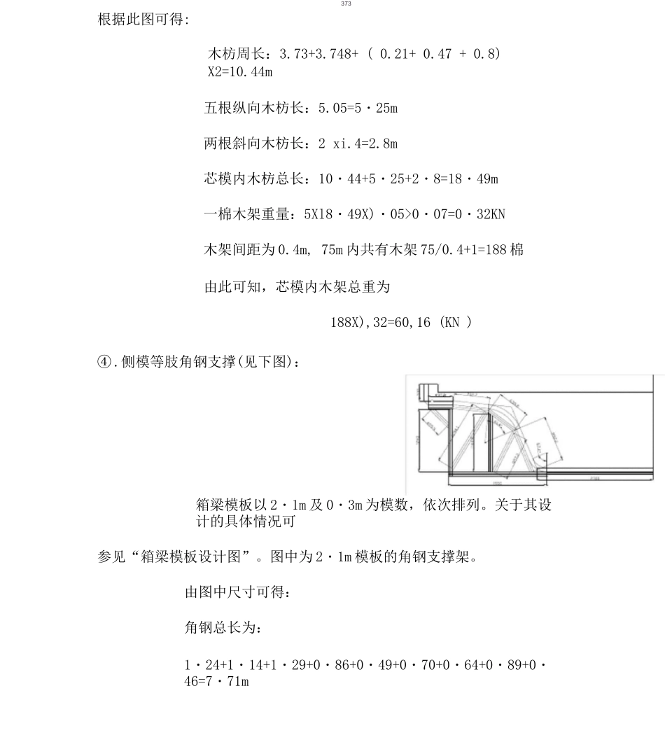
脚手架稳定性计算方案一、对脚手架以上的模板、支架、钢筋及砼的重量进行计算砼自重:384・18>24=9220・32KN钢筋重:1 级+H 级=2.55+75.79=78.34t=78.34x9.8=767.732KN模板重:① .一侧钢模长0. 3 3 + 0. 5 + 0. 7 1 1 + 0.8 0 3 + 0.65 + 0.35(=可参见 4 “角钢支撑图”)两侧钢模面积 3.344X75A2=501.6mi钢模重 70.4 >9.8 >501.6=346KN (钢模重量取 70.4 kg /m)② 竹胶板自重标准值取 8 邛/3竹胶板长度:3.748+4.6+ ( 0.21+ 0.47+ 0.8) >2=11.3 米(木枋结构图)竹胶板厚度为 0.015m,其自重为 9.8X11.3>75 . 015=124.6KN③ 竹胶板芯模内为>7 木枋,其重量为木枋重力密度取为 KN/m 3芯模木枋结构图如下:373根据此图可得:木枋周长:3.73+3.748+ ( 0.21+ 0.47 + 0.8)X2=10.44m五根纵向木枋长:5.05=5・25m两根斜向木枋长:2 xi.4=2.8m芯模内木枋总长:10・44+5・25+2・8=18・49m一棉木架重量:5Xl8・49X)・05>0・07=0・32KN木架间距为 0.4m, 75m 内共有木架 75/0.4+1=188 棉由此可知,芯模内木架总重为188X),32=60,16 (KN )④ .侧模等肢角钢支撑(见下图):箱梁模板以 2・1m 及 0・3m 为模数,依次排列。关于其设计的具体情况可参见“箱梁模板设计图”。图中为 2・1m 模板的角钢支撑架。由图中尺寸可得:角钢总长为:1・24+1・14+1・29+0・86+0・49+0・70+0・64+0・89+0・46=7・71m角钢为 7.5 号等肢角钢,重量为 7.976 kg/m。槽钢为 8#槽钢,长为 1.95m,其单重为 8.04kg/m。一根角钢支架重量:+ 1.95 X .04=75.8kg75.8 X9.8=742.8N=0.74KN由箱梁平面布置图可知,在 75 米长度内共有 31 道 2.1m 模板,则角钢支架有 31 >4=124 棉。总重为 124>0.74=91.8KN ;角钢架之间的斜撑重为:31X3XI.337X7.976 9.8=113.7N=10KN角钢支架间纵向布有 8#槽钢,其重为2.1 乌 1X 8.04 9.8=5129N=5.13KN 2.1m 模板支架总重 为:91・8+10+5・13=106・93KN;0. 3m 模板钢支撑图如下:由图可求得其角钢重量力:(0.49+0.95+1.35+0.24)X 7.976>9.8 31=7342N=7.3KN由此可得 75 米范围内的角钢重量为:106・93+7・3=114・2KN由此可得模板总重为:346+124・6+60・16+114・2=645KN模板底木枋重量10 XI0 木枋长:75 Xl2=9m5 X7 木枋长:8.9 R88=1673.2m合计总重:(0.1 >0.1 >9 + 0.05 >0.07 X 1673.2) X 5=74.3KN由此可得总重为:砼自重:9220.32KN...

1、当您付费下载文档后,您只拥有了使用权限,并不意味着购买了版权,文档只能用于自身使用,不得用于其他商业用途(如 [转卖]进行直接盈利或[编辑后售卖]进行间接盈利)。
2、本站所有内容均由合作方或网友上传,本站不对文档的完整性、权威性及其观点立场正确性做任何保证或承诺!文档内容仅供研究参考,付费前请自行鉴别。
3、如文档内容存在违规,或者侵犯商业秘密、侵犯著作权等,请点击“违规举报”。

碎片内容

地基承载力计算方案

确认删除?
VIP
微信客服
  • 扫码咨询
会员Q群
  • 会员专属群点击这里加入QQ群
客服邮箱
回到顶部