电脑桌面
添加小米粒文库到电脑桌面
安装后可以在桌面快捷访问

地铁施工测量限差摘要

地铁施工测量限差摘要_第1页
1/7
地铁施工测量限差摘要_第2页
2/7
地铁施工测量限差摘要_第3页
3/7
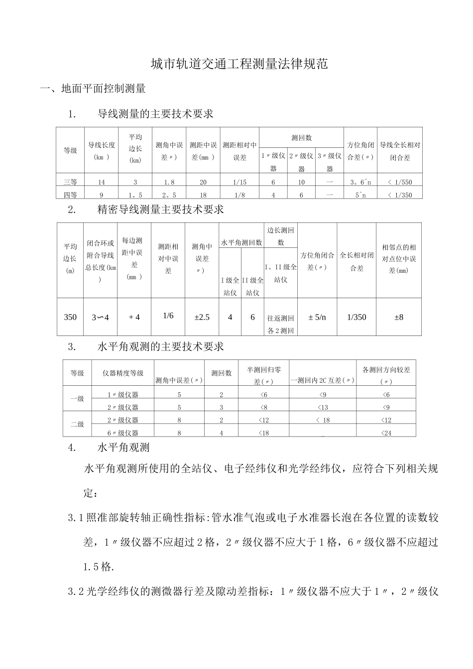
城市轨道交通工程测量法律规范一、地面平面控制测量1.导线测量的主要技术要求等级导线长度(km )平均边长(km)测角中误差〃)测距中误差(mm )测距相对中误差测回数方位角闭合差(〃)导线全长相对闭合差1〃级仪器2〃级仪器3〃级仪器三等1431.8201/15610一3。6^n< 1/550四等91。52。5181/846一5^n< 1/3502.精密导线测量主要技术要求平均边长(m)闭合环或附合导线总长度(km )每边测距中误差(mm )测距相对中误差测角中误差〃)水平角测回数边长测回数方位角闭合差(〃)全长相对闭合差相邻点的相对点位中误差(mm)I 级全站仪II 级全站仪I、II 级全站仪3503〜4+ 41/6±2.546往返测回各 2 测回± 5/n1/350±83.水平角观测的主要技术要求等级仪器精度等级测角中误差(〃)测回数半测回归零差(〃)一测回内 2C 互差(〃)各测回方向较差(〃)一级1〃级仪器52<6<9<62〃级仪器53<8<13<9二级2〃级仪器82<12< 18<126〃级仪器84<18_<244.水平角观测水平角观测所使用的全站仪、电子经纬仪和光学经纬仪,应符合下列相关规定:3.1 照准部旋转轴正确性指标:管水准气泡或电子水准器长泡在各位置的读数较差,1〃级仪器不应超过 2 格,2〃级仪器不应大于 1 格,6〃级仪器不应超过1.5 格.3.2 光学经纬仪的测微器行差及隙动差指标:1〃级仪器不应大于 1〃,2〃级仪器不应大于 2〃.3。3 水平轴不垂直于垂直轴之差指标:1〃级仪器不应超过 10〃,2,级仪器不应超过 15〃,6〃级仪器不应超过 20〃。3.4 仪器的基座在照准部旋转时的位移指标:1〃级仪器不应超过 0。3〃,Z 级仪器不应超过 1〃,6〃级仪器不超过 1.须。3.5 光学对中器的视轴与竖直的重合度不应大于 1mm。4.水平角方向观测法的技术要求等级仪器精度等级光学测微器两次重合读数之差(〃)半测回归零值(〃)一测回内 2C 互差(〃)同一方向值各测回较差(〃)四等及以下1〃级仪器16962〃级仪器38139一级及以下2〃级仪器_1218126〃级仪器—18—24地面高程控制测量水准测量的主要技术要求等级每千米高差全中误差(mm)路线长度(km)水准仪型号水准尺观测次数往返较差、附和或环线闭合差与已知点联测附和或环线平地(mm )山地(mm)二等2—DS1因瓦往返各一次往返各一次4^L_三等6<50DS1因瓦往返各一次往一次12^L4^LDS3双面往返各一次四等10<16DS3双面往返各一次往一次20^L6^L五等15—DS3单面往返各一次往一次30^L_水准网测量的主要技术要求水准测量等级每千米高差中数中误差(mm )附和水准路线平均长度(km ...

1、当您付费下载文档后,您只拥有了使用权限,并不意味着购买了版权,文档只能用于自身使用,不得用于其他商业用途(如 [转卖]进行直接盈利或[编辑后售卖]进行间接盈利)。
2、本站所有内容均由合作方或网友上传,本站不对文档的完整性、权威性及其观点立场正确性做任何保证或承诺!文档内容仅供研究参考,付费前请自行鉴别。
3、如文档内容存在违规,或者侵犯商业秘密、侵犯著作权等,请点击“违规举报”。

碎片内容

地铁施工测量限差摘要

确认删除?
VIP
微信客服
  • 扫码咨询
会员Q群
  • 会员专属群点击这里加入QQ群
客服邮箱
回到顶部