电脑桌面
添加小米粒文库到电脑桌面
安装后可以在桌面快捷访问

基坑土方开挖及支撑施工方案

基坑土方开挖及支撑施工方案_第1页
1/9
基坑土方开挖及支撑施工方案_第2页
2/9
基坑土方开挖及支撑施工方案_第3页
3/9
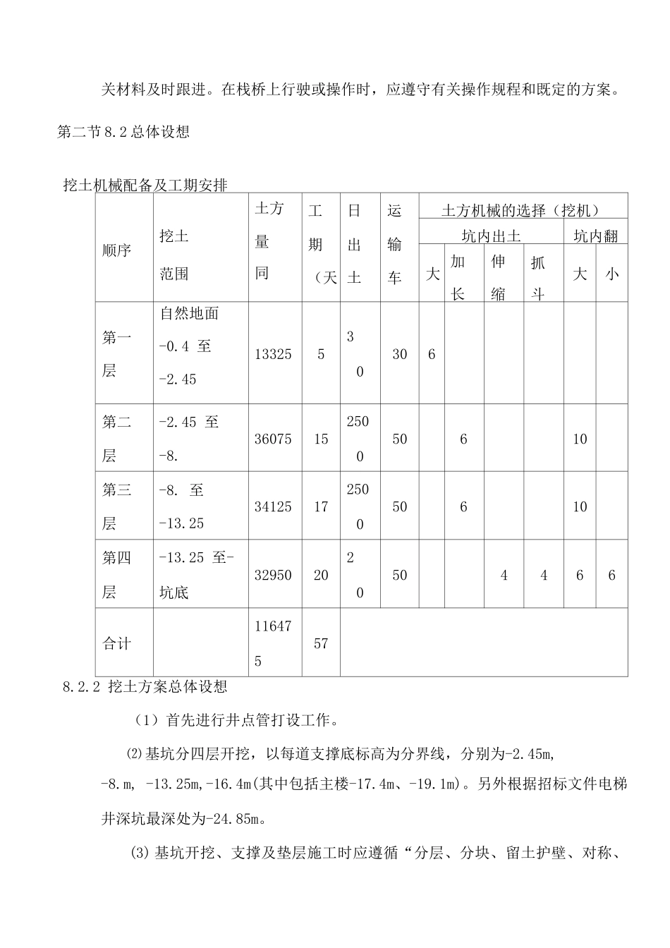
基坑土方开挖及支撑施工方案第一节 8.1 土方工程概述8.1.1 土方开挖概述(1) 本工程基坑面积为 65m2,平面呈 D 字形。大面积挖深为 16.4m;主楼为17.4m,核芯筒处开挖深度为 19.1m,局部深坑开挖最深为 22.45m; 土方总量约1160m3,基坑为大型地下结构及深基坑工程。(2)根据围护支撑设计情况,基坑土方分 4 层开挖,同时为遵循“分层、分块、尽早形成支撑或底板”的原则,根据围护设计要求,将各基坑每层土方分块按次序进行开挖。8.1.2 土方工程特点(1) 本工程± 0.0 相当于绝对标高 4.6m。场地自然地坪标高约-0.4m,北侧为****路,东侧为****路,西侧为正在建设中的****大厦、南侧为待建富都 X3-2 地块,周边道路下市政管线众多。(2) 为达到保护周边环境的目的,须精心组织流程,做到信息化施工,每层土方的开挖,必须做到合理分区,然后依次限时完成。支撑体系的形成须与挖土搭接施工。挖土和支撑的完成限定在一定时间内完成,从而最大限度地减少土体在无支撑情况下的时间。(3) 挖土过程中应及时掌握施工监测的结果,根据实际情况适当调整方案,或者在需要时实行应急措施。(4)本工程基坑面积大、开挖深度深,在进行第二层以下挖土时,大部分挖机及土方车辆全部集中在施工栈桥上。采纳加长臂挖机或抓斗挖机取土、装车,大、小挖机下坑开挖和接力翻土的方法进行土方施工。因此须事先周密计划,过程中合理调度车辆,提高运输效率,从而保证每天必需的出土量和相关材料及时跟进。在栈桥上行驶或操作时,应遵守有关操作规程和既定的方案。第二节 8.2 总体设想挖土机械配备及工期安排土方量同工日运土方机械的选择(挖机)顺序挖土期(天出土输车坑内出土坑内翻范围大加长伸缩抓斗大小第一层自然地面-0.4 至-2.4513325530306第二层-2.45 至-8.3607515250050610第三层-8. 至-13.253412517250050610第四层-13.25 至-坑底329502020504466合计116475578.2.2 挖土方案总体设想(1)首先进行井点管打设工作。⑵ 基坑分四层开挖,以每道支撑底标高为分界线,分别为-2.45m,-8.m, -13.25m,-16.4m(其中包括主楼-17.4m、-19.1m)。另外根据招标文件电梯井深坑最深处为-24.85m。(3) 基坑开挖、支撑及垫层施工时应遵循“分层、分块、留土护壁、对称、限时、先撑后挖”的总原则进行,利用时空效应原理,尽量减少基坑无支撑的暴露时间,严格控制基坑变形。(4) 每层每块开挖完成,暴露支撑工作面后,及时制作并浇捣支撑混凝土,待上一道...

1、当您付费下载文档后,您只拥有了使用权限,并不意味着购买了版权,文档只能用于自身使用,不得用于其他商业用途(如 [转卖]进行直接盈利或[编辑后售卖]进行间接盈利)。
2、本站所有内容均由合作方或网友上传,本站不对文档的完整性、权威性及其观点立场正确性做任何保证或承诺!文档内容仅供研究参考,付费前请自行鉴别。
3、如文档内容存在违规,或者侵犯商业秘密、侵犯著作权等,请点击“违规举报”。

碎片内容

基坑土方开挖及支撑施工方案

您可能关注的文档

确认删除?
VIP
微信客服
  • 扫码咨询
会员Q群
  • 会员专属群点击这里加入QQ群
客服邮箱
回到顶部