电脑桌面
添加小米粒文库到电脑桌面
安装后可以在桌面快捷访问

基础工程柱下独立基础课程设计

基础工程柱下独立基础课程设计_第1页
1/19
基础工程柱下独立基础课程设计_第2页
2/19
基础工程柱下独立基础课程设计_第3页
3/19
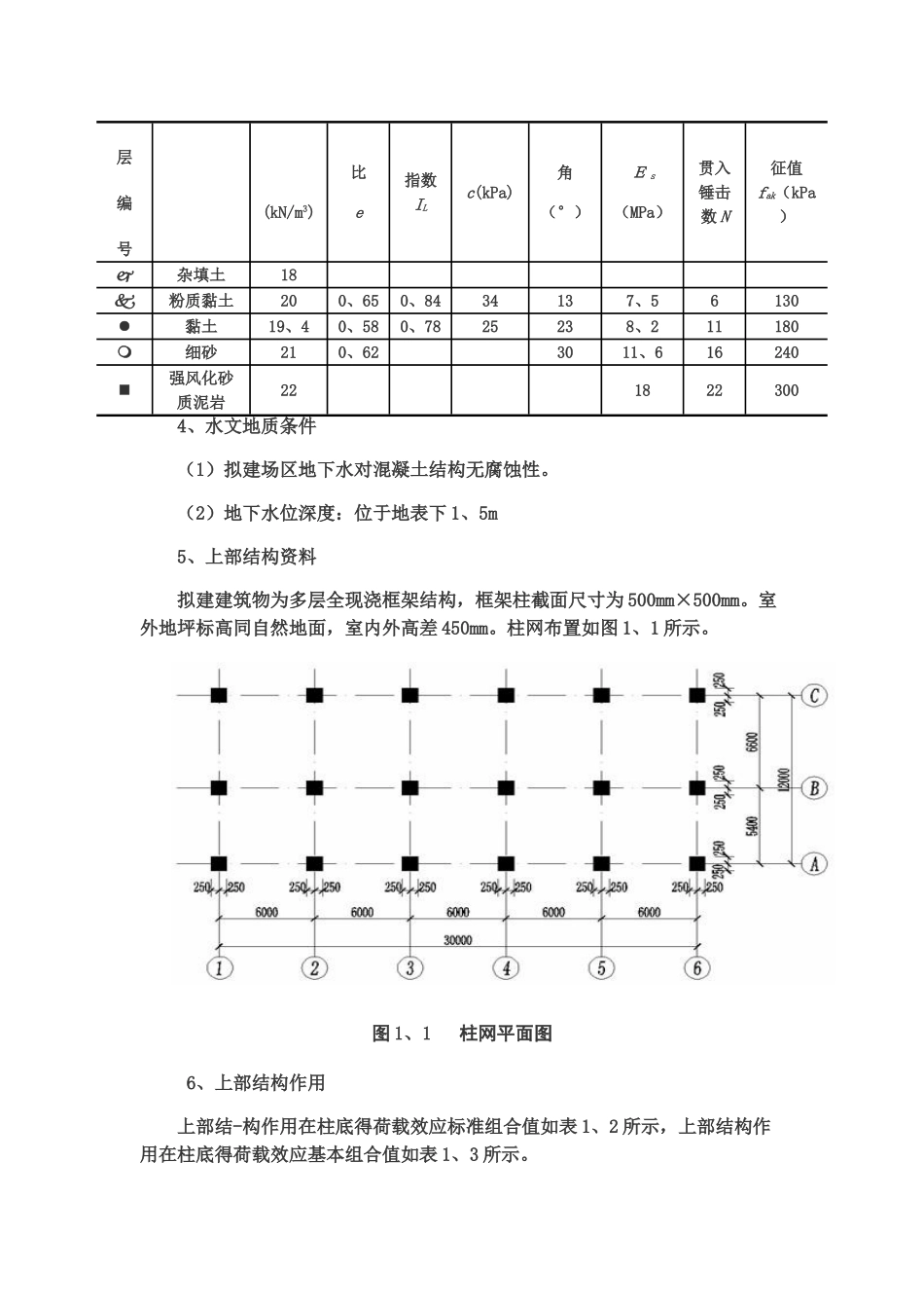
一、课程设计得目得基础工程课程设计就是土木工程专业教育得一个重要教学环节,就是全面检验与巩固基础工程课程学习效果得一个有效方式。通过本次课程设计使学生能够运用已学过基础工程设计理论与方法进行一般形式得基础得设计,进一步理解基础工程设计得基本原理。设置课程设计得目得就是加强学生对本课程及相关课程知识得理解,培育学生综合分析问题得能力与运用基础理论知识解决实际工程问题得能力,为毕业设计打下坚实得基础,也有助于学生毕业后能尽早进入“工程角色”。多年来得教学实践反映了课程设计这一教学环节对学生能力得培育起到了一定得作用。二、课程设计得内容1、设计资料1、地形拟建建筑场地平整2、工程地质条件自上而下土层依次如下:号土层:杂填土,层厚约 0、5m,含部分建筑垃圾号土层:粉质黏土,层厚 1、2m,软塑,潮湿,承载力特征值fak=130kPa。号土层:黏土,层厚 1、5m,可塑,稍湿,承载力特征值 fak=180kPa。号土层:细砂,层厚 2、7m,中密,承载力特征值 fak=240kPa。号土层:强风化砂质泥岩,厚度未揭露,承载力特征值 fak=300kPa。3、岩土设计技术参数地基岩土物理力学参数如表 1、1 所示。表 1、1 地基岩土物理力学参数土土得名称重度孔隙液性黏聚力内摩擦压缩模量标准承载力特层编号(kN/m3)比e指数ILc(kPa)角(°)E s(MPa)贯入锤击数 N征值fak(kPa)杂填土18 粉质黏土200、650、8434137、56130黏土19、40、580、7825238、211180细砂210、62 3011、616240强风化砂质泥岩22 18223004、水文地质条件(1)拟建场区地下水对混凝土结构无腐蚀性。(2)地下水位深度:位于地表下 1、5m5、上部结构资料拟建建筑物为多层全现浇框架结构,框架柱截面尺寸为 500mm×500mm。室外地坪标高同自然地面,室内外高差 450mm。柱网布置如图 1、1 所示。图 1、1 柱网平面图 6、上部结构作用上部结-构作用在柱底得荷载效应标准组合值如表 1、2 所示,上部结构作用在柱底得荷载效应基本组合值如表 1、3 所示。 表 1、2 柱底荷载效应标准组合值题号FK(KN)MK(KN、M)VK(KN)A 轴B 轴C 轴A 轴B 轴C 轴A 轴B 轴C 轴197515481187140100198464844210321615125216412522155605731150181513702101750271717367412181873143323519329780837451282188314962572183258690836133919701560284242355969589表 1、3 柱底荷载效应基本组合值题号 FK(KN) MK(KN、M) VK(KN)A 轴B...

1、当您付费下载文档后,您只拥有了使用权限,并不意味着购买了版权,文档只能用于自身使用,不得用于其他商业用途(如 [转卖]进行直接盈利或[编辑后售卖]进行间接盈利)。
2、本站所有内容均由合作方或网友上传,本站不对文档的完整性、权威性及其观点立场正确性做任何保证或承诺!文档内容仅供研究参考,付费前请自行鉴别。
3、如文档内容存在违规,或者侵犯商业秘密、侵犯著作权等,请点击“违规举报”。

碎片内容

基础工程柱下独立基础课程设计

您可能关注的文档

确认删除?
VIP
微信客服
  • 扫码咨询
会员Q群
  • 会员专属群点击这里加入QQ群
客服邮箱
回到顶部