电脑桌面
添加小米粒文库到电脑桌面
安装后可以在桌面快捷访问

屋顶光伏电站支架强度及屋面载荷计算

屋顶光伏电站支架强度及屋面载荷计算_第1页
1/8
屋顶光伏电站支架强度及屋面载荷计算_第2页
2/8
屋顶光伏电站支架强度及屋面载荷计算_第3页
3/8
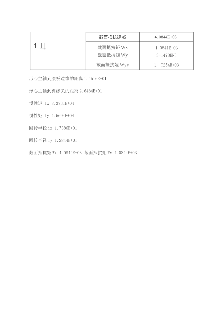
屋顶光伏电站支架强度及屋面载荷计算1 工程概况项目名称:江苏省****冲心、小学 49KW 光伏屋顶工程地址:江苏省***设计单位:上海能恩太阳能应用技术有限公司建设单位:******有限公司结构形式:屋面钢结构光伏支架支架高度:0.3m2 参考法律规范《建筑结构可靠度设计统一标准》GB568 —21《建筑结构荷载法律规范》GB509 —21 ( 26 年版)《建筑抗震设计法律规范》GB511 —2025《钢结构设计法律规范》GB517 —23《冷弯薄壁型钢结构设计法律规范》GB518 —22《不锈钢冷轧钢板和钢带》GB/T3280 —273 设计条件:太阳能板规格:1650mm*990mm*50mm混凝土屋顶太阳能板安装数量:2 块最大风速:27.5m/s 平坦开阔地域 太阳能板重量:20kg安装条件:屋顶计算标准:日本 TRC 06-1997设计产品年限:20 年4 型材强度计算4.1 屋顶荷载的确定(1)设计取值:① 假设为一般地方中最大的荷重,采纳固定荷重 G 和暴风雨产生的风压荷重 W 的短期复合荷重。② 根据气象资料,扬中最大风速为 27.5m/s,本计算最大风速设定为:30m/s。③ 对于混凝土屋面,采纳最佳倾角安装的系统,需要考虑足够的配重,确保组件 方阵的稳定可靠。④ 屋面高度 20m。4.2 结构材料:C 型钢重量:1.8kg/m截面面支架尺寸(mm ) 41*41*2安装角度 25°材料镀锌 截面面积(A ) 277高惯性矩 ii8. 37 31R+04愤性矩 Iy4.569JE+0411 IT回转半径 ix1. 7386E-HQ1回转半径 iy1. 1844Ei-01截面抵抗建敞4. 0844E+031 I j 截面抵抗矩 Wx1 0841E+03截面抵抗矩 Wy3-1478EN3截面抵抗姮 Wyy1, T254R+03形心主轴到腹板边缘的距离 1.4516E+01形心主轴到翼缘尖的距离 2.6484E+01惯性矩 Ix 8.3731E+04惯性矩 Iy 4.5694E+04回转半径 ix 1.7386E+01回转半径 iy 1.2844E+01截面抵抗矩 Wx 4.0844E+03 截面抵抗矩 Wx 4.0844E+03截面抵抗矩 Wy 3.1478E+03截面抵抗矩 Wyy 1.7254E+034.3 假定荷重:① 固定荷重 G太阳能板质量:G1=20kg x20=4kg - 3920N;所以 C 形轨道承载的固定荷载重量 G=3920N;② 风压荷重 W根据《建筑结构荷载法律规范》中对风载荷的规定如下(按承重结构设计):Wk = pgz ps pz W0Wk:风荷载标准值(KN/m2 );Pgz:高度 Z 处的风振系数;ps:风荷载体型系数;pz:风压高度变化系数(0.84);W0 :基本风压(KN/m2 )按《建筑结构荷载法律规范》表 7.5.1?为 1.6所以 Pgz=1.6根据《建筑结构荷载法...

1、当您付费下载文档后,您只拥有了使用权限,并不意味着购买了版权,文档只能用于自身使用,不得用于其他商业用途(如 [转卖]进行直接盈利或[编辑后售卖]进行间接盈利)。
2、本站所有内容均由合作方或网友上传,本站不对文档的完整性、权威性及其观点立场正确性做任何保证或承诺!文档内容仅供研究参考,付费前请自行鉴别。
3、如文档内容存在违规,或者侵犯商业秘密、侵犯著作权等,请点击“违规举报”。

碎片内容

屋顶光伏电站支架强度及屋面载荷计算

您可能关注的文档

确认删除?
VIP
微信客服
  • 扫码咨询
会员Q群
  • 会员专属群点击这里加入QQ群
客服邮箱
回到顶部