电脑桌面
添加小米粒文库到电脑桌面
安装后可以在桌面快捷访问

幕墙节能检验批质量验收记录

幕墙节能检验批质量验收记录_第1页
1/12
幕墙节能检验批质量验收记录_第2页
2/12
幕墙节能检验批质量验收记录_第3页
3/12
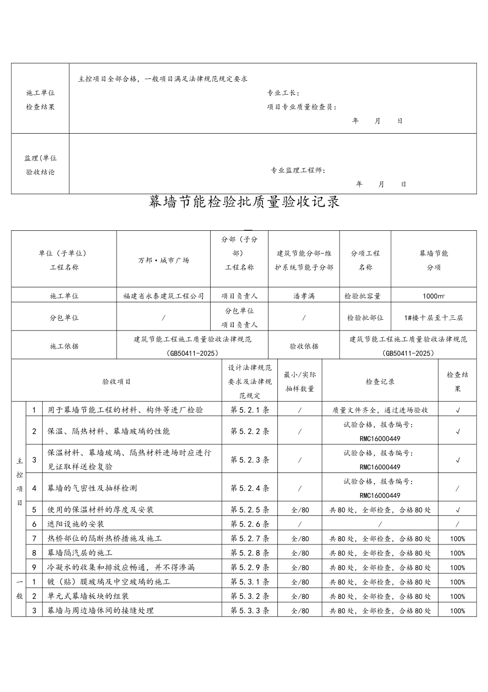
幕墙节能检验批质量验收记录 单位(子单位)工程名称万邦·城市广场分部(子分部)工程名称建筑节能分部-维护系统节能子分部分项工程名称幕墙节能分项施工单位项目负责人潘孝满检验批容量1000㎡分包单位/分包单位项目负责人/检验批部位1#楼一层至四层施工依据建筑节能工程施工质量验收法律规范(GB50411-2025)验收依据建筑节能工程施工质量验收法律规范(GB50411-2025)验收项目设计法律规范要求及法律规范规定最小/实际抽样数量检查记录检查结果主控项目1用于幕墙节能工程的材料、构件等进厂检验第 5.2.1 条/质量文件齐全,通过进场验收√2保温、隔热材料、幕墙玻璃的性能第 5.2.2 条/试验合格,报告编号:RMC16000449√3保温材料、幕墙玻璃、隔热材料进场时应进行见证取样送检复验第 5.2.3 条/试验合格,报告编号:RMC16000449√4幕墙的气密性及抽样检测第 5.2.4 条/试验合格,报告编号:RMC16000449/5使用的保温材料的厚度及安装第 5.2.5 条全/80共 80 处,全部检查,合格 80 处√6遮阳设施的安装第 5.2.6 条///7热桥部位的隔断热桥措施及施工第 5.2.7 条全/80共 80 处,全部检查,合格 80 处100%8幕墙隔汽层的施工第 5.2.8 条全/80共 80 处,全部检查,合格 80 处100%9冷凝水的收集和排放应畅通,并不得渗漏第 5.2.9 条全/80共 80 处,全部检查,合格 80 处100%一般1镀(贴)膜玻璃及中空玻璃的施工第 5.3.1 条全/80共 80 处,全部检查,合格 80 处100%2单元式幕墙板块的组装第 5.3.2 条全/80共 80 处,全部检查,合格 80 处100%3幕墙与周边墙体间的接缝处理第 5.3.3 条全/80共 80 处,全部检查,合格 80 处100%4伸缩缝、沉降缝、抗震缝的保温或密封做法第 5.3.4 条///5活动遮阳设施的调节机构第 5.3.5 条///施工单位检查结果 主控项目全部合格,一般项目满足法律规范规定要求 专业工长: 项目专业质量检查员: 年 月 日监理(单位验收结论 专业监理工程师: 年 月 日幕墙节能检验批质量验收记录 单位(子单位)工程名称万邦·城市广场分部(子分部)工程名称建筑节能分部-维护系统节能子分部分项工程名称幕墙节能分项施工单位福建省永泰建筑工程公司项目负责人潘孝满检验批容量1000㎡分包单位/分包单位项目负责人/检验批部位1#楼五层至九层施工依据建筑节能工程施工质量验收法律规范(GB50411-2025)验收依据建筑节能工程施工质量验收法律规范(GB50411-2025)验收项目...

1、当您付费下载文档后,您只拥有了使用权限,并不意味着购买了版权,文档只能用于自身使用,不得用于其他商业用途(如 [转卖]进行直接盈利或[编辑后售卖]进行间接盈利)。
2、本站所有内容均由合作方或网友上传,本站不对文档的完整性、权威性及其观点立场正确性做任何保证或承诺!文档内容仅供研究参考,付费前请自行鉴别。
3、如文档内容存在违规,或者侵犯商业秘密、侵犯著作权等,请点击“违规举报”。

碎片内容

幕墙节能检验批质量验收记录

您可能关注的文档

确认删除?
VIP
微信客服
  • 扫码咨询
会员Q群
  • 会员专属群点击这里加入QQ群
客服邮箱
回到顶部