电脑桌面
添加小米粒文库到电脑桌面
安装后可以在桌面快捷访问

废纸造纸工艺流程

废纸造纸工艺流程_第1页
1/2
废纸造纸工艺流程_第2页
2/2
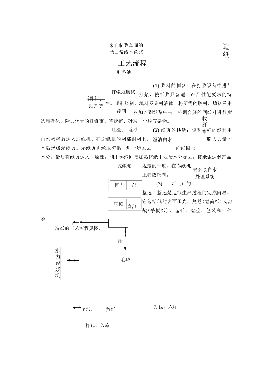
造纸工艺流程(1) 浆料的制备:在打浆设备中进行打浆,使纸浆具备适合产品性能要求的特性。调制胶料、填料及染料液体。将所需的胶料、填料及染料加入到纸浆中去。将调合好的纸料进行筛选和净化,除去较大的纤维束、浆疙疸、砂粒、尘埃等杂物。(2) 纸页的抄造:调和好的纸料用白水稀释后送入造纸机。在造纸机的网部铜网上,脱去大量的水后形成湿纸页。湿纸页再经压榨辊,进一步脱去水分。最后将纸页送入干燥部,利用蒸汽间接加热将纸中残余水分除去,使纸张达到产品规定的干度,在卷纸机上卷成纸卷。(3)纸 页 的整选:整选是造纸生产过程的完成阶段。它包括纸的表面压光、复卷(卷简纸)或切裁(乎板纸)、选纸、检验、包装和打件等。造纸的工艺流程见图。来自制浆车间的漂白浆或本色浆贮浆池打浆或磨浆调利、助剂等添料除渣、|除砂网 1「部流浆箱压榨1直部澄清白水纤维回收回收纤维去多余白水处理系统水力碎浆机卷取f 纸、,数纸打包、入库打包、入库

1、当您付费下载文档后,您只拥有了使用权限,并不意味着购买了版权,文档只能用于自身使用,不得用于其他商业用途(如 [转卖]进行直接盈利或[编辑后售卖]进行间接盈利)。
2、本站所有内容均由合作方或网友上传,本站不对文档的完整性、权威性及其观点立场正确性做任何保证或承诺!文档内容仅供研究参考,付费前请自行鉴别。
3、如文档内容存在违规,或者侵犯商业秘密、侵犯著作权等,请点击“违规举报”。

碎片内容

废纸造纸工艺流程

确认删除?
VIP
微信客服
  • 扫码咨询
会员Q群
  • 会员专属群点击这里加入QQ群
客服邮箱
回到顶部