电脑桌面
添加小米粒文库到电脑桌面
安装后可以在桌面快捷访问

建筑制图基础实训作业

建筑制图基础实训作业_第1页
1/17
建筑制图基础实训作业_第2页
2/17
建筑制图基础实训作业_第3页
3/17
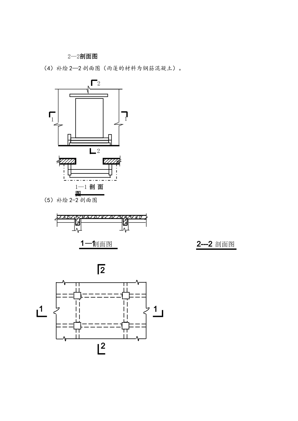
②①⑤④③15001800 中央广播电视大学人才培育模式改革与开放教育试点建筑制图基础实训形成性考核册作业一1、写出图中指出的图线的名称,以及当 b=0.7 时的线宽。2、注出窗立面图的比例。 3、根据所给的比例,注出外墙板长河高的实际尺寸。4Gg4e。⑤细实线0.7/4④波浪线0.7/4③中实线0.7/2②粗实线0.7①折断线0.7/4序号图线名称线宽11 窗立面图 1:45 外墙板立面图 1:604、作出下列建筑形体的剖面图与断面图。(1)作 1—1 剖面图。 (2)作形体的半剖面图。(3)补绘 1—1 剖面图。 12212---2 剖面图1111剖面图22(4)补绘 2—2 剖面图(雨篷的材料为钢筋混凝土)。 (5)补绘 2-2 剖面图2—2剖面图11221—1 剖 面图(6)补绘 1—1、2—2、3—3 断面图。(7)补画 1—1 阶梯剖面图。2331125、简答题(1)土木工程制图中的图线有几种?其用途有何不同?答:土木工程制图中的图线有 6 种:①实线,用途为可见轮廓线,图例线;②虚线,用途为不可见轮廓线,图例线;③单点长画线,用途为中心线、对称线;④双点长画线,用途为假想轮廓线,成型前原始轮廓线;⑤折断线,用途为断开界线;⑥波浪线用途为断开界线(2)标注尺寸时,绘制 45°短线的起止符号应注意哪些问题?答:尺寸起止符号在尺寸线与尺寸界线的相交点。一般用中粗短斜线绘制,其倾斜方向应与尺寸线成顺时针 45°,长度宜为 2~3mm。在轴测图中,尺寸起止符号为小圆点。半径、直径与弧长的尺寸起点符号,宜用箭头表示。(3)图名有何作用?在注写图名时要注意哪些规定?答:图名作用为表示图纸的代号和要表达的主要内容以及涉及工程的项目。每个视图都应注出图名,图名注写在视图的下方为宜,并在图名下画一粗横线,其长度应以图名所占长度为准。(4)剖面图与断面图的主要区别是什么?两者又有何联系?答:①表达的形体的对象不同,断面图中画物体被剖开后的截面投影,而剖面图除了画截面的投影,还要画出剖切后物体的剩余部分的投影;②通常剖面图可采纳多个剖切平面,而断面图一般只使用单一剖切平面;③引入剖面图的目的为了表达物体内部的形状和结构,而画断面图的目的则常用来表达物体中某一局部的断面形状。均表达物体的内部结构。(5)简化画法意义何在?常用的简化画法有几种?其使用条件是什么? 答:简化画法在不阻碍准物体的形状和结构表达完整、清楚的前提下,为减少画图工作量和看图方便而确定的。常用的简化画法有三种:①对称图形的简...

1、当您付费下载文档后,您只拥有了使用权限,并不意味着购买了版权,文档只能用于自身使用,不得用于其他商业用途(如 [转卖]进行直接盈利或[编辑后售卖]进行间接盈利)。
2、本站所有内容均由合作方或网友上传,本站不对文档的完整性、权威性及其观点立场正确性做任何保证或承诺!文档内容仅供研究参考,付费前请自行鉴别。
3、如文档内容存在违规,或者侵犯商业秘密、侵犯著作权等,请点击“违规举报”。

碎片内容

建筑制图基础实训作业

您可能关注的文档

确认删除?
VIP
微信客服
  • 扫码咨询
会员Q群
  • 会员专属群点击这里加入QQ群
客服邮箱
回到顶部