电脑桌面
添加小米粒文库到电脑桌面
安装后可以在桌面快捷访问

新风技术交底

新风技术交底_第1页
1/5
新风技术交底_第2页
2/5
新风技术交底_第3页
3/5
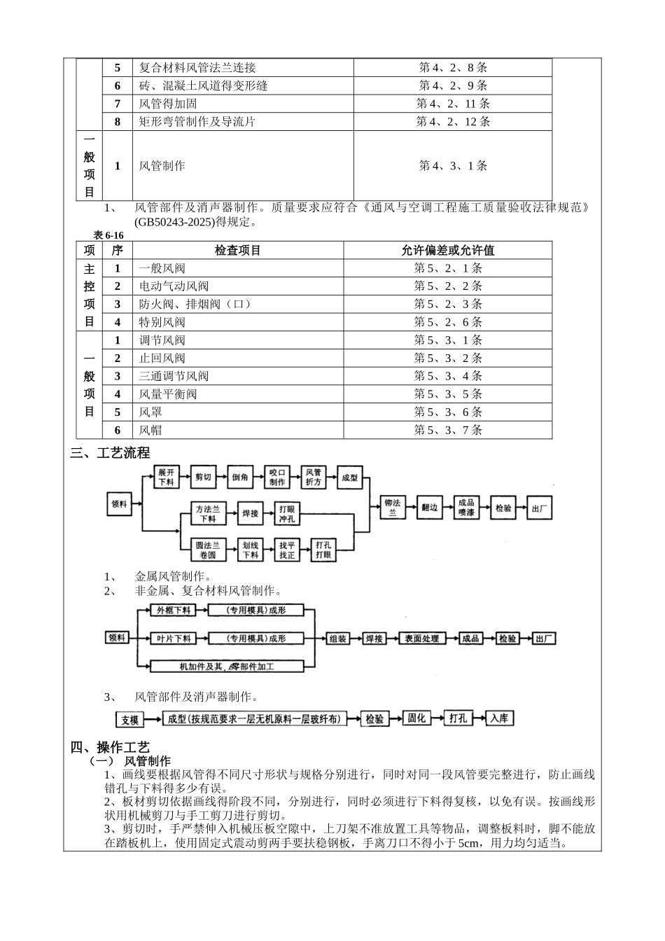
施工技术交底工程名称西安市汉城湖水环境综合治理提升工程房建 15交底日期2025、12、8交底对象新排风工人工程部位新风交底内容:一、施工准备(一) 作业条件1、作业地点要有相应加工工艺得必备工具、设施及电源与可靠得安全防护装置,并有消防器材。2、风管制作应有批准得图纸,经审查得大样图,系统图,并有施工员书面得技术质量及安全交底。(二) 施工器具龙门剪板机、电冲剪、手用电动剪倒角机、咬口机、压筋机、折方机、合缝机、振动式曲线剪板机、卷圆机、圆弯头咬口机、型钢切割机、角(扁)钢卷圆机、液压钳钉钳、电动拉铆枪、台钻、手电钻、冲孔机、插条法兰机、螺旋卷管机、电、气焊设备、空气压缩机油漆喷枪等设备及不锈钢板尺、钢直尺、角尺量角器、圆规、洋冲、铁锤、木锤、拍板、各类胎具、料桶、刷子等小型工具。(三) 材料要求1、能适用得板材、管材等主要材料应有出厂质量证明文件(包括出厂合格证、质量合格证明及检测报告等)。2、非金属材料及填充料等应符合设计要求,有齐全得质量证明文件。二、质量要求1、金属风管及配件制作。质量要求应符合《通风与空调工程施工质量验收法律规范》(GB50243-2025)得规定。表 6-14项序检查项目允许偏差或允许值主控项目1材料种类、性能及厚度第 4、2、1 条2防火风管材料及密封垫料第 4、2、3 条3风管强度及严密性、工艺性检测第 4、2、5 条4风管得连接第 4、2、6 条5风管得加固第 4、2、10 条6矩形弯管制作及导流片第 4、2、12 条一般项目1圆形弯管制作第 4、3、1-1 条2风管外观质量与外形尺寸第 4、3、1-2、3 条3法兰风管制作第 4、3、2 条一般项目1无法兰圆形风管制作第 4、3、3 条2无法兰矩形风管制作第 4、3、3 条3风管得加固第 4、3、4 条1、非金属与复合材料风管及配件制作。质量要求应符合《通风与空调工程施工质量验收法律规范》(GB30243-2025)得规定。表 6-15项序检查项目允许偏差或允许值主控项目1材料种类、性能及厚度第 4、2、2 条2复合材料风管得材料第 4、2、4 条3风管强度及严密性、工艺性检测第 4、2、5 条4风管得连接第 4、2、7 条5复合材料风管法兰连接第 4、2、8 条6砖、混凝土风道得变形缝第 4、2、9 条7风管得加固第 4、2、11 条8矩形弯管制作及导流片第 4、2、12 条一般项目1风管制作第 4、3、1 条1、风管部件及消声器制作。质量要求应符合《通风与空调工程施工质量验收法律规范》(GB50243-2025)得规定。表 6-16项序...

1、当您付费下载文档后,您只拥有了使用权限,并不意味着购买了版权,文档只能用于自身使用,不得用于其他商业用途(如 [转卖]进行直接盈利或[编辑后售卖]进行间接盈利)。
2、本站所有内容均由合作方或网友上传,本站不对文档的完整性、权威性及其观点立场正确性做任何保证或承诺!文档内容仅供研究参考,付费前请自行鉴别。
3、如文档内容存在违规,或者侵犯商业秘密、侵犯著作权等,请点击“违规举报”。

碎片内容

新风技术交底

津创媒+ 关注
实名认证
内容提供者

欢迎交流文创,小店资料希望满足您的需要。

确认删除?
VIP
微信客服
  • 扫码咨询
会员Q群
  • 会员专属群点击这里加入QQ群
客服邮箱
回到顶部