电脑桌面
添加小米粒文库到电脑桌面
安装后可以在桌面快捷访问

施工临时用水用电布置方案

施工临时用水用电布置方案_第1页
1/12
施工临时用水用电布置方案_第2页
2/12
施工临时用水用电布置方案_第3页
3/12
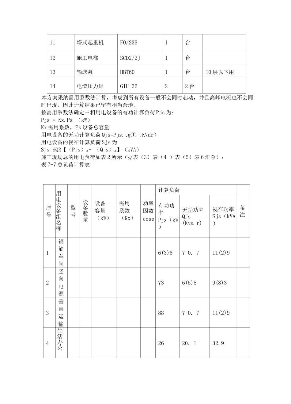
施工临时用水用电布置(1 )现场临时用水主管道的选择1)现场施工用水施工中主要考虑浇筑混凝土的用水,包括模板冲洗和混凝土养护用水等,由于采纳商品混凝土,取浇筑混凝土的全部用水定额 N1 = 3 (l/m3),每台班浇筑混凝土量约为 2m3,故取:Q1 = 2m3,取 K1 =1.05, K2 =1.5则 2 x 3 x 1.52)施工现场生活用水90CX19戛=60 '.•n 供水管径汁算C. U C CID现场提供的 DN750 供水管可满足要求。施工用水支管选用 DN50 镀锌水管;生活区用水支管选用 DN25 镀锌水管。为保证高层施工用水的需要,在裙楼施工完成后,在首层 D1 栋或 D2 栋适当位置修建一个临时集水池,用扬程为 120m 的高压水泵进行加压供水.(2)高压水泵供水的注意事项电源控制箱必须专用,严禁与其他设备混合使用。控制频繁启动,电机功率 30kW,应降压启动。供水主管必须安装卸载阀。应安排专业电工操作,严格执行机械运行维修保养法律规范要求。(3)现场用水的保证措施为了施工用水的可靠性和保障性,使施工生产顺利进行,项目机械队应组织专门的管理机构,加强管理。对进入施工现场的施工人员进行开源节流教育,阐述节约用水的重要性和必要性,使每位员工对节约能源制造效益有正确的理解和认识。现场供用水管的安装维修由专业电工进行,加强巡回检查监护,出现故障及时处理,确保生产、生活用水畅通。(4)现场临时用电方案负荷计算本工程的主要用电机械设备如表 1。表 7-6 主要用电机械设备序号设备名称型号规格数量单位备注1钢筋弯曲机GW40-14台2钢筋切断机JJ40-13台3钢筋拉直机JK-21台2T 卷扬机4钢筋对焊机UN1-11台5沟通电焊机BX1-44台6木工圆盘锯4台7多级水泵120M1台8卷扬机2T2台外井架用9潜水泵4台10振动棒6根11塔式起重机F0/23B1台12施工电梯SCD2/2J1台13输送泵HBT601台10 层以下用14电渣压力焊GIH-3622 台本方案采纳需用系数法计算,考虑到所有设备一般不会同时起动,并且高峰电流也不会同时出现,因此计算结果已留有相当余地。按需用系数法确定三相用电设备的有功计算负荷 Pjs 为:Pjs = Kx.Ps (kW)Kx 需用系数,Ps 设备总容量用电设备的无功计算负荷 Qjs=Pjs.tg①(KVar)用电设备的视在计算负荷 Sjs 为Sjs=SQR【(Pjs)2 + (Qjs)2 】(kVA)施工现场总的用电负荷如表 2 所示(据表(3)表(4 )表(5)表 6 汇总):表 7-7 总负荷计算表序号用电设备组名称型号设备数量设备容量(kW)需用系数(Kx)功率因...

1、当您付费下载文档后,您只拥有了使用权限,并不意味着购买了版权,文档只能用于自身使用,不得用于其他商业用途(如 [转卖]进行直接盈利或[编辑后售卖]进行间接盈利)。
2、本站所有内容均由合作方或网友上传,本站不对文档的完整性、权威性及其观点立场正确性做任何保证或承诺!文档内容仅供研究参考,付费前请自行鉴别。
3、如文档内容存在违规,或者侵犯商业秘密、侵犯著作权等,请点击“违规举报”。

碎片内容

施工临时用水用电布置方案

您可能关注的文档

确认删除?
VIP
微信客服
  • 扫码咨询
会员Q群
  • 会员专属群点击这里加入QQ群
客服邮箱
回到顶部