电脑桌面
添加小米粒文库到电脑桌面
安装后可以在桌面快捷访问

架桥机架设桥梁施工作业指导书

架桥机架设桥梁施工作业指导书_第1页
1/8
架桥机架设桥梁施工作业指导书_第2页
2/8
架桥机架设桥梁施工作业指导书_第3页
3/8
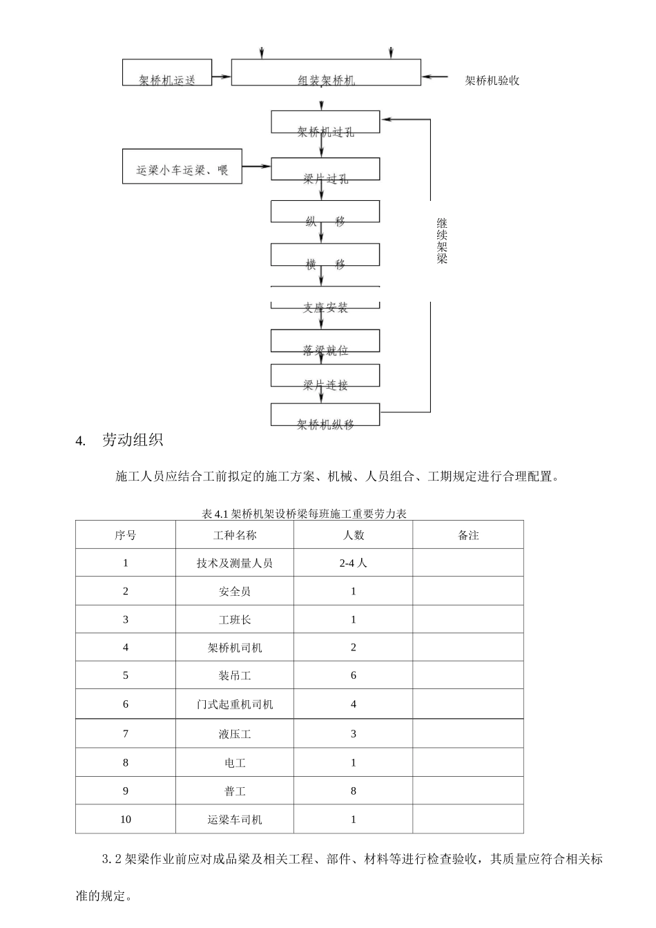
架桥机架设 T 梁、空心板梁作业指导书1.合用范围合用于单片 T 梁、空心板梁等预制梁体的架设施工。2. 作业准备2.1 拟定梁场设立和梁体架设方案,编制架梁施工组织设计,拟定架梁方向和顺序。2.2 具体进行施工调查,了解沿线交通、电力线、通讯线及影响走行的障碍物情况。2.3 编制架梁作业技术交底资料和操作规程,仔细组织技术交底。2.4 制定施工安全保证措施,提出应急预案。2.5 参加架梁的所有施工人员必须通过桥梁施工培训并对架桥机机械性能及施工技术细则熟悉和全面掌握后才能上岗操作。特别工种人员必须进行强化培训,经考试合格后方可持证上岗。2.6 建立完善的检修、保养制度,定期对设备重要部件进行探伤检查。2.7 需上跨地方道路时提前与公路、交管等相关部门联系,办理相关许可,发布交通封闭告知,并于点前做好道路交通防护标志、标牌的布设工作。2.8 联系线下工程单位交接桥梁架设需要的工程竣工资料。3. 施工程序与工艺流程3.1 施工程序各种类型架桥机的安装、调试和架梁作业均应严格根据该架桥机的操作规程和使用说明书进行。架桥机架设前应铺设轨道或整修运梁通道,假如是铁路桥架设采纳轨道运送应对线路进行压道和桥头加固。架桥机通过正线路基架运梁时,规定路基达成设计标准并完毕工序交接,路基断面宽度,路基护坡和路堑的挡墙护坡完毕。3.2 工艺流程架桥机架梁施工工艺框图复核墩台支座十字线、安放支座铺设轨道(轨道运送)运梁通道整修(公路运梁车)4.劳动组织施工人员应结合工前拟定的施工方案、机械、人员组合、工期规定进行合理配置。表 4.1 架桥机架设桥梁每班施工重要劳力表序号工种名称人数备注1技术及测量人员2-4 人2安全员13工班长14架桥机司机25装吊工66门式起重机司机47液压工38电工19普工810运梁车司机13.2 架梁作业前应对成品梁及相关工程、部件、材料等进行检查验收,其质量应符合相关标准的规定。继续架梁架桥机验收3.3 特别条件下施工,应制定相应的具体施工方案。3.4 架桥机和运梁车通过的路基要通过沉降、承载能力评估合格后方可进行架梁作业。3.5。3.6 如桥梁架设临近既有线,编制作业指导书书时还应根据既有线施工相关技术标准增长关于保证既有线行车安全的相关内容。5.质量控制由于各式架桥机的架设原理基本相同,下文以 JQG50/180 型步履式桥机架梁为例。5.1 施工准备设备选用JQG50/180 型架桥机属步履式架桥机,配套使用两台 1 吨门式起重机提梁,两台 90t 轨道运梁...

1、当您付费下载文档后,您只拥有了使用权限,并不意味着购买了版权,文档只能用于自身使用,不得用于其他商业用途(如 [转卖]进行直接盈利或[编辑后售卖]进行间接盈利)。
2、本站所有内容均由合作方或网友上传,本站不对文档的完整性、权威性及其观点立场正确性做任何保证或承诺!文档内容仅供研究参考,付费前请自行鉴别。
3、如文档内容存在违规,或者侵犯商业秘密、侵犯著作权等,请点击“违规举报”。

碎片内容

架桥机架设桥梁施工作业指导书

确认删除?
VIP
微信客服
  • 扫码咨询
会员Q群
  • 会员专属群点击这里加入QQ群
客服邮箱
回到顶部