电脑桌面
添加小米粒文库到电脑桌面
安装后可以在桌面快捷访问

生产工艺人员绩效考核

生产工艺人员绩效考核_第1页
1/6
生产工艺人员绩效考核_第2页
2/6
生产工艺人员绩效考核_第3页
3/6
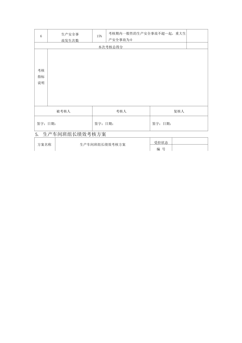
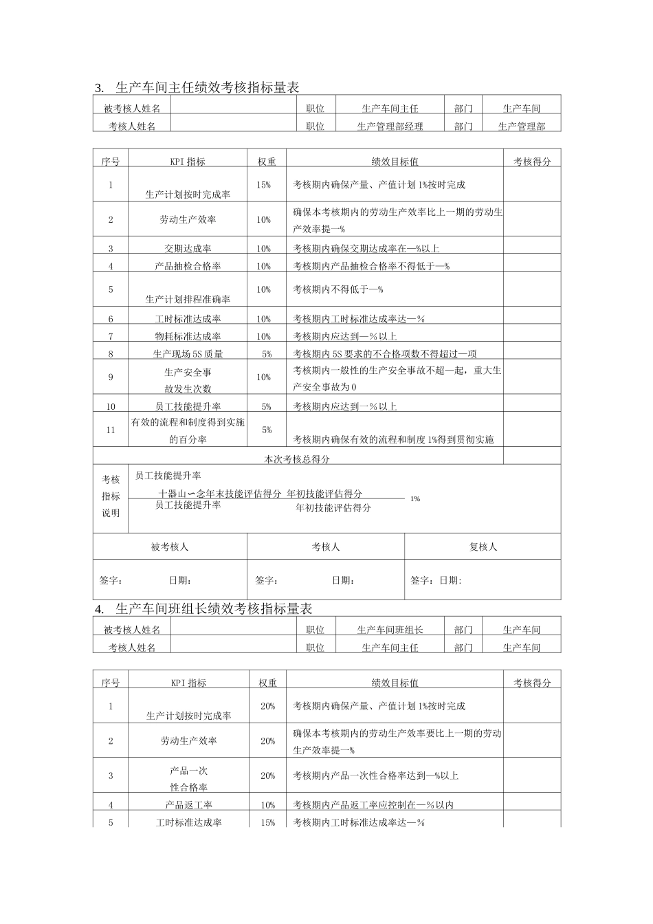
生产工艺人员绩效考核1.生产管理部关键绩效考核指标序号KPI 指标考核周期指标定义/公式资料来源1生产计划达成率季/年度实际产量 1%计划产量生产管理部2内部利润达成率季/年度实际完成的内部利润额顼邱 1%计划完成的内部利润额财务部3劳动生产效率季/年度产出数量标准工时 1%日工作小时 直接人工数量 损失工时“质量管理部4交期达成率季/年度交货期无误次数交货总次数 1%销售部5产品抽检合格率月/季/年度实际合格数 1%抽样产品总数质量管理部6生产成本下降率季/年度上期生产成本当期生产成本1%上期生产成本财务部7生产设备利用率年度开机总工时外部停机总工时顼W.、,、1%开机总工时设备部8生产安全事故次数季/年度考核期内生产安全事故发生的次数合计生产管理部2. 工艺管理部关键绩效考核指标序号KPI 指标考核周期指标定义/公式资料来源1新产品工艺设计任务完成准时率季/年度实际设计周期顼邱、、 、一、、 1UU/o 计划设计周期工艺管理部2工艺试验及时完成率月/季/年度按时完成工艺试验次数顼邱 1UU//工艺试验总次数工艺管理部3工艺工装文件差错率月/季/年度出错的工艺工装文件份数>1UU//工艺工装文件总份数质量管理部4工艺工装文件出错损失季/年度因本部门提供的工艺工装文件错误造成的经济损失金额生产管理部财务部5标准工时降低率根据实际改进前标准工时 改进后标准工时 mm/ 1UU%工艺改进前标准工时工艺管理部6工艺改进成本降低率根据实际改进前生产成本改进后生产成本1UU%工艺改进前生产成本生产管理部财务部7部门管理费用预算达成率季/年度实际发生费用费用预算总额%财务部3.生产车间主任绩效考核指标量表被考核人姓名职位生产车间主任部门生产车间考核人姓名职位生产管理部经理部门生产管理部序号KPI 指标权重绩效目标值考核得分1生产计划按时完成率15%考核期内确保产量、产值计划 1%按时完成2劳动生产效率10%确保本考核期内的劳动生产效率比上一期的劳动生产效率提一%3交期达成率10%考核期内确保交期达成率在—%以上4产品抽检合格率10%考核期内产品抽检合格率不得低于—%5生产计划排程准确率10%考核期内不得低于—%6工时标准达成率10%考核期内工时标准达成率达—%7物耗标准达成率10%考核期内应达到—%以上8生产现场 5S 质量5%考核期内 5S 要求的不合格项数不得超过—项9生产安全事故发生次数10%考核期内一般性的生产安全事故不超—起,重大生产安全事故为 010员工技能提升率5%考核期内应达到一%以上11有效的流程...

1、当您付费下载文档后,您只拥有了使用权限,并不意味着购买了版权,文档只能用于自身使用,不得用于其他商业用途(如 [转卖]进行直接盈利或[编辑后售卖]进行间接盈利)。
2、本站所有内容均由合作方或网友上传,本站不对文档的完整性、权威性及其观点立场正确性做任何保证或承诺!文档内容仅供研究参考,付费前请自行鉴别。
3、如文档内容存在违规,或者侵犯商业秘密、侵犯著作权等,请点击“违规举报”。

碎片内容

生产工艺人员绩效考核

您可能关注的文档

确认删除?
VIP
微信客服
  • 扫码咨询
会员Q群
  • 会员专属群点击这里加入QQ群
客服邮箱
回到顶部