电脑桌面
添加小米粒文库到电脑桌面
安装后可以在桌面快捷访问

电动吊蓝施工方案

电动吊蓝施工方案_第1页
1/8
电动吊蓝施工方案_第2页
2/8
电动吊蓝施工方案_第3页
3/8
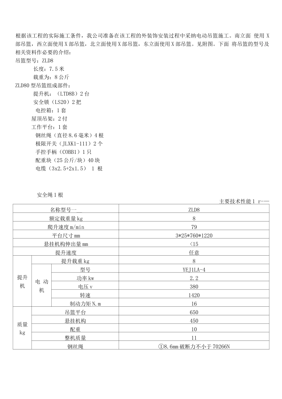
辽宁建工集团(XXX 项目部)幕墙工程吊篮施工方案编制人:审核人:批准人:编制单位:编制时间:年月曰目录一、编制依据二、工程概况三、外墙施工用电动吊蓝的型号及说明四、电动吊篮的安装、移位和拆除方案五、安全保证措施六、季节性施工措施七、平面布置图八、日常故障分析及处理九、相关计算书十、吊篮安全技术交底电动吊篮的施工方案一、编制依据1、工程图纸2、沈阳市建筑工程施工安全操作规程3、中华人民共和国高处作业吊蓝标准 JG5032-93。二、工程概况工程名称:工程地点:建设单位:监理单位:设计单位:总包单位:建筑特征:三、"外墙施工用电动吊篮的型号及说明根据该工程的实际施工条件,我公司准备在该工程的外装饰安装过程中采纳电动吊篮施工。南立面 使用 X部吊篮,西立面使用 X 部吊篮,北立面使用 X 部吊篮,东立面使用 X 部吊篮。见附图。下面 将吊篮的型号及相关资料作必要的介绍:吊篮型号:ZLD8长度:7.5 米载重为:8 公斤ZLD80 型吊篮组成部件:提升机:(LTD8B)2 台安全锁(LS20)2 把电控箱:1 套屋顶吊架:2 付工作平台:1 套钢丝绳(直径 8.6 毫米)4 根极限开关(JLXK1-111)2 个手控手柄(COBB1)1 只配重块(25 公斤/块)40 块电缆(3x2.5+2x1.5) 1 根安全绳 1 根主要技术性能 1 r-—名称型号一__ZLD8额定载重量 kg8爬升速度 m/min79平台尺寸 mm3*25*760*1220悬挂机构伸出量 mm<15提升速度任意提升 机提升载重 kg8电 动 机型号YEJ1LA-4功率 kw2.2电压 v380转速1420制动力矩 N.m16质量 kg吊篮平台650悬挂机构450配重10整机质量11钢丝绳①8.6mm 破断力不小于 70266N主要技术性能 2名称型号-—ZLD6额定载重量 kg6爬升速度 m/min79平台尺寸 mm3*25*760*1220悬挂机构伸出量 mm15

1、当您付费下载文档后,您只拥有了使用权限,并不意味着购买了版权,文档只能用于自身使用,不得用于其他商业用途(如 [转卖]进行直接盈利或[编辑后售卖]进行间接盈利)。
2、本站所有内容均由合作方或网友上传,本站不对文档的完整性、权威性及其观点立场正确性做任何保证或承诺!文档内容仅供研究参考,付费前请自行鉴别。
3、如文档内容存在违规,或者侵犯商业秘密、侵犯著作权等,请点击“违规举报”。

碎片内容

电动吊蓝施工方案

您可能关注的文档

确认删除?
微信客服
  • 扫码咨询
会员Q群
  • 会员专属群点击这里加入QQ群