电脑桌面
添加小米粒文库到电脑桌面
安装后可以在桌面快捷访问

电气设备点检标准

电气设备点检标准_第1页
1/21
电气设备点检标准_第2页
2/21
电气设备点检标准_第3页
3/21
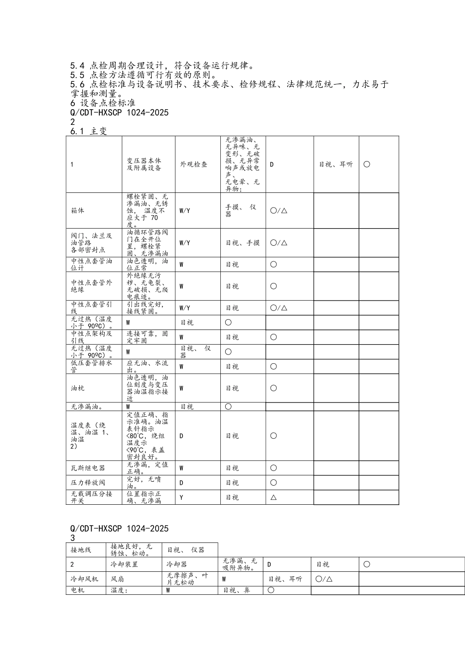
目 次前 言 ............................................................................. III1 范围 .............................................................................. 12 法律规范性引用文件 .................................................................... 13 术语和定义 ........................................................................ 14 编制依据 .......................................................................... 15 编制方法 .......................................................................... 16 设备点检标准 ...................................................................... 16.1 主变 .......................................................................... 26.2 高厂变 ........................................................................ 46.3 启备变 ........................................................................ 66.4 干式变压器 .................................................................... 86.5 励磁变压器 .................................................................... 96.6 发电机离相封闭母线 ........................................................... 106.7 高厂变、高备变共箱封闭母线 ................................................... 116.8 330kV SF6 开关............................................................... 126.9 330kV 线路避雷器.............................................................. 136.10 330kV 架构、支持瓷瓶及架空导线............................................... 146.11 6kV 配电装置................................................................. 156.12 380V PC 配电柜.............................................................. 176.13 380V MCC 配电柜............................................................. 196.14 发电机 ...................................................................... 206.15 6kV 沟通电动机............................................................... 246.16 直流电动机 ......................

1、当您付费下载文档后,您只拥有了使用权限,并不意味着购买了版权,文档只能用于自身使用,不得用于其他商业用途(如 [转卖]进行直接盈利或[编辑后售卖]进行间接盈利)。
2、本站所有内容均由合作方或网友上传,本站不对文档的完整性、权威性及其观点立场正确性做任何保证或承诺!文档内容仅供研究参考,付费前请自行鉴别。
3、如文档内容存在违规,或者侵犯商业秘密、侵犯著作权等,请点击“违规举报”。

碎片内容

电气设备点检标准

您可能关注的文档

确认删除?
VIP
微信客服
  • 扫码咨询
会员Q群
  • 会员专属群点击这里加入QQ群
客服邮箱
回到顶部