电脑桌面
添加小米粒文库到电脑桌面
安装后可以在桌面快捷访问

石材楼地面施工工艺

石材楼地面施工工艺_第1页
1/3
石材楼地面施工工艺_第2页
2/3
石材楼地面施工工艺_第3页
3/3
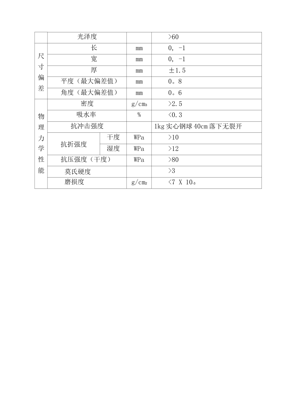
石材楼地面施工工艺1. 材料要求(1)板材的平整度、光洁度、几何尺寸要达到设计和法律规范的要求。(2)将石材背面用湿布将浮灰擦抹洁净,涂抹两遍石材防水剂,晾干后待用。2. 作业条件(1)地面基层须处理洁净,检查整个地面平整度,高凿低补,直至达到要求.(2)检查地面预留预埋已完成。(3)检查复核轴线、标高。(4)对施工操作者进行技术交底,应强调技术措施、质量标准和成品保护。(5)先做样板,经质检部门自检,报业主和设计鉴定合格后,方可组织人员进行大面积施工。3. 操作工艺(1)测量定出控制轴线,根据轴线和石材规格按图纸要求地面划线。(2)根据测量结果,采纳“灰饼”定位法,每隔五米见方用水泥砂浆做“灰饼",确定石材铺贴完成后的标高面。(3)根据灰饼所确定的完成面标高,用细尼龙绳交叉拉线,作为铺贴基准线.(4)试拼:根据标准线确定铺贴顺序选定位置,按图案、颜色、纹理试拼试拼完成后按两个方向编号排列,码放整齐,待用。(5)铺贴:首先在清理洁净的地面 107 胶、水泥浆一遍,按 1:3 (水泥:砂)的比例调配干硬性砂浆,水的掺量应以手抓成团,轻放又能散开为宜.铺开砂浆,虚铺高度以比标准线高出 3-5mm 为宜,然后用刮杠刮平,拍实,用木抹找平.在石材的背面满刮水泥膏,注意水泥膏一定要刮饱满、均匀,将石材按顺序铺放在砂浆上,用木锤或橡皮锤敲压挤实,并用水平尺找平。(6)贴好 24 小时后浇水养护.(7)浇缝前应将地面扫净,并将拼缝内的松散砂浆用刀清除洁净,灌缝应分几次进行,用长把刮板往缝内刮浆,务使水泥浆填满缝子和部分边角不实的空隙.灌缝 24 小时后养护。养护期间禁止上人踩踏。4.质量标准(1)石材应磨光面平滑、光亮,纹理排列统一,外切平直,无崩角崩边、无裂纹,杂色不明显,几何尺寸准确,对角线误差不超过 0.5mm。(2)板材的品种、颜色规格、和图案必须符合设计要求。(3)地面石材的铺贴要粘贴牢固,无空鼓现象。(4)石材表面应平整、洁净、色泽协调,无变包泛碱、污痕和显著的光泽受损。(5)板材接缝应填嵌密实、平直、宽窄均匀、颜色一致阴阳角处的板材搭接方向正确,非整砖使用部位适宜。5.质量控制技术要求检验项目单位标准要求外观质量棱角缺陷正面棱缺陷mm2〈3x6正面角缺陷mm24 x 4底面棱角缺陷mm2<20x 15正面棱角深度缺陷mm<1/4 板厚为 12mm砂眼mm正面不允许直径大于 2mm 的明显砂眼划痕m距 1。5m 目测不允许有明显划痕裂纹正面不允许有裂纹底面不允许...

1、当您付费下载文档后,您只拥有了使用权限,并不意味着购买了版权,文档只能用于自身使用,不得用于其他商业用途(如 [转卖]进行直接盈利或[编辑后售卖]进行间接盈利)。
2、本站所有内容均由合作方或网友上传,本站不对文档的完整性、权威性及其观点立场正确性做任何保证或承诺!文档内容仅供研究参考,付费前请自行鉴别。
3、如文档内容存在违规,或者侵犯商业秘密、侵犯著作权等,请点击“违规举报”。

碎片内容

石材楼地面施工工艺

确认删除?
VIP
微信客服
  • 扫码咨询
会员Q群
  • 会员专属群点击这里加入QQ群
客服邮箱
回到顶部