电脑桌面
添加小米粒文库到电脑桌面
安装后可以在桌面快捷访问

绝缘鞋使用导则VIP专享

绝缘鞋使用导则_第1页
1/13
绝缘鞋使用导则_第2页
2/13
绝缘鞋使用导则_第3页
3/13
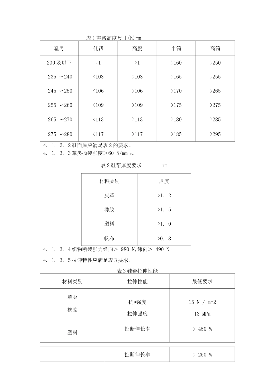
电绝缘鞋通用技术条件1 范围本标准规定一厂电绝缘鞋的分类、款式、技术要求、检验方法、检验规则、标志、包装、贮存、运输和使用。本标准适用于在电气设备上工作时作为辅助平安用具的电绝缘鞋。本标准不适用于单一线缝工艺制作的绝缘鞋。2 引用标准以下标准所包含的条文,通过在本标准中引用而构成为本标准的条文。本标准出版时,所示版本均为有效。所有标准都会被修订,使用本标准的各方应探讨使用以下标准最新版本的可能性。CB /T528 -1998 硫化橡胶或热塑性橡胶拉伸应力应变性能的测定GB /T532 -1997 硫化橡胶或热塑性橡胶与织物粘合强度的测定/T1689 -1998 硫化橡胶耐磨性能的测定用阿克隆磨耗机)GB3923 . 1-1997 纺织品织物拉伸性能第 1 局部断裂强力和断裂伸长率的测定条样法GB /q9341 -1988 塑料弯曲性能试验方法DL408 -1991 电业平安工作规程发电厂和变电所电气局部)DL409 -1991 电业平安工作规程(电力线路局部)HG2401 -1992 工矿靴HG /T2495 -1993 劳动靴QB12 -1997 胶粘皮鞋QB /T13 -1990 硫化皮鞋QB /f15—1990 模压皮鞋GB /T1040 -1992 塑料拉伸性能试验方法GBGB /T3293.1-1998鞋号GB /T3903.1-1994鞋类通用检验方法耐折试验方法GB /T3903.2-1994鞋类通用检验方法耐磨试验方法GB /T3903.3-1994鞋类通用检验方法剥离强度试验方法GB /T3903.5-1995鞋类通用检验方法外观检验方法QB /T3812. 4 — 1999 皮革物理性能测试厚度的测定QB /T3812. 5 — 1999 皮革抗*强度和伸长率的测定QB /T3812. 6 — 1999 皮革撕裂力的测定3 产品分类与品种款式3. 1 分类按帮面材料分类如下:a)电绝缘皮鞋类;b)电绝缘布面胶鞋类;c)电绝缘胶面胶鞋类;d)电绝缘塑料鞋类。3.2 款式按帮面上下分为以下款式:a)低帮电绝缘鞋图 1);b)高腰电绝缘鞋图 2);。)半筒电绝缘靴图 3);d)高筒电绝缘靴图 4)。图 1 至图 4 中拉丁字母丸为鞋帮高度。4 技术要求4. 1 一般要求4. 1. 1 构造鞋底和跟部不应有金属勾心等部件。防砸型的绝缘鞋内**是金属材料时应进展外表绝缘处理,并且在制鞋时与鞋为一体不能活动。帮底联结不应采纳上下穿通线缝,可以侧缝。4. 1. 2 鞋号鞋号设置应符合 GB /T3293. 1 的规定。4.1.3 鞋帮4. 1. 3. 1 鞋帮尺寸尺寸(h)应满足表 1 最低要求。表 1 鞋帮高度尺寸(h)mm鞋号低帮高腰半筒高筒230 及以下<1>1>160>250235 〜240<103>103>165...

1、当您付费下载文档后,您只拥有了使用权限,并不意味着购买了版权,文档只能用于自身使用,不得用于其他商业用途(如 [转卖]进行直接盈利或[编辑后售卖]进行间接盈利)。
2、本站所有内容均由合作方或网友上传,本站不对文档的完整性、权威性及其观点立场正确性做任何保证或承诺!文档内容仅供研究参考,付费前请自行鉴别。
3、如文档内容存在违规,或者侵犯商业秘密、侵犯著作权等,请点击“违规举报”。

碎片内容

绝缘鞋使用导则

确认删除?
VIP
微信客服
  • 扫码咨询
会员Q群
  • 会员专属群点击这里加入QQ群
客服邮箱
回到顶部