电脑桌面
添加小米粒文库到电脑桌面
安装后可以在桌面快捷访问

药厂洁净室空调净化系统涉及标准规范设计等内容系统了解

药厂洁净室空调净化系统涉及标准规范设计等内容系统了解_第1页
1/19
药厂洁净室空调净化系统涉及标准规范设计等内容系统了解_第2页
2/19
药厂洁净室空调净化系统涉及标准规范设计等内容系统了解_第3页
3/19
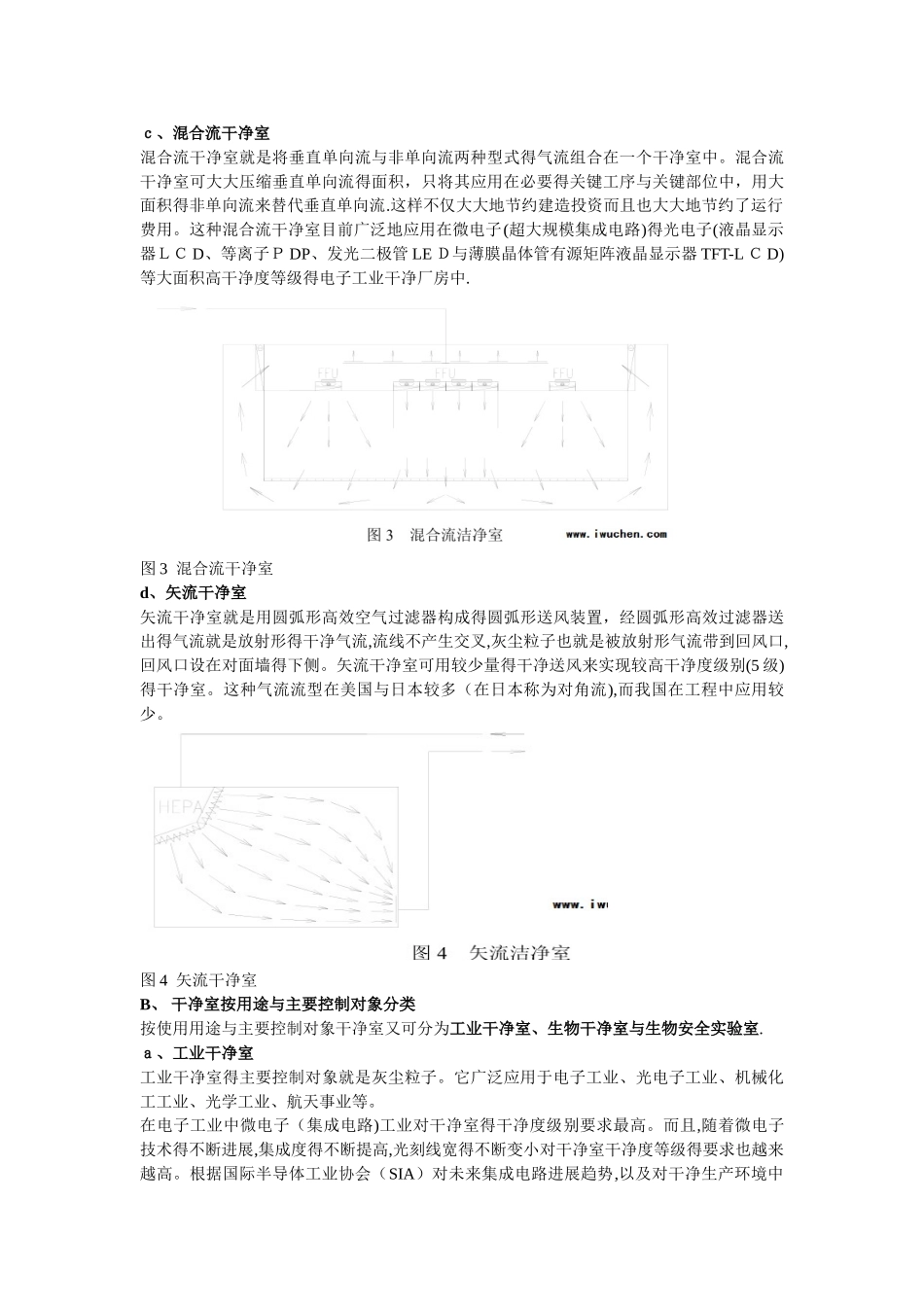
1. 药厂干净室得空调净化(新版 G M P)— 药厂干净室得空调净化(新版 GMP)2. 目 录一、干净室得基础知识(一)什么叫干净室(二)干净室得四大技术要素(三)干净室得分类(四)干净室干净度等级标准(五)干净室得占有状态(六)干净室得污染源及其控制二、关于 GMP(一)GM P得进展史(二)新版 G M P 得特点(三)新版 GMP 与 1998 年版GM P 得不同之处三、药厂干净室得确认与验证(一)药品生产企业得确认与验证(二)药厂干净室得确认可分为:(三)对药厂干净室进行正常动态得监控(四)对药品生产工艺进行验证(五)干净室得静态检测项目四、附录附录 1 “无菌药品"中强调得主要内容3. 一、干净室得基本知识4. (一)什么叫干净室根据“干净厂房设计法律规范”GB 5 0 0 7 3-2025 中名词解释,干净室就就是“空气悬浮粒子(灰尘、微生物……)浓度受控得房间。其建造与使用方式使房间内进入得、产生得、滞留得粒子最少,同时,还要按生产工艺得要求对房间内得温度、湿度、压力、静电、振动、噪声等其她相关参数也要受控。”干净室已广泛地应用在电子(微电子、光电子等)、航天、机械、化工、农业、制药、医疗、食品、实验动物饲养、生物安全与生物工程等各行各业。并且,随着科学技术与国民经济得迅猛进展,干净室与干净技术得应用将越来越广泛、越深化、越重要。5. (二)干净室四大技术要素从干净室得建造、使用与维护而言,干净室有四大技术要素:A、干净室得净化空调系统至少应有粗效、中效与高效过滤器三级过滤措施。尤其就是在终端应有高效过滤器(H EP A)或超高效过滤器(ULPA).B、干净室送风应有足够得空调(消除室内余热、余湿)与净化(保持干净度)送风量。其送风量不仅能消除室内得余热与余湿,保证室内得温度与相对湿度,同时还能消除或稀释室内得粒子污染,保证室内得干净度要求。C、干净室必须建立与维持必要得相对压差(正压或负压)。D、干净室应有合理得气流流型,以保证其室内得干净度与温、湿度等参数.6. (三)干净室得分类干净室得分类一般按气流流型来分,还可按使用用途与主要控制对象来分。A、干净室按气流流型分类干净室按气流流型来分类可分为单向流干净室、非单向流干净室、混合流干净室与矢流干净室。a、单向流干净室单向流干净室得净化原理就是活塞挤压原理,就是干净气流将室内产生得粒子由一端向另一端以活塞型式挤压出去,用干净气流充满干净室。单向流干净室又可分为垂直单向流干净...

1、当您付费下载文档后,您只拥有了使用权限,并不意味着购买了版权,文档只能用于自身使用,不得用于其他商业用途(如 [转卖]进行直接盈利或[编辑后售卖]进行间接盈利)。
2、本站所有内容均由合作方或网友上传,本站不对文档的完整性、权威性及其观点立场正确性做任何保证或承诺!文档内容仅供研究参考,付费前请自行鉴别。
3、如文档内容存在违规,或者侵犯商业秘密、侵犯著作权等,请点击“违规举报”。

碎片内容

药厂洁净室空调净化系统涉及标准规范设计等内容系统了解

您可能关注的文档

确认删除?
VIP
微信客服
  • 扫码咨询
会员Q群
  • 会员专属群点击这里加入QQ群
客服邮箱
回到顶部