电脑桌面
添加小米粒文库到电脑桌面
安装后可以在桌面快捷访问

路面大中修工程分项工程开工申请报告

路面大中修工程分项工程开工申请报告_第1页
1/34
路面大中修工程分项工程开工申请报告_第2页
2/34
路面大中修工程分项工程开工申请报告_第3页
3/34
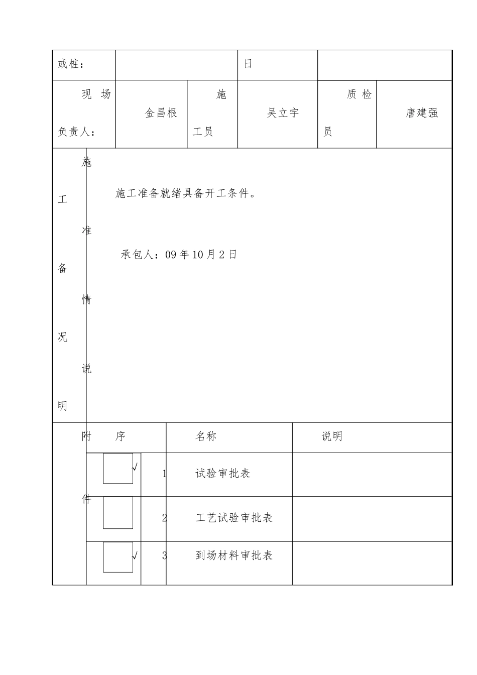
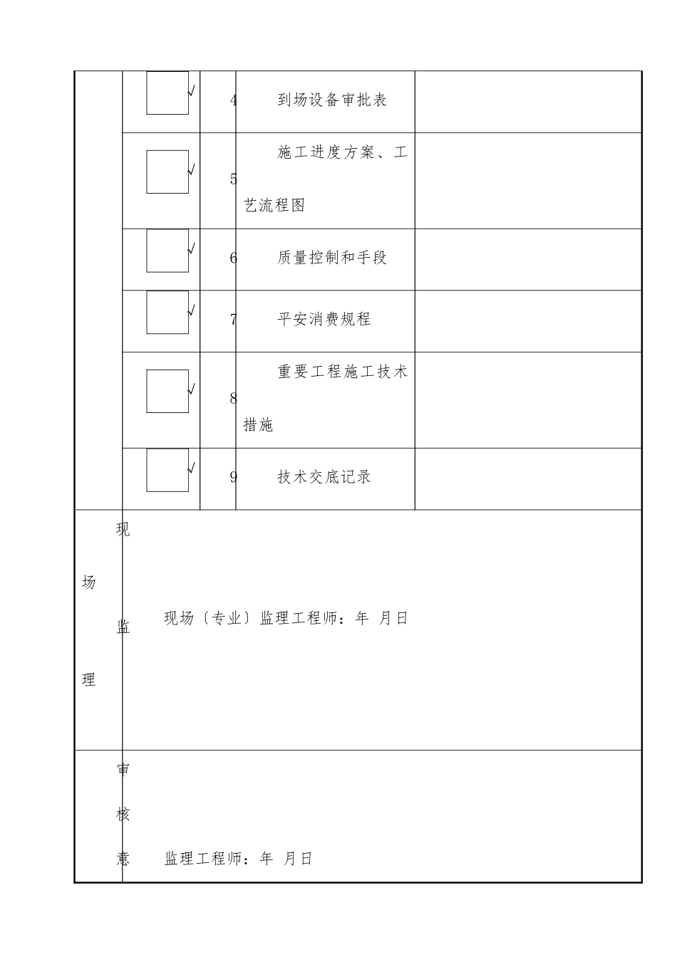
余杭区良渚镇中灵线路面大中修工程AC-13 细粒式沥青砼上层〔长下线〕分项工程开工申请杭州余杭路达公路桥梁工程队余杭区良渚镇中灵线路面大中修工程工程部二 OO 九年十月余杭区良渚镇中灵线路面大中修工程分项开工申请承包:杭州余杭路达公路桥梁工程队 合 同 :01 监理:杭州公路工程监理咨询 编:浙路〔JB〕103上一步中间交工证书编〔假如有〕:工 程名称:AC-13C 沥 青 砼 上面层建议开工日09 年 10 月 4 日地 点长下线方案完工09 年 10 月 12 日或桩:日现 场负责人:金昌根施工员吴立宇质 检员唐建强施工准备情况说明施工准备就绪具备开工条件。 承包人:09 年 10 月 2 日附件序名称说明√1试验审批表2工艺试验审批表√3到场材料审批表√4到场设备审批表√5施工进度方案、工艺流程图√6质量控制和手段√7平安消费规程√8重要工程施工技术措施√9技术交底记录现场监理现场〔专业〕监理工程师:年 月日审核意监理工程师:年 月日见AC-13C 沥青砼上面层开工目录1、工程概况2、AC-13C 沥青砼上面层施工技术方案3、施工进度方案、工艺流程图4、施工组织机构员、设备配置5、质量控制和手段6、平安消费措施7、技术交底记录附件:进场设备报验单试验余杭区良渚镇中灵线路面大中修工程AC-13 沥青砼上层开工一、工程概况:长下线是余杭区良渚镇境内的乡道路自建成以来随着社会经济的快速开展道路上通行的交通量增长非常快速经过多年的运营使得目前路面病害较多严重影响了行车的舒适性并对行车平安造成了隐患。为了确保长下线的行车畅通、快捷、舒适平安根据余杭区大中修方案安排对余杭区长下线进度大中修。本次施行路段全长 2 公里起点为 K0+000,终点桩为 K2+000。长下线本次施行路段为二级公路路基宽一般为 13.0m,部分路段土路肩有宽窄现象路面宽 12.0m.1、长下线:3cmAC-13 细粒式沥青砼 22614m23cmAC-13 细粒式沥青砼方案于 2025 年 10 月 4 日开工 2025 年 10 月 12 日前完成历时 9 个日历天。二、AC-13C 沥青砼上面层施工技术方案:细粒式沥青砼面层〔AC-13C〕的组成及其有关技术均符合??要求并报监理工程师审批。各项原材料试验结果和马歇尔试验及配合比。石料采自余杭中泰石矿;沥青采纳普通〔AH-70〕沥青;矿粉采自浙江长兴。拌和场地设在余杭东塘。拌和设备采纳韩国产斯贝柯〔SPECO〕176T/ h 沥青混合料拌和楼混合料要求拌和均匀级配良好、稳定沥青含量符合要求。详细施工如下...

1、当您付费下载文档后,您只拥有了使用权限,并不意味着购买了版权,文档只能用于自身使用,不得用于其他商业用途(如 [转卖]进行直接盈利或[编辑后售卖]进行间接盈利)。
2、本站所有内容均由合作方或网友上传,本站不对文档的完整性、权威性及其观点立场正确性做任何保证或承诺!文档内容仅供研究参考,付费前请自行鉴别。
3、如文档内容存在违规,或者侵犯商业秘密、侵犯著作权等,请点击“违规举报”。

碎片内容

路面大中修工程分项工程开工申请报告

您可能关注的文档

确认删除?
VIP
微信客服
  • 扫码咨询
会员Q群
  • 会员专属群点击这里加入QQ群
客服邮箱
回到顶部