电脑桌面
添加小米粒文库到电脑桌面
安装后可以在桌面快捷访问

安全监理台帐主要内容和内业资料要求VIP免费

安全监理台帐主要内容和内业资料要求_第1页
1/26
安全监理台帐主要内容和内业资料要求_第2页
2/26
安全监理台帐主要内容和内业资料要求_第3页
3/26
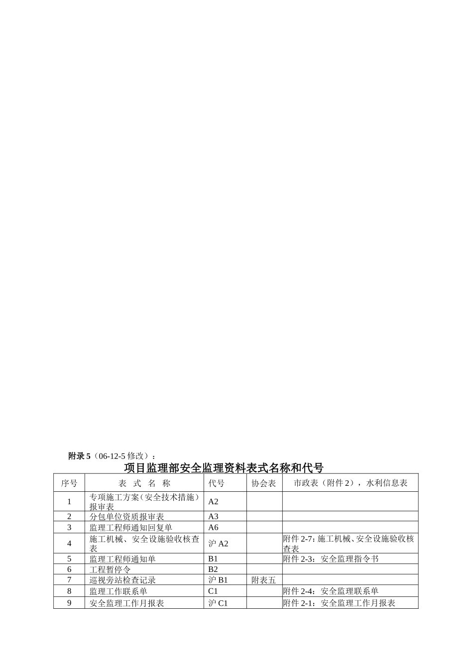
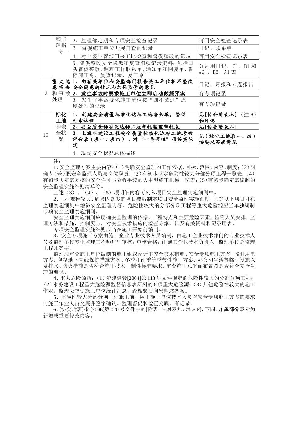
安全监理台帐主要内容和内业资料要求序号台帐名称主要内容资料和表式要求1安全监理责任和依据1、安全监理方案监理规划中编制(注1)2、建立安全监理责任和管理网络细则或方案中明确3、按规定和合同约定配备安全监理,并持证和在岗工作合同,证件,考勤记录和日记4、安全监理实施细则和专项安全监理实施细则总监审阅批准(注2)5、监理合同中安全和文明施工条款6、建设与承包方的安全生产协议2施工单位安全资质和管理1、审查总包单位和分包单位安全资质、二类人员及特种作业人员资格证书,总包与分包方的安全协议见[协会附表一],附报审资料,签审核意见2、审核施工单位安保体系、安全责任制和管理制度、督促施工单位检查分包单位安全管理制度建立情况书面记录,可在日记中详细纪录3、检查施工单位的安全教育和安全交底、总包方对分包方进场时的安全交底4、审核安全、文明施工措施费用的计划及使用情况3文件学习会议1、安全法规,上级安全文件,有关强制性标准,公司安全制度,有关外来文件。书面或电子文件,应列清单2、安全学习记录可用安全学习记录表3、安全会议记录可用安全会议记录表4日记月报报告1、安全监理日记(记当天安全大事和主要工作)2、安全监理月报用沪C1表3、安全专题报告5方案审查1、危险性较大分部分项工程报审和备案见[协会附表二、三、四]2、审查施工组织设计(方案)中安全技术措施、专项安全施工方案、临时用电方案,以及防汛防台措施和应急救援预案,并签署审核意见用A2表报审(注3)3、审查大型施工机械安装和拆除方案并签署意见用A2表报审4、填写临时用电方案、专项安全施工方案、应急救援预案、大型施工机械、安全交底、安全设施验收情况汇总表用沪C2表。6设备和设施验收复核1、大型施工机械和安全设施的安全许可、检测报告和验收手续进行程序性检查并签署意见用沪A2表报审2、复核其他主要施工机械安全资料并签署意见用沪A2表报审3、大型设备监理检查记录表(特指塔式起重机、施工升降机)用[协会附表六]7高危作业监控措施和巡视检查1、已确认的重大危险源清单,过程中补充的监控计划安全监理制订,总监阅签(注4)2、督促施工方对高危作业加强安全管理、施工前做好安全交底,并检查交底记录可在日记中记载(注5)3、督促编制防高处坠落的专项方案,督促交底和验收安全设施,核签高处作业报审表,现场巡视监管见[协会附表九]、日记4、危险性较大分部分项工程巡视检查记录(每天不少于一次)用[协会附表五]记录8安全检查1、专职安全监理和其他监理日常现场巡视检查记录记在日记中和监理指令2、监理部定期和专项安全检查记录可用安全检查记录表2、督促施工单位开展自查的记录日记、联系单4、对上级主管部门来工地检查和督促整改的记录可用安全检查记录表5、督促整改安全隐患和复查消项记录资料:包括口头督促整改,监理工作联系单、通知单和回复单,暂停施工令,复查记录,复工令分别用日记,C1、B1和A6,B2,A1表9重大隐患报告和事故处理1、向有关单位和安监部门报告施工单位拒不整改安全隐患的情况和加强监管的意见日记、月报和专题报告2、发生事故时要求施工单位立即启动救援预案有专项记录3、发生了事故要求施工单位按“四不放过”原则处理的记录有专项记录10标化工地和安全状况1、创建安全质量标准化达标工地告知单,督促外审认证见[协会附表七](注6)和日记2、安全质量标准化达标工地考核监理审核表见[协会附表八]3、上海市建设工程安全质量标准化达标工地考核评分表(表一、表四),对“一票否拒”项按实认定见(标化工地表一、四)按要求签署意见4、现场安全状况总体描述注:1、安全监理方案主要内容:(1)明确安全监理的工作依据、目标、范围、内容、制度;(2)明确专(兼)职安全监理人员与岗位职责;(3)有初步认定危险性较大分部分项工程一览表;(4)有初步认定需复核的安全许可与验收手续的大中型施工机械一览表;(5)有初步确定需编制的安全监理实施细则清单等。上述(3)、(4)、(5)项明细内容可列入项目安全监理实施细则中。2、工程规模较大、危险因素多的项目要编制本项目安全监理实施细则,三等以下项目可在监理实施细则中增添...

1、当您付费下载文档后,您只拥有了使用权限,并不意味着购买了版权,文档只能用于自身使用,不得用于其他商业用途(如 [转卖]进行直接盈利或[编辑后售卖]进行间接盈利)。
2、本站所有内容均由合作方或网友上传,本站不对文档的完整性、权威性及其观点立场正确性做任何保证或承诺!文档内容仅供研究参考,付费前请自行鉴别。
3、如文档内容存在违规,或者侵犯商业秘密、侵犯著作权等,请点击“违规举报”。

碎片内容

安全监理台帐主要内容和内业资料要求

您可能关注的文档

确认删除?
VIP
微信客服
  • 扫码咨询
会员Q群
  • 会员专属群点击这里加入QQ群
客服邮箱
回到顶部