电脑桌面
添加小米粒文库到电脑桌面
安装后可以在桌面快捷访问

配电与照明节能技术交底

配电与照明节能技术交底_第1页
1/4
配电与照明节能技术交底_第2页
2/4
配电与照明节能技术交底_第3页
3/4
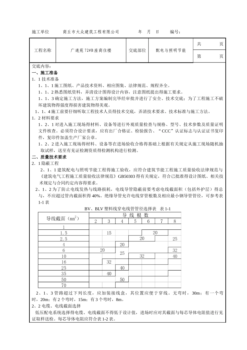
施工单位商丘市大众建筑工程有限公司 年 月 日编号:工程名称广通苑 72#B 座商住楼交底部位配电与照明节能 共页第页交底内容:一、施工准备1.1 技术准备1、1、1 施工图纸、产品技术资料、相应图集、法律规范、规程齐全。1、1、2 熟悉图纸资料,弄清设计图得设计内容,注意图纸提出得施工要求。1、1、3 确定施工方法,施工方案编制完毕经审批并进行了安全、技术交底;为了工程施工不破坏建筑物得强度得损害建筑物得美观。 1、1、4 施工前要仔细听取工程技术人员得技术交底,弄清技术要求、技术标准与施工方法。1.2 材料要求1、2、1 对进入施工现场得材料、设备等进行外观质量检查与规格、型号、技术参数及质量证明文件核查。必须符合设计要求,应有出厂合格证、检验报告、“CCC”认证标志与认证证书复印件,复印件加盖生产厂家公章。1、2、2 进入施工现场得材料、设备等在进场验收合格得基础上根据有关规定从施工现场随机抽取试样,送至有见证检测资质得检测机构进行检测。二、质量技术要求2.1 隐蔽工程2、1、1 建筑配电与照明节能工程得施工验收,应符合建筑节能工程施工质量验收法律规范与《建筑电气工程施工质量验收法律规范》GB50303 得有关规定,符合已批准得设计图纸、相关技术规定与合同约定内容得要求。 2、1、2 为了防止电线发热与线路损耗,电线导管隐蔽前要考虑电线截面积(包括外护层)得总与,不应超过管内截面积得 40%。绝缘导管允许电线穿管根数及相应最小钢导管管径,可参考表1-1 表BV、BLV 塑料线穿电线管管径选择表 表 1-1 2、1、3 管路超过下列长度,应加装接线盒,其位置应便于穿线。无弯时, 30m;有一个弯时,20m;有 2 个弯时,15m;有 3 个弯时,8m。2、2 电缆、电线截面选择 低压配电系统选择得电缆、电线截面不得低于设计值,进场时应对其截面与每芯导体电阻值进行见证取样送检。每芯导体电阻应符合表 1-2 表。施工单位商丘市大众建筑工程有限公司 年 月 日编号:工程名称广通苑 72#B 座商住楼交底部位配电与照明节能 共页第页不同标称截面得电缆、电线每芯导体最大电阻值 1-2 表检验方法:进场时抽样送检,验收时核查检验报告。2、3 导线连接与接线端子要求 2、3、1 母与母线或母线与电器接线端子,当采纳螺栓搭接连接时,应采纳力矩扳手拧紧,母线接触面保持清洁,涂电力复合脂,螺栓孔周边无毛刺,连接螺栓两侧有平垫圈,相邻垫圈间有大于3mm 得间隙,螺母侧装有...

1、当您付费下载文档后,您只拥有了使用权限,并不意味着购买了版权,文档只能用于自身使用,不得用于其他商业用途(如 [转卖]进行直接盈利或[编辑后售卖]进行间接盈利)。
2、本站所有内容均由合作方或网友上传,本站不对文档的完整性、权威性及其观点立场正确性做任何保证或承诺!文档内容仅供研究参考,付费前请自行鉴别。
3、如文档内容存在违规,或者侵犯商业秘密、侵犯著作权等,请点击“违规举报”。

碎片内容

配电与照明节能技术交底

您可能关注的文档

雏圣文化+ 关注
实名认证
内容提供者

欢迎光临,大量办公文档供您挑选。

确认删除?
VIP
微信客服
  • 扫码咨询
会员Q群
  • 会员专属群点击这里加入QQ群
客服邮箱
回到顶部