电脑桌面
添加小米粒文库到电脑桌面
安装后可以在桌面快捷访问

配电房试验报告

配电房试验报告_第1页
1/100
配电房试验报告_第2页
2/100
配电房试验报告_第3页
3/100
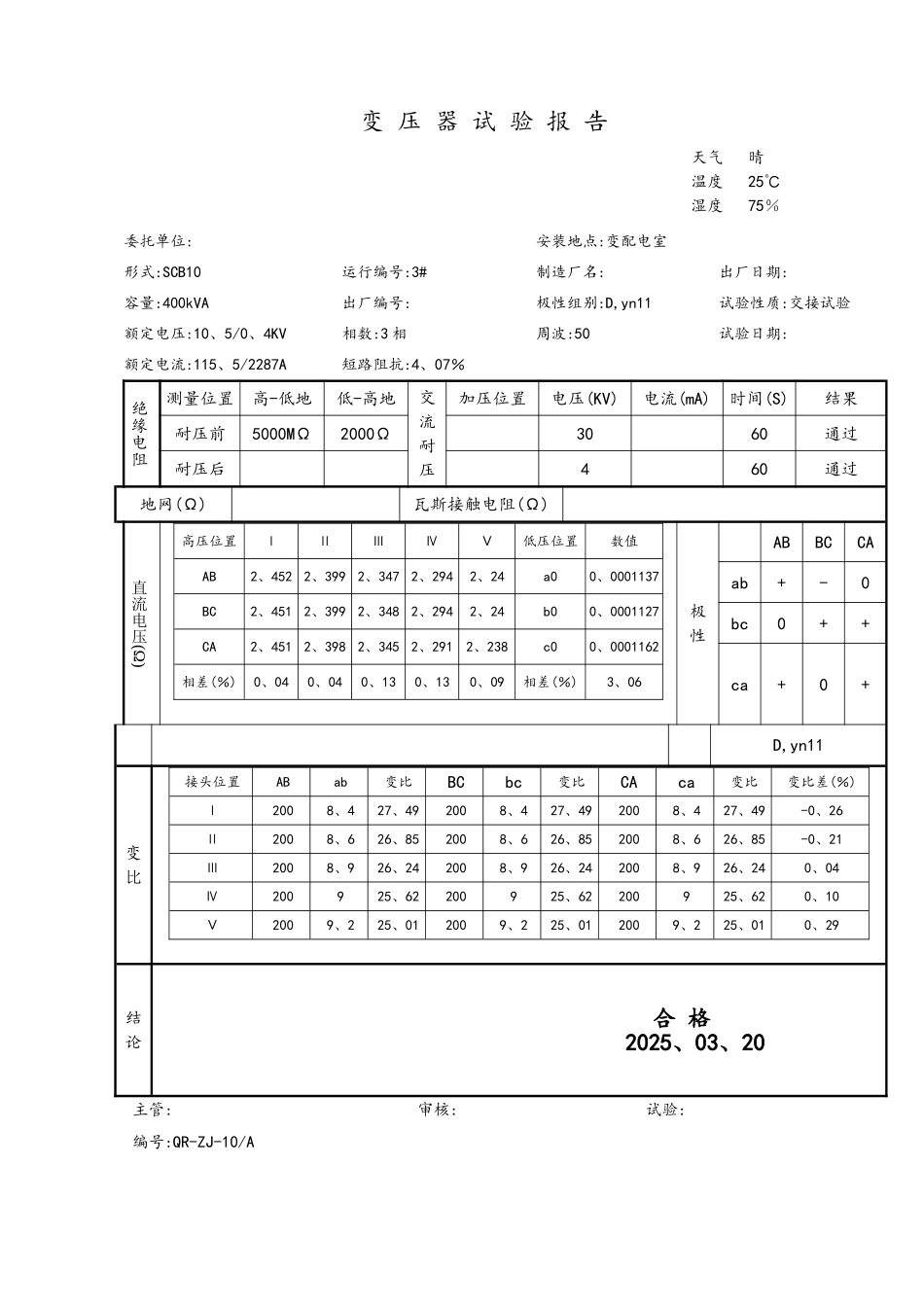
变 压 器 试 验 报 告天气 晴温度 25℃湿度 75%委托单位: 安装地点:变配电室形式:SCB10运行编号:1#制造厂名: 出厂日期: 容量:2000kVA出厂编号: 极性组别:D,yn11试验性质:交接试验额定电压:10、5/0、4KV相数:3 相周波:50试验日期: 额定电流:115、5/2287A短路阻抗:5、78%绝缘电阻测量位置高-低地低-高地交流耐压加压位置电压(KV)电流(mA)时间(S)结果耐压前5000MΩ2000Ω3060通过耐压后460通过地网(Ω)瓦斯接触电阻(Ω)直流电压(Ω)高压位置ⅠⅡⅢⅣⅤ低压位置数值AB0、331 0、3234 0、3153 0、3075 0、2294a00、0001433BC0、3314 0、3238 0、3157 0、3079 0、2298b00、0001414CA0、3312 0、3236 0、3156 0、3077 0、2297c00、0001414相差(%)0、120、120、130、30、17相差(%)1、34极性ABBCCAab+-0bc0++ca+0+D,yn11变比接头位置ABab变比BCbc变比CAca变比变比差(%)Ⅰ2008、427、492008、427、492008、427、49-0、26Ⅱ2008、626、852008、626、852008、626、85-0、21Ⅲ2008、926、242008、926、242008、926、240、04Ⅳ200925、62200925、62200925、620、10Ⅴ2009、225、012009、225、012009、225、010、29结论合 格2025、03、20主管: 审核: 试验:编号:QR-ZJ-10/A变 压 器 试 验 报 告天气 晴温度 25℃湿度 75%委托单位: 安装地点:变配电室形式:SCB10运行编号:2#制造厂名: 出厂日期: 容量:2000kVA出厂编号: 极性组别:D,yn11试验性质:交接试验额定电压:10、5/0、4KV相数:3 相周波:50试验日期: 额定电流:115、5/2287A短路阻抗:5、78%绝缘电阻测量位置高-低地低-高地交流耐压加压位置电压(KV)电流(mA)时间(S)结果耐压前5000MΩ2000Ω3060通过耐压后460通过地网(Ω)瓦斯接触电阻(Ω)直流电压(Ω)高压位置ⅠⅡⅢⅣⅤ低压位置数值AB0、3322 0、3245 0、3164 0、3086 0、3005a00、0001433BC0、332 0、3244 0、3163 0、3085 0、3004b00、0001439CA0、3319 0、3243620、3084 0、3003c00、0001417相差(%)0、060、060、060、060、07相差(%)1、54极性ABBCCAab+-0bc0++ca+0+D,yn11变比接头位置ABab变比BCbc变比CAca变比变比差(%)Ⅰ2008、427、492008、427、492008、427、49-0、26Ⅱ2008、626、852008、626、852008、626、85-0、21Ⅲ2008、926、242008、926、242008、926、240、04Ⅳ200925、62200925、62200925、620、10Ⅴ2009、225、012009、225、012009、225、010、29结论合 格2025、03、20主管: ...

1、当您付费下载文档后,您只拥有了使用权限,并不意味着购买了版权,文档只能用于自身使用,不得用于其他商业用途(如 [转卖]进行直接盈利或[编辑后售卖]进行间接盈利)。
2、本站所有内容均由合作方或网友上传,本站不对文档的完整性、权威性及其观点立场正确性做任何保证或承诺!文档内容仅供研究参考,付费前请自行鉴别。
3、如文档内容存在违规,或者侵犯商业秘密、侵犯著作权等,请点击“违规举报”。

碎片内容

配电房试验报告

确认删除?
VIP
微信客服
  • 扫码咨询
会员Q群
  • 会员专属群点击这里加入QQ群
客服邮箱
回到顶部