电脑桌面
添加小米粒文库到电脑桌面
安装后可以在桌面快捷访问

钢筋混凝土简支梁设计

钢筋混凝土简支梁设计_第1页
1/10
钢筋混凝土简支梁设计_第2页
2/10
钢筋混凝土简支梁设计_第3页
3/10
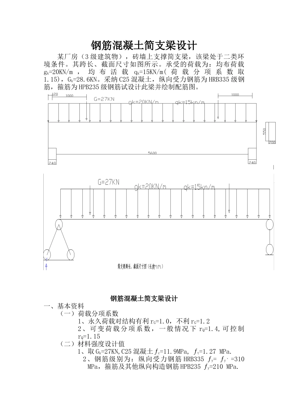
钢筋混凝土简支梁设计某厂房(3 级建筑物),砖墙上支撑简支梁,该梁处于二类环境条件。其跨长、截面尺寸如图所示。承受的荷载为:均布荷载gk=20KN/m , 均 布 活 载qk=15KN/m( 荷 载 分 项 系 数 取1.15),Gk=28.6KN。采纳 C25 混凝土,纵向受力钢筋为 HRB335 级钢筋,箍筋为 HPB235 级钢筋试设计此梁并绘制配筋图。钢筋混凝土简支梁设计一、基本资料(一)荷载分项系数1、永久荷载对结构有利 rG=1.0,不利 rG=1.22、可变荷载分项系数,一般情况下 rQ=1.4,可控制rQ=1.15(二)材料强度设计值 1、取 Gk=27KN,C25 混凝土 ƒc=11.9MPa, ƒt=1.27 MPa. 2、钢筋级别为:纵向受力钢筋 HRB335 ƒy= ƒy、=310 MPa,箍筋及其他纵向构造钢筋 HPB235 ƒy=210 MPa. 3、混凝土保护层厚度(环境类别二类环境)c=35㎜;最小配筋率 ρmin=0.2%二、截面几何尺寸拟定 (一)梁的截面高度 h 根据相应结构和设计经验与并考虑构造要求及施工方面等因素,按不需要作挠度验算的最小截面高度 h,计算梁的高度.项次构件类型简支两端连续悬臂1整体肋型梁次梁l0/15l0/20l0/8主梁l0/12l0/15l0/62独立梁l0/12l0/15l0/6 取表中独立梁:h=1/12×l0=1/12×5.84=487㎜;取 h=550(二)当梁的高度确定以后、梁的截面宽度可由常用的高宽比估 量 计 算 : 矩 形 截 面 梁 b= ( 1/2-1/3 ) h= ( 1/2-1/3)×550=183.3~275㎜,当量的宽度、高度计算完成后按建筑模数取整数;取 b=200㎜,故截面几何尺寸为b×h=200×550㎜,如下图所示(三)计算跨度 l0(式中 a 为支撑长度)ln=l-a=5840-240=5600㎜由 l0=1.025 ln=5600×1.025=5740㎜ l0= ln+a=5600+240=5840㎜ 取两者较小值;得 l0=5740㎜(四)计算简图三、荷载计算钢筋混凝土容重 r 钢筋砼=25KN/㎡;水泥砂浆容重 r 砂浆=17 KN/㎡1、梁的自重计算标准值(包括侧梁、底 15㎜抹灰重)gk=0.2×0.55×25+17×0.015×0.55×2+17×0.015×0.2=3.08KN/m22、荷载计算对于基本组合,荷载效应组合的设计值 S 应从下列组合中取最不利值(1)由可变荷载控制集中力:SF=rG Gk=1.2×27=32.4KN均布荷载:Sg= rG Gk +rQ qk=1.2×3.08+1.4×15=24.70KN (2) 可永久荷载控制 集中力:SF=rG Gk=1.0×27=27KN 均布荷载:Sg= rG Gk +rQ qk=1.0×20+1.15×15=37.25KN 两者取较大集中值:SF=32.4KN 均布荷载:Sg=37.25KN四、内力计算内力图绘制(一) 支座反...

1、当您付费下载文档后,您只拥有了使用权限,并不意味着购买了版权,文档只能用于自身使用,不得用于其他商业用途(如 [转卖]进行直接盈利或[编辑后售卖]进行间接盈利)。
2、本站所有内容均由合作方或网友上传,本站不对文档的完整性、权威性及其观点立场正确性做任何保证或承诺!文档内容仅供研究参考,付费前请自行鉴别。
3、如文档内容存在违规,或者侵犯商业秘密、侵犯著作权等,请点击“违规举报”。

碎片内容

钢筋混凝土简支梁设计

确认删除?
VIP
微信客服
  • 扫码咨询
会员Q群
  • 会员专属群点击这里加入QQ群
客服邮箱
回到顶部