电脑桌面
添加小米粒文库到电脑桌面
安装后可以在桌面快捷访问

钢筋焊接分项工程质量验收记录

钢筋焊接分项工程质量验收记录_第1页
1/6
钢筋焊接分项工程质量验收记录_第2页
2/6
钢筋焊接分项工程质量验收记录_第3页
3/6
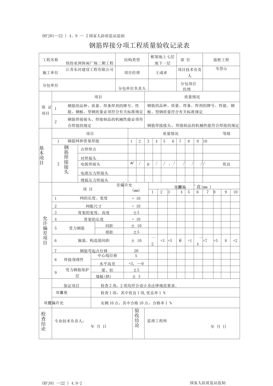
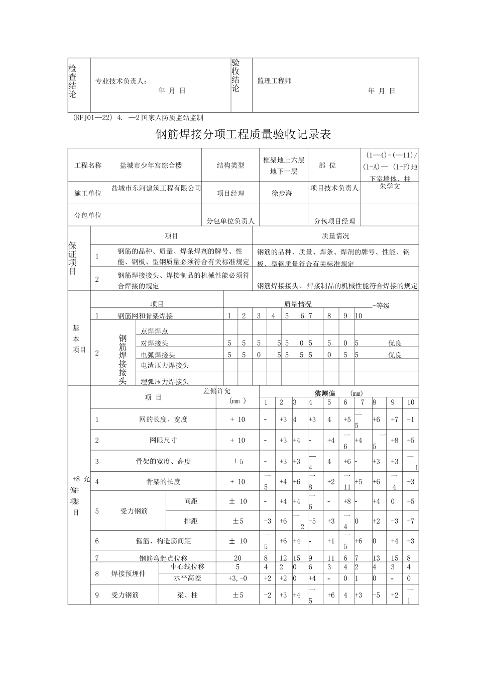
(RFJ01—22 ) 4。9 — 2 国家人防质监站监制钢筋焊接分项工程质量验收记录表工程名称缤纷亚洲休闲广场二期工程结构类型框架地上七层地下一层部 位接桩工程施工单位江苏东河建设工程有限公司项目经理王成亚项目技术负责人韦登山分包单位分包单位负责人分包项目经理保 证项目项目质量情况1钢筋的品种、质量、焊条焊剂的牌号、性能、钢板、型钢质量必须符合有关标准规定钢筋的品种、质量、焊条、焊剂的牌号、性能、钢板、型钢质量符合有关标准规定2钢筋焊接接头、焊接制品的机械性能必须符合焊接的规定钢筋焊接接头、焊接制品的机械性能符合焊接的规定基本项目项目质量情况等级1钢筋网和骨架焊接123456789102钢筋焊接接头点焊焊点对焊接头电弧焊接头A//0// , /////优良电渣压力焊接头埋弧压力焊接头允许偏差项目项 目允许偏差(mm)实测偏差〈'直(mm )123456789101网的长度、宽度+ 102网眼尺寸+ 103骨架的宽度、高度±54骨架的长度+ 105受力钢筋间距± 10排距±56箍筋、构造筋间距± 10一2+3 +56+1一4+7+58+27钢筋弯起点位移208焊接预埋件中心线位移5水平高差+3, —09受力钢筋保护层梁、柱±5墙板(拱)± 3保证项目检查 2 项,2 项均符合设计及法律规范要求。基本项目检查 1 项,其中优良 1 项,优良率 1 %允许偏差项目实测 10 点,其中合格 10 点,合格率 1 %检查结论专业技术负责人:年 月 日验收结论监理工程师年 月 日(RFJ01 —22 ) 4.9-2国家人防质监站监制钢筋焊接分项工程质量验收记录表工程名称缤纷亚洲休闲广场二期工程结构类型框架地上七层地下一层部 位B、C 区墙体柱施工单位江苏东河建设工程有限公司项目经理王成亚项目技术负责人韦登山分包单位分包单位负责人分包项目经理保 证项目项目质量情况1钢筋的品种、质量、焊条焊剂的牌号、性能、钢板、型钢质量必须符合有关标准规定钢筋的品种、质量、焊条、焊剂的牌号、性能、钢板、型钢质量符合有关标准规定2钢筋焊接接头、焊接制品的机械性能必须符合焊接的规定钢筋焊接接头、焊接制品的机械性能符合焊接的规定基本项目项目质量情况-等级1钢筋网和骨架焊接123456 789102钢筋焊接接头点焊焊点对焊接头5055 555 050优良电弧焊接头优良电渣压力焊接头5055 555 555优良埋弧压力焊接头+8 允许偏差项目项 目允许偏差(mm )实测 4帛差,'直(mm )123456789101网的长度、宽度+ 102+4 +68+5+11-+5+6-32网眼尺寸+ 10+6—5—4+5—5+8 —20+5—63...

1、当您付费下载文档后,您只拥有了使用权限,并不意味着购买了版权,文档只能用于自身使用,不得用于其他商业用途(如 [转卖]进行直接盈利或[编辑后售卖]进行间接盈利)。
2、本站所有内容均由合作方或网友上传,本站不对文档的完整性、权威性及其观点立场正确性做任何保证或承诺!文档内容仅供研究参考,付费前请自行鉴别。
3、如文档内容存在违规,或者侵犯商业秘密、侵犯著作权等,请点击“违规举报”。

碎片内容

钢筋焊接分项工程质量验收记录

领读文化+ 关注
实名认证
内容提供者

传播文化,铸就未来

确认删除?
VIP
微信客服
  • 扫码咨询
会员Q群
  • 会员专属群点击这里加入QQ群
客服邮箱
回到顶部