电脑桌面
添加小米粒文库到电脑桌面
安装后可以在桌面快捷访问

钢结构厂房施工组织设计2

钢结构厂房施工组织设计2_第1页
1/23
钢结构厂房施工组织设计2_第2页
2/23
钢结构厂房施工组织设计2_第3页
3/23
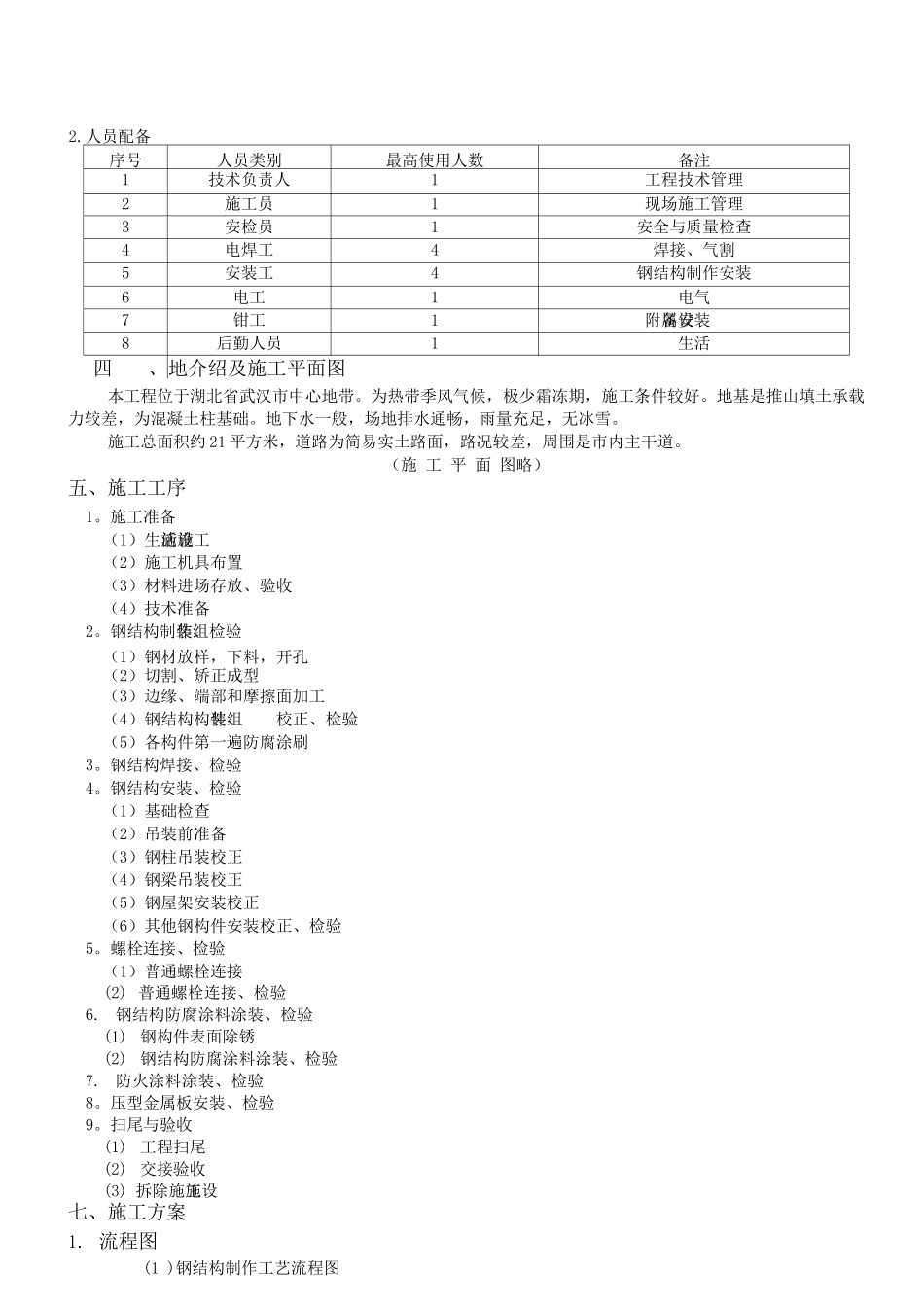
单层钢结构厂房施项目名称:郑桥村农村股份制改革扶持集体经济进展试点项目工程名称:仙居县横溪镇郑桥村编制单位:宁波金阳钢结构有限公司编制人^阮朋日 期: 2025 年 9 月 18 日审定:审核:工程概况1.工程名称2-工程地点3-工程简介二、工程施工中的技术法律规范和标准三、施工机具和人员配备1.施工机具2.人员配备四、施工平面图及场地简介五、施工工序六、施工进度计划表七、施工方案工组织设计1.工艺流程图2.施工准备3.钢结构构件制作、组装、检验4.钢结构焊接、检验5.钢结构安装、检验6.螺栓连接、检验7.钢结构防腐涂料涂装、检验8.钢结构防火涂料涂装、检验9.压型金属板安装、检验八、钢结构质量施工管理九、钢结构安全施工管理十、钢结构环境保护文明施工管理一、工程概况1.工程名称:钢结构临时办公室制作安装工程2.工程地点:郑桥村农村股份制改革扶持村集体经济进展试点项目施工场地3.工程简介:本工程为单层钢结构金属压型钢板车间,钢柱、主梁均采纳 H 型钢;楼层采纳工字钢和槽钢,均采纳高强度螺栓连接;檩条为 C 型钢,用普通螺栓连接固定;屋、墙面板为保温金属压型钢板,用自攻螺钉连接固定;拉条为圆钢;角撑为角钢;基础为框架柱基础,与柱连接为预埋板地锚螺栓连接。车间长为 68 米,宽为 28 米,檐高 5 米,共三层;人字形屋面,坡度 10%;窗采纳铝合金推拉窗,门为钢结构夹层门。本工程安全等级为二级,H 型钢为外购件,其他钢构件为现场加工.二、施工中执行的技术标准、规程、法律规范1.设计图纸及设计说明文件2.《钢结构工程施工质量验收法律规范》(GB50205-21 )3.《建筑钢结构焊接技术规程》(JGJ81-22 )4.《钢结构制作工艺规程》(DBJ08-16-95 )5.《结构工程质量检测评定标准》(GB50221-95 )6.《钢结构高强度螺栓连接的设计、施工及验收规程》(JGJ82-91)7.《建筑工程施工质量验收统一标准》(GB503-21)8.《压型金属板设计施工规程》(YBJ216 —88)9.《涂装前钢材表面锈蚀等级和除锈等级》(GB8923 )10.《钢结构防火涂料应用技术规程》CECS24:9011.工程合同有关语文件三、施工机具和人员配置1.主要施工机具机具名称型号规格数量设备能力进场时间备注沟通电焊机BX2-3F3212025.12砂轮切割机ZH-15010。52025。 12手电钻JL2-KP0930.32025.12手提切割机Z12-ST-1A10。32025。 12扭矩板手SCF —III 型12025。 12手动板手15#、 18#82025。 12手提磨光机①12550。32025。 12水准仪J612025。 12经纬仪D52...

1、当您付费下载文档后,您只拥有了使用权限,并不意味着购买了版权,文档只能用于自身使用,不得用于其他商业用途(如 [转卖]进行直接盈利或[编辑后售卖]进行间接盈利)。
2、本站所有内容均由合作方或网友上传,本站不对文档的完整性、权威性及其观点立场正确性做任何保证或承诺!文档内容仅供研究参考,付费前请自行鉴别。
3、如文档内容存在违规,或者侵犯商业秘密、侵犯著作权等,请点击“违规举报”。

碎片内容

钢结构厂房施工组织设计2

确认删除?
VIP
微信客服
  • 扫码咨询
会员Q群
  • 会员专属群点击这里加入QQ群
客服邮箱
回到顶部