电脑桌面
添加小米粒文库到电脑桌面
安装后可以在桌面快捷访问

防撞墙吊篮施工方案

防撞墙吊篮施工方案_第1页
1/6
防撞墙吊篮施工方案_第2页
2/6
防撞墙吊篮施工方案_第3页
3/6
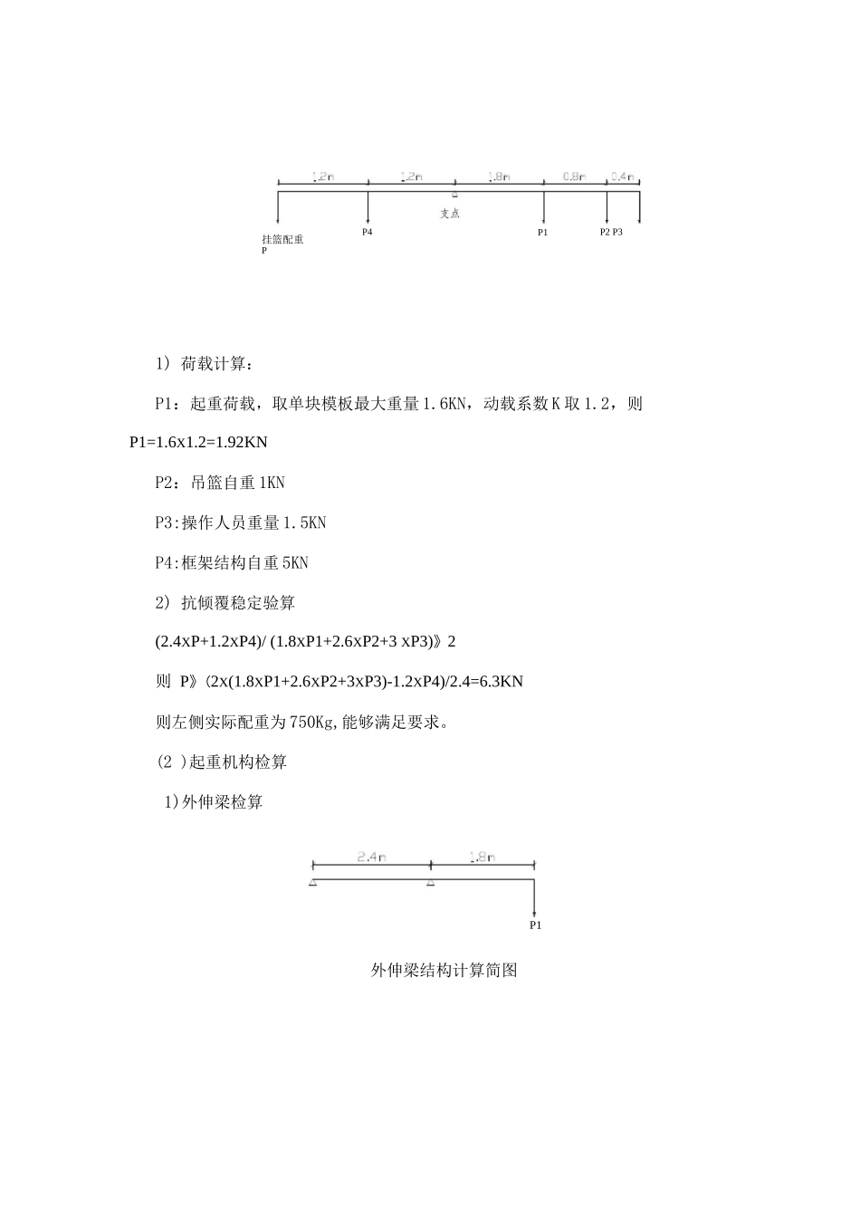
建设工程防撞护栏吊篮施工方案1 工程概况为配合防撞护栏的施工,本工程拟采纳自制吊篮进行护栏模板的安装、拆除。针对吊篮搭设、使 用的过程中存在着高空坠落、物体打击等重大危险,为指导吊篮施工,特制定本施工方案。2 编制依据1、本工程施工组织设计2、《GB19155-23 高处作业吊篮》3、JG5027-92 高处作业吊篮安全规则3 吊篮结构检算1、吊篮结构左侧主体结构采纳 14a 槽钢焊接的 2.4m*4m*3m 整体框架结构,在底部安装 四只滑轮,上部起重部位采纳 16 号工字钢作为起重吊臂,固定在框架结构顶端,额 定起重量 250Kg。右侧悬空部位安装一只吊篮以利人员操作。吊篮吊钩部位采纳 16 #圆钢,其余部位均采纳 6.3*6.3等边角钢及 12#钢筋焊接组成。2、结构检算本结构为专为施工设计,为准确掌握该架体的性能,在其安装和使用之前对该 吊篮施工设计进行检算。主要检算内容包括“架体倾覆稳定性、起重机构”两个方面的内容。对于该架体各检算部位受力状态取所有荷载同时布置在结构受力最不利部位。(1) 架体倾覆稳定性验算1) 荷载计算:P1:起重荷载,取单块模板最大重量 1.6KN,动载系数 K 取 1.2,则P1=1.6X1.2=1.92KNP2:吊篮自重 1KNP3:操作人员重量 1.5KNP4:框架结构自重 5KN2) 抗倾覆稳定验算(2.4XP+1.2XP4)/ (1.8XP1+2.6XP2+3 XP3)》2则 P》(2X(1.8XP1+2.6XP2+3XP3)-1.2XP4)/2.4=6.3KN则左侧实际配重为 750Kg,能够满足要求。(2 )起重机构检算1)外伸梁检算外伸梁结构计算简图P1挂篮配重PP4P1P2 P3W=141cm3l = 1130cm4M = -P1xa = 1.92 x 1.8 = -3.46KN - m则 o=M/W= 3.46 x 10/( 141 x 10-6)=24.5MPa<[o]=170MPaf =P1xa2x(L+a)/(3EI)=1.92 x 10 x 1.82 x(1.8+2.4)/(3 x 2 x 1011 X 1130 x 10-8)= 3.85mm钢丝绳受到的拉力值 1.92kN,满足要求。4 吊篮安装与拆除1、吊篮安装(1)吊篮搭设构造必须遵照专项安全施工方案规定,组装或拆除时,应三人配 合操作,严格按搭设程序作业,任何人不...

1、当您付费下载文档后,您只拥有了使用权限,并不意味着购买了版权,文档只能用于自身使用,不得用于其他商业用途(如 [转卖]进行直接盈利或[编辑后售卖]进行间接盈利)。
2、本站所有内容均由合作方或网友上传,本站不对文档的完整性、权威性及其观点立场正确性做任何保证或承诺!文档内容仅供研究参考,付费前请自行鉴别。
3、如文档内容存在违规,或者侵犯商业秘密、侵犯著作权等,请点击“违规举报”。

碎片内容

防撞墙吊篮施工方案

您可能关注的文档

确认删除?
VIP
微信客服
  • 扫码咨询
会员Q群
  • 会员专属群点击这里加入QQ群
客服邮箱
回到顶部