电脑桌面
添加小米粒文库到电脑桌面
安装后可以在桌面快捷访问

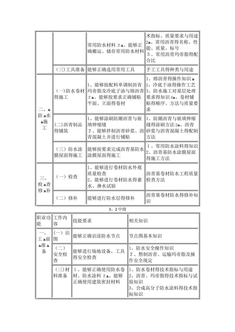
防水工职业标准

防水工职业标准_第1页
1/7
防水工职业标准_第2页
2/7
防水工职业标准_第3页
3/7
防水工职业标准1、 职业概况1、1 职业名称 防水工。1、2 职业定义 使用工具与机具,对建筑物、构筑物得防水部位涂刷、摊铺防水材料得人员。1、3 职业等级 本职业共设四个等级,分别为:初级(国家职业资格五级)、中级(国家职业资格四级)、高级(国家职业资格三级)。ﻫ1、4 职业环境ﻫ 室内,室外。ﻫ1、5 职业能力特征 具有一定学习能力,较强得空间感与计算能力,准确得分析、推理、推断能力,手指、手臂灵活。ﻫ1、6 基本文化程度ﻫ 初中毕业。ﻫ1、7 培训要求ﻫ1、7、1 培训期限 根据其培训目标与教学计划确定。ﻫ1、7、2 培训老师ﻫ 培训初级、中级得老师应具有本职业高级以上职业资格证书;培训高级得老师应具有本职业技师职业资格证书或相关专业中级专业技术职务任职资格;培训技师得老师应具有本职业技师职业资格证书 3 年以上或相关专业高级专业技术职务任职资格。1、7、3 培训场地设备 理论知识培训在标准教室进行;技能操作培训场所应为具有相应得设备与必要工具、通风良好、安全设施完善得场所1、8 鉴定要求ﻫ1、8、1 适用对象 从事或准备从事本职业得人员。1、8、2 申报条件ﻫ ——初级(具备以下条件之一者)(1)经本职业初级正规培训达规定标准学时数,并取得毕(结)业证书。)ﻫ2)从事本职业学徒期满.)ﻫ3)连续从事本职业2年以上。ﻫ ——中级(具备以下条件之一者)(1)取得本职业初级职业资格证书后,连续从事本职业工作 2 年以上,经本职业中级正规培训达规定标准学时数,并取得毕(结)业证书.l(2)取得本职业初级职业资格证书后,连续从事本职业工作 3 年以上。(3)连续从事本职业工作 6 年以上。)ﻫ4(取得经劳动保障行政部门审核认定得、以中级技能为培育目标得中等职业学校本职业(专业)毕业证书。 -—高级)具备以下条件之一者)(1)取得本职业中级职业资格证书后,连续从事本职业工作 3 年以上,经本职业高级正规培训达规定标准学时数,并取得毕(结)业证书.)2)取得本职业中级职业资格证书后,连续从事本职业工作4年以上。(3)取得高级技工学校或经劳动保障行政部门审核认定得、以高级技能为培育目标得高等职业学校本职业)专业)毕业证书。 1、8、3 鉴定方式ﻫ 分为理论知识考试与技能操作考核。理论知识考试采纳闭卷笔试方式,技能操作考核采纳现场实际操作方式。理论知识考试与技能操作考核均实行百分制,成绩皆达 60 分及以上者为合格。技师还须通过综合评审.1、8...

1、当您付费下载文档后,您只拥有了使用权限,并不意味着购买了版权,文档只能用于自身使用,不得用于其他商业用途(如 [转卖]进行直接盈利或[编辑后售卖]进行间接盈利)。
2、本站所有内容均由合作方或网友上传,本站不对文档的完整性、权威性及其观点立场正确性做任何保证或承诺!文档内容仅供研究参考,付费前请自行鉴别。
3、如文档内容存在违规,或者侵犯商业秘密、侵犯著作权等,请点击“违规举报”。

碎片内容

防水工职业标准

确认删除?
VIP
微信客服
  • 扫码咨询
会员Q群
  • 会员专属群点击这里加入QQ群
客服邮箱
回到顶部