电脑桌面
添加小米粒文库到电脑桌面
安装后可以在桌面快捷访问

静压桩旁站记录

静压桩旁站记录_第1页
1/36
静压桩旁站记录_第2页
2/36
静压桩旁站记录_第3页
3/36
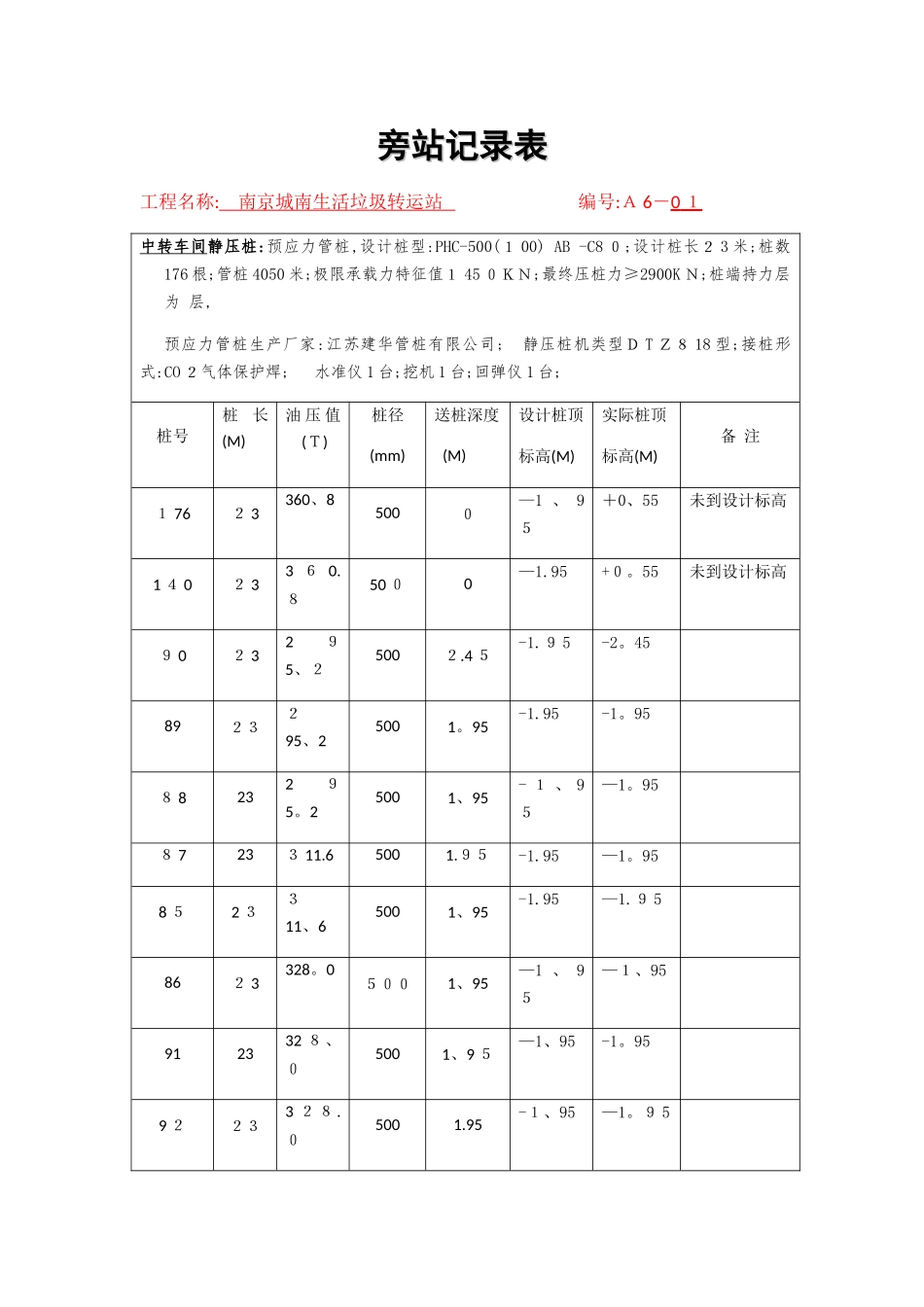
旁站记录表旁站记录表 工程名称: 南京城南生活垃圾转运站 编号:A 6-0 1 中转车间静压桩:预应力管桩,设计桩型:PHC-500(1 00) AB -C8 0;设计桩长2 3 米;桩数176 根;管桩 4050 米;极限承载力特征值1 45 0KN;最终压桩力≥2900K N;桩端持力层为 层,预应力管桩生产厂家:江苏建华管桩有限公司; 静压桩机类型D T Z8 18 型;接桩形式:CO 2气体保护焊; 水准仪 1 台;挖机 1 台;回弹仪 1 台;桩号桩长(M)油 压 值(T)桩径(mm)送桩深度(M)设计桩顶标高(M)实际桩顶标高(M)备 注1 762 3360、85000—1 、 95+0、55未到设计标高1 4 02 33 6 0.850 00—1.95+0。55未到设计标高9 02 3295、25002.4 5-1.9 5-2。458923295、25001。95-1.95-1。958 823295。25001、95- 1 、 95—1。958 7233 11.65001.95-1.95—1。958 52 3311、65001、95-1.95—1.9 5862 3328。05001、95—1 、 95—1、95912332 8、05001、9 5—1、95-1。959 2233 2 8 .05001.95-1、95—1。9 513 923360。85001、3 5—1、95-1、35未到设计标高本页汇总 1 1棵施工情况:现场施工人员 17 人; 静压机 1 台; 发电机组 1 台;施工工艺为:测定桩位→压装机就位调平→验桩→吊桩→桩就位、对中调直→压桩→ (接桩) →送桩→记录→拨送桩杆.压桩时,各工序连续进行,严禁中途停压、旁站监理情况:1、桩定位控制;2、压桩过程检验;3、焊接桩检验;4、压桩过程中检查压力、桩垂直度、接桩间歇时间、桩得连接质量及压入深度、发现问题及处理情况:1 7 6#、1 4 0#、139#未到设计标高,但最终压力值达到 360、8T;超过最终压桩力≥2900 K N 得设计值;旁站监理人员(签字): 201 4年 6 月1 9 日 江苏省住房与城乡建设厅监制旁站记录表 旁站记录表 工程名称: 南京城南生活垃圾转运站 编号:A 6—0 2 中转车间静压桩:预应力管桩,设计桩型:PHC-500-AB-(100)—C 80;设计桩长 23 米;桩数176 根;极限承载力特征值 1450KN;最终压桩力≥29 00 KN;桩端持力层为 层,预应力管桩生产厂家:江苏建华管桩有限公司; 静压桩机类型 D T Z818 型;接桩形式:CO2气体保护焊; 水准仪 1 台;挖机 1 台;回弹仪 1 台;桩号桩长(M)油 压 值(T)桩径(mm)送桩深度(M)设计桩顶标高(M)实际桩顶标高(M)备注17523360.85000。1 5—1。95—0...

1、当您付费下载文档后,您只拥有了使用权限,并不意味着购买了版权,文档只能用于自身使用,不得用于其他商业用途(如 [转卖]进行直接盈利或[编辑后售卖]进行间接盈利)。
2、本站所有内容均由合作方或网友上传,本站不对文档的完整性、权威性及其观点立场正确性做任何保证或承诺!文档内容仅供研究参考,付费前请自行鉴别。
3、如文档内容存在违规,或者侵犯商业秘密、侵犯著作权等,请点击“违规举报”。

碎片内容

静压桩旁站记录

您可能关注的文档

确认删除?
VIP
微信客服
  • 扫码咨询
会员Q群
  • 会员专属群点击这里加入QQ群
客服邮箱
回到顶部