电脑桌面
添加小米粒文库到电脑桌面
安装后可以在桌面快捷访问

顶管施工记录

顶管施工记录_第1页
1/10
顶管施工记录_第2页
2/10
顶管施工记录_第3页
3/10
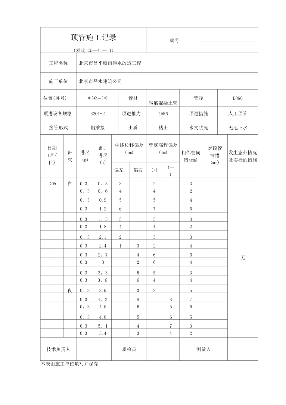
顶管施工记录(表式 C5—4 —11)编号工程名称北京市昌平镇雨污水改造工程施工单位北京市昌水建筑公司位置(桩号)0+542 — 0+6管材钢筋混凝土管管径D880顶进设备规格320T-2顶进推力45KN顶进措施人工顶管接管形式钢乘接土质粘土水文状况无地下水日期(月/日)班次进尺(m)累计进尺(m)中线位移偏差(mm)管底高程偏差(mm)相邻管间错(mm)对顶管节错(mm)发生意外情况及实行的措施偏左偏右(+)(—)12/19白0.30。3323无0。30。64420。30.95540.31.26750.31。55530.31.84420。32.12330.32.413240.32。74660.332640.33。35530.33。6644夜0。33.93250.34。28370。34.56560。34.85650.35。14730.35.4342技术负责人质检员测量人本表由施工单位填写并保存.顶管施工记录(表式 C5—4-11)编号工程名称北京市昌平镇雨污水改造工程施工单位北京市昌水建筑公司位置(桩号)0+542 — 0+6管材钢筋混凝土管管径D880顶进设备规格320T — 2顶进推力45KN顶进措施人工顶管接管形式钢乘接土质粘土水文状况无地下水日期(月/日)班次进尺(m)累计进尺(m)中线位移偏差(mm)管底高程偏差(mm)相邻管间错(mm)对顶管节错(mm)发生意外情况及实行的措施偏左偏右(+)(-)0。35.7164无0。362430.36。33350。36.65240。36。95630。37。241720.37。53430.37.873412/20白0.38.18340。38.47260.38。76270。395440。39。33610。39。62720。39.91840.310。26650.310.56560.310。8447技术负责人质检员测量人本表由施工单位填写并保存。顶管施工记录编号(表式 C5-4-11)工程名称北京市昌平镇雨污水改造工程施工单位北京市昌水建筑公司位置(桩号)0+542-0+6管材钢筋混凝土管管径D880顶进设备规格320T-2顶进推力45KN顶进措施人工顶管接管形式钢乘接土质粘土水文状况无地下水日期(月/日)班次进尺(m)累计进尺(m)中线位移偏差(mm)管底高程偏差(mm)相邻管间错(mm)对顶管节错(mm)发生意外情况及采取的措施偏左偏右(+)(-)0.311。122无0。311.41230。311。7234夜0。3123420。312.34310.312。65540.312.93750。313.25540.313。56430.313.86340。314.16630。314.47720.314.78550.3154460.315.33340.315.6244312/21白0。315。94620。316.2455技术负责人质检员测量人本表由施工单位填写并保存。顶管施工记录编号(表式 C5-4 —11 )工程名称北京市昌平镇雨污水改造工程施工单位北京市昌水建筑公司位置(桩号)0+542 — 0+6管材钢筋混凝土管管径D880顶进设备规格320T-2顶进推力45K...

1、当您付费下载文档后,您只拥有了使用权限,并不意味着购买了版权,文档只能用于自身使用,不得用于其他商业用途(如 [转卖]进行直接盈利或[编辑后售卖]进行间接盈利)。
2、本站所有内容均由合作方或网友上传,本站不对文档的完整性、权威性及其观点立场正确性做任何保证或承诺!文档内容仅供研究参考,付费前请自行鉴别。
3、如文档内容存在违规,或者侵犯商业秘密、侵犯著作权等,请点击“违规举报”。

碎片内容

顶管施工记录

确认删除?
VIP
微信客服
  • 扫码咨询
会员Q群
  • 会员专属群点击这里加入QQ群
客服邮箱
回到顶部