电脑桌面
添加小米粒文库到电脑桌面
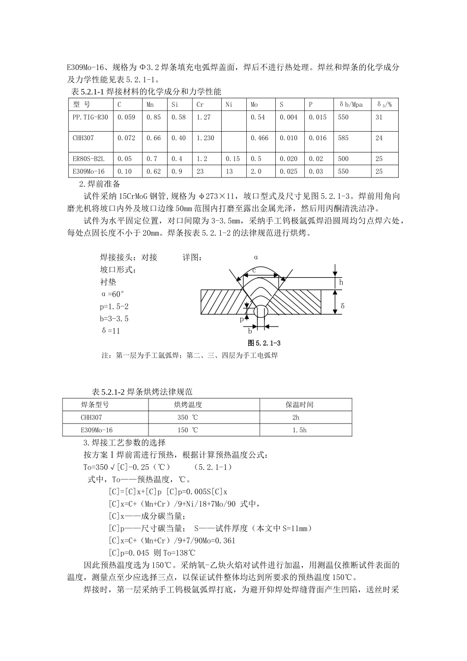
安装后可以在桌面快捷访问

15CrMoG耐热钢管道焊接施工工法

15CrMoG耐热钢管道焊接施工工法_第1页
1/9
15CrMoG耐热钢管道焊接施工工法_第2页
2/9
15CrMoG耐热钢管道焊接施工工法_第3页
3/9
15CrMoG 耐热钢管道焊接施工工法 1 前 言耐热钢中以珠光体铬钼耐热钢应用最广,因为这类钢一般适用于 350-550℃之间,同时,这类钢的合金元素含量相对较少,一般都属于低合金钢的范畴,因为合金钢是在碳钢中加入少量的合金元素,钢的性能就发生了变化,就得到了碳钢所没有的性能,即耐高温、抗氧化、抗蠕化和良好的持久强度,由于合金元素小于 3.5%,所以称作低合金,简称合金钢。它的耐热性和强度均超过不锈钢,但是价格比不锈钢便宜得多,适用于在各种高温高压条件下工作的介质管道。例如在攀钢煤化工厂外线工艺管道施工项目中,该工程管道 φ273×11 共 1200米,其设计温度为 480℃,设计压力为 5.5Mpa,并且管道材质为 15CrMoG 耐热合金钢,这类高温高压的特别材质管道以前我公司未施工过,所以还没有完善和成熟的施工工艺及经验可以借鉴。由于合金钢的化学成分和性能与碳素钢、不锈钢存在较大的区别,所以施工15CrMoG 耐热合金钢的焊接工艺及步骤都比碳素钢、不锈钢要求更高,也更严格和复杂。因此掌握此项新技术、新工艺中所有技术参数是具有较大的技术难题。为了保证焊接质量,公司成立了专题攻关技术小组,开展科技创新,取得了“15CrMoG耐热钢管道焊接技术”这一新成果,并且该技术于 2025 年通过攀钢冶金技术有限公司(原攀冶建公司)科技质量部组织的科技成果鉴定,获公司科技进步一等奖;在 2025 年 4 月全国冶金施工系统 QC 成果发布会上获得二等奖。该技术填补了我公司在 15CrMoG 耐热合金钢焊接技术方面的空白,优化了生产工艺,提高了劳动生产率,保证了焊接质量,为公司制造了良好的社会效益和经济效益。2 工法特点2.1 由于 15CrMoG 钢中含有较高含量的 Cr、C 和其它合金元素,钢材的淬硬倾向较明显,焊接接头淬硬倾向大,可能出现冷裂纹,因此 15CrMoG 钢焊接时,焊接材料的选择和严格的工艺措施,对于防止焊缝产生裂纹,保证管道使用性能至关重要。所以 15CrMoG 耐热合金钢与碳素钢、不锈钢等管道相比不管从施工工艺还是施工时所使用的工机具要求都更高,也更复杂。因此通过本工法的实施,使我公司的管道施工综合能力得到很大的提高,填补了我公司在15CrMoG 耐热合金钢安装技术方面的空白,优化了生产工艺,提高了劳动生产率,保证了焊接质量,为公司制造良好的社会效益。更为今后公司施工同类管道奠定了坚实的基础,提高了市场竞争能力。2.2 本工法贯彻实施后,使我公司得以熟练掌握 15CrMoG...

1、当您付费下载文档后,您只拥有了使用权限,并不意味着购买了版权,文档只能用于自身使用,不得用于其他商业用途(如 [转卖]进行直接盈利或[编辑后售卖]进行间接盈利)。
2、本站所有内容均由合作方或网友上传,本站不对文档的完整性、权威性及其观点立场正确性做任何保证或承诺!文档内容仅供研究参考,付费前请自行鉴别。
3、如文档内容存在违规,或者侵犯商业秘密、侵犯著作权等,请点击“违规举报”。

碎片内容

15CrMoG耐热钢管道焊接施工工法

您可能关注的文档

人从众+ 关注
实名认证
内容提供者

欢迎光临小店,本店以公文和教育为主,希望符合您的需求。

确认删除?
VIP
微信客服
  • 扫码咨询
会员Q群
  • 会员专属群点击这里加入QQ群
客服邮箱
回到顶部