电脑桌面
添加小米粒文库到电脑桌面
安装后可以在桌面快捷访问

2025年度设备缺陷分析报告

2025年度设备缺陷分析报告_第1页
1/12
2025年度设备缺陷分析报告_第2页
2/12
2025年度设备缺陷分析报告_第3页
3/12
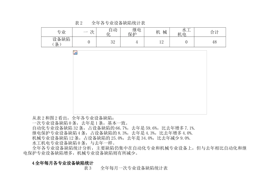
2025 年度设备缺陷分析报告1 概述本年度电站机电设备总体情况良好,设备运行比较稳定可靠,设备缺陷与去年持平。重大缺陷和紧急缺陷很少,大多为一般性缺陷。对设备运行过程中发生的缺陷,需要我们仔细的进行分析和总结,全面地掌握设备状况 ,探讨减少设备缺陷发生的概率,不断提升设备管理水平。2 全年每月各站设备缺陷统计 表 1 全年每月机电设备缺陷统计表月份1月2月3月4月5月6月7月8月9月10 月11 月12 月各站总计设备缺陷(条)33691715433348图1 全年每月机电设备缺陷统计图表31325189431733691715433302468101月2月3月4月5月6月7月8月9月10月11月12月设备缺陷(条)2010年2011年从表 1 和图 1 看出,全年每月机电设备缺陷发生概率基本均匀,但在 3、4、6 月份发生的缺陷较多。今年的机电设备缺陷是 48 条,2025 年机电设备缺陷是 47 条,今年机电设备缺陷与去年持平。3 全年各专业设备缺陷统计分析 表 2 全年各专业设备缺陷统计表 从表 2 和图 2 看出,全年各专业设备缺陷:一次专业设备缺陷 0 条,去年是 1 条,基本一致。自动化专业设备缺陷 32 条,占设备缺陷的 66.7%,去年是 59.6%,比去年增多 7.1%.继电保护专业设备缺陷 4 条,占设备缺陷的 8.3%,去年是 4.3%,比去年增多 4.0%.机械专业设备缺陷 12 条,占设备缺陷的 25.0%,去年是 34.0%,比去年减少 9.0%.水工机电专业设备缺陷 0 条,与去年一样。全年各专业设备缺陷统计分析,主要缺陷仍集中在自动化专业和机械专业设备上,但与去年相比自动化和继电保护专业设备缺陷增多,机械专业设备缺陷则有所减少。4 全年每月各专业设备缺陷统计 表 3 全年每月一次专业设备缺陷统计表专业一 次自动化继电保护机 械水工机电合计设备缺陷(条)032412048从表 3 看出,一次专业设备无缺陷发生。 表 4 全年每月自动化专业设备缺陷统计表从表 4 看出,自动化专业设备缺陷 32 条,设备缺陷在 3、4 月份发生的较多。主要是计算机监控系统参数设置不当,励磁设备故障,调速器测频模块损坏,励磁装置故障,温控器、温包、电磁阀、行程开头、浮子等自动化元器件损坏。 表 5 全年每月继电保护专业设备缺陷统计表从表 5 看出,继电保护专业设备缺陷 4 条。主要是转子绝缘测量回路故障,插口接触不良,回路设计不合理等。月份1月2月3月4月5月6月7月8月9月10 月11 月12 月各站总计一次0000000000000月份1月2月3月4月5月6...

1、当您付费下载文档后,您只拥有了使用权限,并不意味着购买了版权,文档只能用于自身使用,不得用于其他商业用途(如 [转卖]进行直接盈利或[编辑后售卖]进行间接盈利)。
2、本站所有内容均由合作方或网友上传,本站不对文档的完整性、权威性及其观点立场正确性做任何保证或承诺!文档内容仅供研究参考,付费前请自行鉴别。
3、如文档内容存在违规,或者侵犯商业秘密、侵犯著作权等,请点击“违规举报”。

碎片内容

2025年度设备缺陷分析报告

确认删除?
VIP
微信客服
  • 扫码咨询
会员Q群
  • 会员专属群点击这里加入QQ群
客服邮箱
回到顶部