电脑桌面
添加小米粒文库到电脑桌面
安装后可以在桌面快捷访问

7448简易编程手册(全)

7448简易编程手册(全)_第1页
1/3
7448简易编程手册(全)_第2页
2/3
7448简易编程手册(全)_第3页
3/3
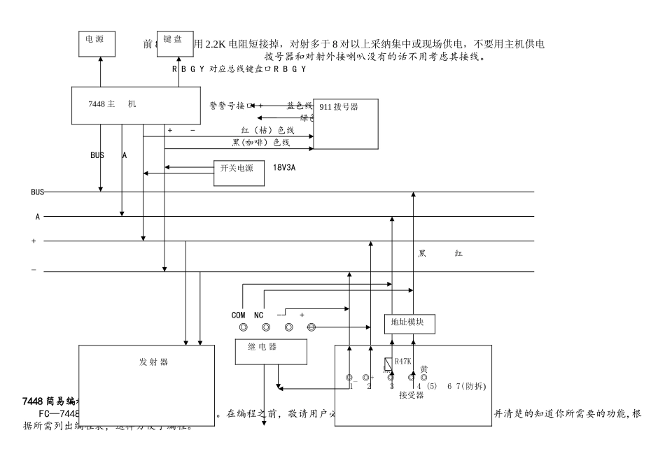
前 8 个防区用 2.2K 电阻短接掉,对射多于 8 对以上采纳集中或现场供电,不要用主机供电 拨号器和对射外接喇叭没有的话不用考虑其接线。 R B G Y 对应总线键盘口 R B G Y 警警号接口 + 蓝色线 —— 绿色线 + - 红(桔)色线 黑(咖啡)色线BUS A18V3ABUSA+黑 红 _COM NC -- +◎ ◎ ◎ ◎ 黑 黄7448 简易编程:FC—7448 报警主机的编程并是很不复杂。在编程之前,敬请用户必须先详细地阅读安装使用说明书,并清楚的知道你所需要的功能,根据所需列出编程表,这样方便于编程。电 源键 盘 7448 主 机开关电源 发 射 器 R47K 黑 黄◎_ ◎+ ◎ ◎ ◎ 1 2 3 4 (5) 6 7(防拆) 接受器 继 电 器地址模块911 拨号器编程前请仔细阅读说明书,正确的接好连线。(正确接好连线是编好程序的前提)。假如是第一次使用 FC-7448 主机,在编程完成前,建议安装技术人员不要将探测器接入主机,只需要将线尾电阻和扩展模块接在主上就可以,将主机调试好后,在将探测器接入防区,这样假如系统有故障,有利于工程技术人员推断是主机系统故障还是探测器故障。一、 正常布防:密码(1234)+“布防”键。二、 撤防和消警:密码(1234)+“撤防”键。三、 强制布防:密码(1234)+“布防”键+“旁路”键四、 防区旁路:密码(1234)+“旁路”键+XXX(防区号,且一定是三位数,如 008)五、 进入编程和退出编程:进入编程是 9876#0 (密码 + # 0 ) , 退出编程是按“*”四秒钟,听到“嘀”一声表示已退出编程.六、 如何填写数据:FC-7448 主机的编程地址一定是四位数,地址的数据一定是两位数。进入编程后,键盘的灯都会闪动,LCD 显示:Prog Mode 4。05 Adr= Adr=后面的就是要写上去的四位数的地址.输入地址后,接着输入 21# 则会交替显示该地址上的两位数据;或者按“#"则可以出现数据 1;再按“#”则可出现数据 2。(出厂值,可以通过编程改变的),然后自动跳到下一个地址。假如需要对某些地址编程,则需连续按两次“*”则可以回到 Prog Mode 4。05 Adr= 。 七、 确定防区的功能:(地址是 0001—0030),所谓防区功能就是该防区是延时防区、即时防区、24 小时防区等等。其中 01 代表延时防区;03 代表周界即时防区;06 代表内部即时防区;07 代表 24 小时防区.(此项一般不用编写,用出厂值即可)八、 确定一个防区的功能:(地址是 0031-0278),0031 代表第一防区,...

1、当您付费下载文档后,您只拥有了使用权限,并不意味着购买了版权,文档只能用于自身使用,不得用于其他商业用途(如 [转卖]进行直接盈利或[编辑后售卖]进行间接盈利)。
2、本站所有内容均由合作方或网友上传,本站不对文档的完整性、权威性及其观点立场正确性做任何保证或承诺!文档内容仅供研究参考,付费前请自行鉴别。
3、如文档内容存在违规,或者侵犯商业秘密、侵犯著作权等,请点击“违规举报”。

碎片内容

7448简易编程手册(全)

确认删除?
VIP
微信客服
  • 扫码咨询
会员Q群
  • 会员专属群点击这里加入QQ群
客服邮箱
回到顶部