电脑桌面
添加小米粒文库到电脑桌面
安装后可以在桌面快捷访问

H61系列主板不上电不开机芯片级维修大全

H61系列主板不上电不开机芯片级维修大全_第1页
1/8
H61系列主板不上电不开机芯片级维修大全_第2页
2/8
H61系列主板不上电不开机芯片级维修大全_第3页
3/8
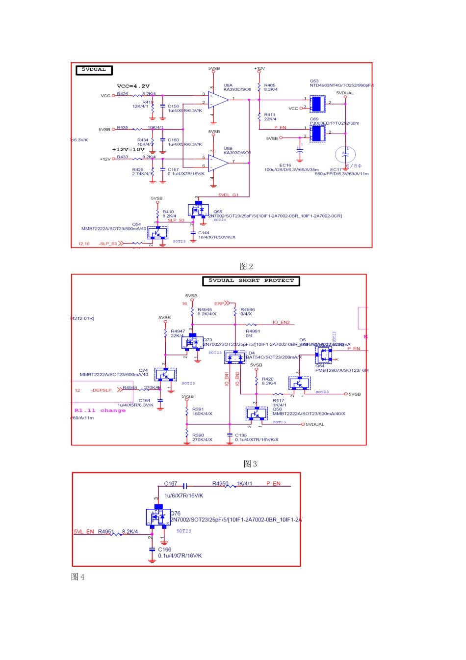
H6 1系列不上电、不开机维修大全目检不良板瞧不良板就是否有缺件,空焊,短路连锡,P C H 板有无撞伤,各元器件就是否有烧伤,就是否错料,芯片就是否反向及其它接触性及制程问题、对不良板进行放电操作,例如电池反装、然后量测基本电压阻抗有无对地、若有应该先把对地故障先排除、基本电压及V CORE,VTT 对地短路,VCORE&V TT 与+12V 短路皆会导致不上电、量测 5V D U A L 就是否有输出、 量测 3VDUAL_PCH 就是否有3、3 V 若无 按下列线路图进行维修, 3VDUAL_P C H 由5VSB 通过 Q62 直接转出,基本不受其它信号影响,这个比较好修、 需要注意量测 3VDU A L_P CH 对地阻抗就是否正常、量测 X 2晶振就是否起振,频率就是否为 32、768K HZ,若异常,按下列线路图进行维修 这个主要量测得地方有:R2 4 3 阻值就是否为 10MOH M,C 9 9&C98 就是否不良或被击穿,晶振就是否不良,Y1&Y2 与 PCH 之间就是否断线、注意需量测 Y 1&Y2 对地阻抗就是否正常、3、量测 PCH RTC 模块各信号电压就是否正常,如以下线路图所示:注意量测—R T C R S T, -SR T C R S T,P CH_DP W ROK,DSWVRMEN 电压就是否正常(一般为 3、0V—3、3 V之间),各信号与 PC H之间就是否有断线,一般量测各信号线之阻抗基本能推断出来。维修过程中最常见得问题有D 2 不良,C12 5&C 9 5被击穿,信号线与 PCH 之间断线、4、量测P CH 就是否有发出-DE P SLP 信号(一般电压为 3、3V),在P C H正常得情况下,满足1&2&3&条件,P C H 基本就能够发出-D E P S L P 信号, 维修过程中最常见得问题有 P C H 不良,信号线断线,及信号线对地短路、5、当—DEPSL P有高电平信号后就会通过一系列晶体管逻辑输出5 V DU AL,如下列线路图所示 图 1 图 2 图 3图 4 图55VDUA L上电前由 5VSB 通过Q 6 9转出,上电后 5 V DU A L 由 VC C通过 Q53 转出,其中 Q69为P沟道 M OS管(栅机第 3pin 为低电平常源机与漏极导通),Q53 为 N 沟道M OS 管(栅机第 3 pi n 为高电平常源机与漏极导通),如图2所示上电前 5VDUA L时序: -DE P S L P(H)> 5VL_EN(L) >P_E N(L)>5VDUAL(H)、其中 H 代表高电平,L 代表低电平、维修过程中遇到得特别现象:1、图2中 R 40 5 缺...

1、当您付费下载文档后,您只拥有了使用权限,并不意味着购买了版权,文档只能用于自身使用,不得用于其他商业用途(如 [转卖]进行直接盈利或[编辑后售卖]进行间接盈利)。
2、本站所有内容均由合作方或网友上传,本站不对文档的完整性、权威性及其观点立场正确性做任何保证或承诺!文档内容仅供研究参考,付费前请自行鉴别。
3、如文档内容存在违规,或者侵犯商业秘密、侵犯著作权等,请点击“违规举报”。

碎片内容

H61系列主板不上电不开机芯片级维修大全

您可能关注的文档

确认删除?
VIP
微信客服
  • 扫码咨询
会员Q群
  • 会员专属群点击这里加入QQ群
客服邮箱
回到顶部