电脑桌面
添加小米粒文库到电脑桌面
安装后可以在桌面快捷访问

噪音检测报告样本

噪音检测报告样本_第1页
1/3
噪音检测报告样本_第2页
2/3
噪音检测报告样本_第3页
3/3
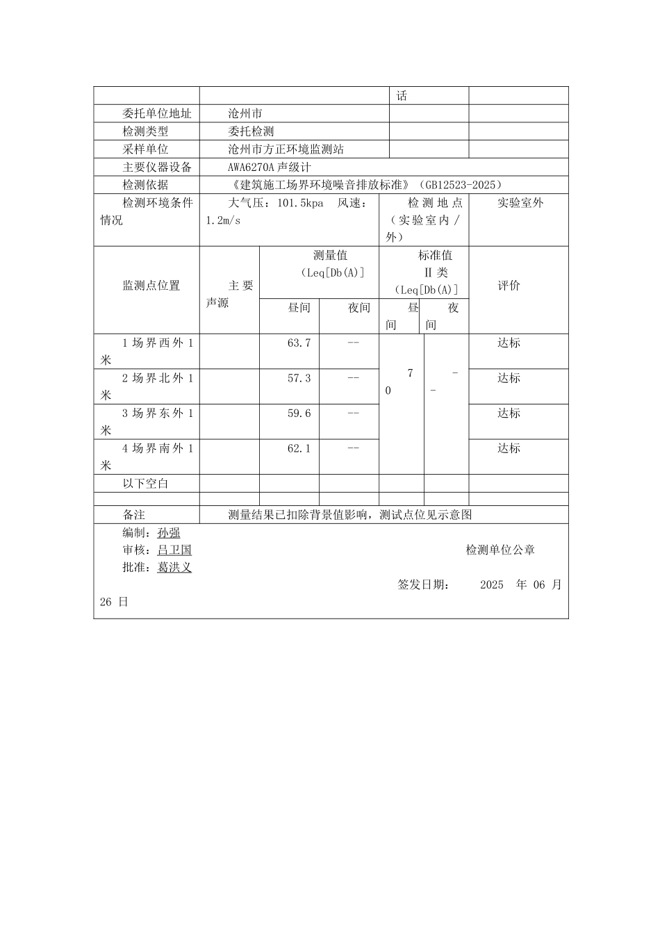
证书编号:2025062503U检 测 报 告(Test Report)方正(WX 检)字(2025)第 11122701 号样品名称 施工场区噪音(Sample Name)委托单位 沧州市方正环境监测站(Applicant)检测类型 委托检测(Test Type)发出日期 2025 年 06 月 25 日 (Issue Date) 沧州市方正环境监测站CangZhouShi Environmental Monitoring Co.,LTD沧州市方正环境监测站分析测试报告报告编号:方正(2025)第(11122701)号 第 1 页共 2 页委托单位大元建业集团股份有限公司联 系 电话委托单位地址沧州市检测类型委托检测采样单位沧州市方正环境监测站主要仪器设备AWA6270A 声级计检测依据《建筑施工场界环境噪音排放标准》(GB12523-2025) 检测环境条件情况大气压:101.5kpa 风速:1.2m/s检 测 地 点(实验室内∕外)实验室外监测点位置主 要声源测量值(Leq[Db(A)]标准值Ⅱ 类 (Leq[Db(A)]评价昼间夜间昼间夜间1 场界西外 1米63.7--70--达标2 场界北外 1米57.3--达标3 场界东外 1米59.6--达标4 场界南外 1米62.1--达标以下空白备注测量结果已扣除背景值影响,测试点位见示意图编制:孙强审核:吕卫国 检测单位公章批准:葛洪义 签发日期: 2025 年 06 月 26 日

1、当您付费下载文档后,您只拥有了使用权限,并不意味着购买了版权,文档只能用于自身使用,不得用于其他商业用途(如 [转卖]进行直接盈利或[编辑后售卖]进行间接盈利)。
2、本站所有内容均由合作方或网友上传,本站不对文档的完整性、权威性及其观点立场正确性做任何保证或承诺!文档内容仅供研究参考,付费前请自行鉴别。
3、如文档内容存在违规,或者侵犯商业秘密、侵犯著作权等,请点击“违规举报”。

碎片内容

噪音检测报告样本

您可能关注的文档

阳光书坊+ 关注
实名认证
内容提供者

阳光书坊,传播未来

确认删除?
VIP
微信客服
  • 扫码咨询
会员Q群
  • 会员专属群点击这里加入QQ群
客服邮箱
回到顶部