电脑桌面
添加小米粒文库到电脑桌面
安装后可以在桌面快捷访问

地下防水工程施工质量监理实施细则

地下防水工程施工质量监理实施细则_第1页
1/12
地下防水工程施工质量监理实施细则_第2页
2/12
地下防水工程施工质量监理实施细则_第3页
3/12
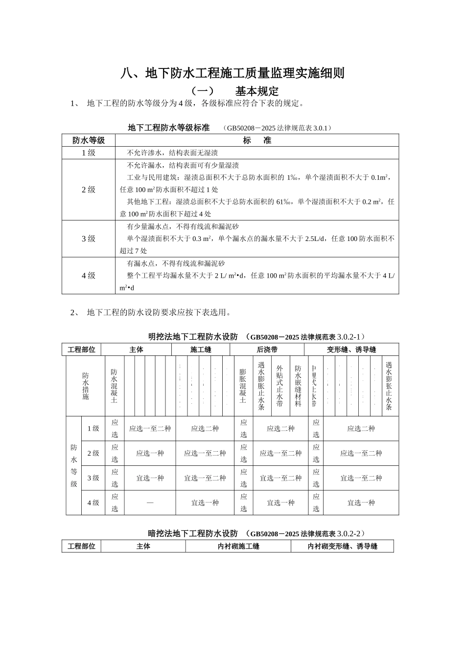
八、地下防水工程施工质量监理实施细则(一)基本规定1、 地下工程的防水等级分为 4 级,各级标准应符合下表的规定。 地下工程防水等级标准 (GB50208-2025 法律规范表 3.0.1)防水等级标 准1 级不允许渗水,结构表面无湿渍2 级不允许漏水,结构表面可有少量湿渍工业与民用建筑:湿渍总面积不大于总防水面积的 1‰,单个湿渍面积不大于 0.1m2,任意 100 m2防水面积不超过 1 处其他地下工程:湿渍总面积不大于总防水面积的 61‰,单个湿渍面积不大于 0.2 m2,任意 100 m2防水面积下超过 4 处3 级有少量漏水点,不得有线流和漏泥砂单个湿渍面积不大于 0.3 m2,单个漏水点的漏水量不大于 2.5L/d,任意 100 防水面积不超过 7 处4 级有漏水点,不得有线流和漏泥砂整个工程平均漏水量不大于 2 L/ m2•d,任意 100 m2防水面积的平均漏水量不大于 4 L/ m2•d2、 地下工程的防水设防要求应按下表选用。 明挖法地下工程防水设防 (GB50208-2025 法律规范表 3.0.2-1)工程部位主体施工缝后浇带变形缝、诱导缝防水措施防水混凝土防水砂浆防水卷材防水涂料塑料防水板金属板遇水膨胀止水条中埋式止水条外贴式止水带外抹防水砂浆外涂防水涂料膨胀混凝土遇水膨胀止水条外贴式止水带防水嵌缝材料中埋式止水带外贴式止水带可卸式止水带防水嵌缝材料外贴防水卷材外涂防水涂料遇水膨胀止水条防水等级1 级应选应选一至二种应选二种应选应选二种应选应选二种2 级应选应选一种应选一至二种应选应选一至二种应选应选一至二种3 级应选宜选一种宜选一至二种应选宜选一至二种应选宜选一至二种4 级应选—宜选一种应选宜选一种应选宜选一种 暗挖法地下工程防水设防 (GB50208-2025 法律规范表 3.0.2-2)工程部位主体内衬砌施工缝内衬砌变形缝、诱导缝防水措施复合式衬砌离壁式衬砌、衬砌贴壁式衬砌喷射混凝土外贴式止水带遇水膨胀止水条防水嵌缝材料中埋式止水带外涂防水涂料中埋式止水带外贴式止水带可卸式止水带防水嵌缝材料遇水膨胀止水条防水等级1 级应选一种—应选二种应选应选二种2 级应选一种—应选一至二种应选应选一至二种3 级—应选一种宜选一至二种应选宜选一种4 级—应选一种宜选一种应选宜选一种3、 地下防水工程施工前,施工单位应进行图纸会审,掌握工程主体及细部构造的防水技术要求,并编制防水工程的施工方案。4、 地下防水工程必须由相应资质的专业防水队伍进行施工;主要施工人员应持有建设...

1、当您付费下载文档后,您只拥有了使用权限,并不意味着购买了版权,文档只能用于自身使用,不得用于其他商业用途(如 [转卖]进行直接盈利或[编辑后售卖]进行间接盈利)。
2、本站所有内容均由合作方或网友上传,本站不对文档的完整性、权威性及其观点立场正确性做任何保证或承诺!文档内容仅供研究参考,付费前请自行鉴别。
3、如文档内容存在违规,或者侵犯商业秘密、侵犯著作权等,请点击“违规举报”。

碎片内容

地下防水工程施工质量监理实施细则

您可能关注的文档

确认删除?
VIP
微信客服
  • 扫码咨询
会员Q群
  • 会员专属群点击这里加入QQ群
客服邮箱
回到顶部