电脑桌面
添加小米粒文库到电脑桌面
安装后可以在桌面快捷访问

室内给水管道安装

室内给水管道安装_第1页
1/9
室内给水管道安装_第2页
2/9
室内给水管道安装_第3页
3/9
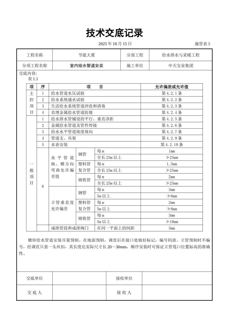
技术交底记录2025 年 10 月 15 日施管表 5工程名称节能大厦分部工程给水排水与采暖工程分项工程名称室内给水管道安装施工单位中天宝业集团交底内容:一、施工准备(一)作业条件1、 地下管道铺设必须在房心土回填夯实或挖到管底标高,沿管线铺设位置清理洁净,管道穿墙处巳留管洞或安装套管,其洞口尺寸和套管规格符合要求,坐标、标高正确。2、 暗装管道应在地沟盖板前或吊顶封闭前进行安装。3、 明装托、吊干管安装必须在安装层的结构顶板完成后进行。沿管线安装位置的模板及杂物清理洁净,托吊卡件均已安装牢固,位置正确。4、 立管安装宜在主体结构完成后进行。高层建筑在主体结构达到安装条件后,适当插入进行。每层均应有明确的标高线,暗装竖井管道,应把竖井内的模板及杂物清除洁净,并有防坠落措施。5、 支管安装应在墙体砌筑完毕墙面未装修前进行。(二)材料要求1、 铸铁给水管及管件质量标准应执行 YB/T5188、GB3287。其规格尺寸应符合设计要求,管壁厚度均匀,内外光滑洁净,不得有砂眼、裂纹、毛刺和疙瘩;承插口的内外径及管件应造型规矩,管内外表面的防腐涂层应洁净均匀,附着牢固。室外给水铸铁管安装多数采纳橡胶圈接口,管道与橡胶圈采纳同一厂家产品,已经配好橡胶圈。给水铸铁管件采纳自来水公司配套产品。手锤轻轻敲打,沙沙声说明质量不好,应检查是否有裂缝;用锤击断管壁,断面呈灰色,组织均匀、紧密、细颗粒为合格。2、 镀锌给水管及管件质量标准应执行 GB/T3091。其规格种类应符合设计要求,管内外镀锌均匀,无锈蚀,无毛刺。管件无偏扣、乱扣、丝扣不全或角度不准等现象。将几个相同直径的管件串起来,看是否乱扣、偏扣、角度不准,然后试压。3、 消火栓系统管材按设计要求选用,一般采纳碳素钢管或无缝钢管,管材不得有弯曲、锈蚀、重皮及凹凸不平等现象。4、 消火栓箱体的规格型号应符合设计图纸要求,箱体表面平整、光洁,无锈蚀、划伤,箱门开启灵活。箱体方正,箱内配件齐全。栓阀外形规矩,无裂纹,启闭灵活,关闭严密,密封填料完好。5、 水表的规格应符合设计图纸要求,其中每户使用 DN15 水表。热水系统选用符合温度要求的热水表。表壳铸造规矩,无砂眼、裂纹,表玻璃盖无损坏,铅封完整。交底单位接收单位交 底 人接 收 人技术交底记录2025 年 10 月 15 日施管表 5工程名称节能大厦分部工程给水排水与采暖工程分项工程名称室内给水管道安装施工单位中天宝业集团交底内容:6、...

1、当您付费下载文档后,您只拥有了使用权限,并不意味着购买了版权,文档只能用于自身使用,不得用于其他商业用途(如 [转卖]进行直接盈利或[编辑后售卖]进行间接盈利)。
2、本站所有内容均由合作方或网友上传,本站不对文档的完整性、权威性及其观点立场正确性做任何保证或承诺!文档内容仅供研究参考,付费前请自行鉴别。
3、如文档内容存在违规,或者侵犯商业秘密、侵犯著作权等,请点击“违规举报”。

碎片内容

室内给水管道安装

您可能关注的文档

津创媒+ 关注
实名认证
内容提供者

欢迎交流文创,小店资料希望满足您的需要。

确认删除?
VIP
微信客服
  • 扫码咨询
会员Q群
  • 会员专属群点击这里加入QQ群
客服邮箱
回到顶部