电脑桌面
添加小米粒文库到电脑桌面
安装后可以在桌面快捷访问

室外工程施工规范要求

室外工程施工规范要求_第1页
1/3
室外工程施工规范要求_第2页
2/3
室外工程施工规范要求_第3页
3/3
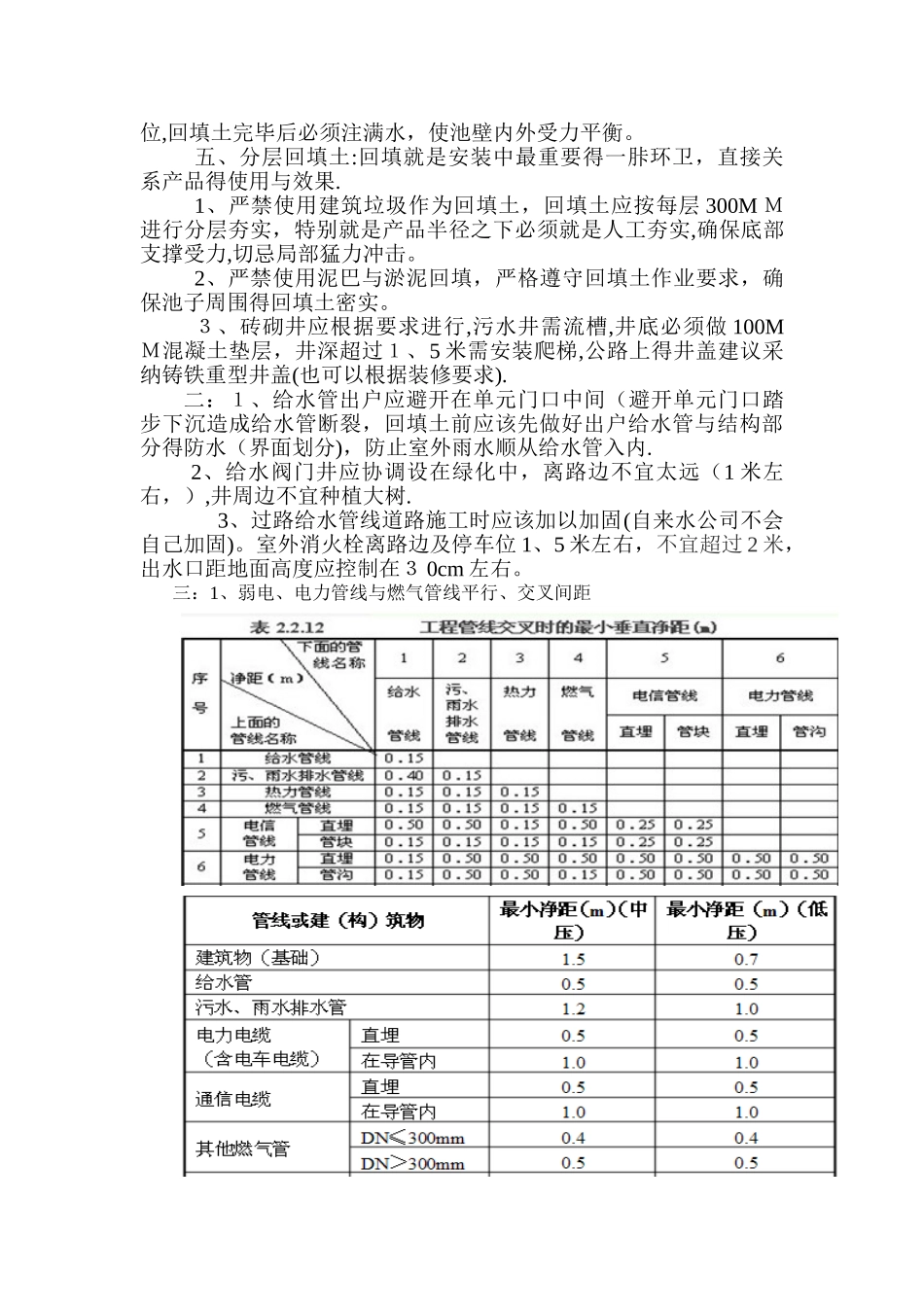
室外管线工程施工应注意事项室外雨污水设计时应提供市政准确接入口及市政管底标高,图纸审核完成后,发各中标施工单位对室外图纸熟悉了解,在施工前应招集室外参建单位开碰头会,各单位无意见后雨污水可开工.室外工程正常先施工污雨水、给水、电力、燃气、弱电。开工前对进场材料应该进行检查,就是否合符设计及招标要求并抽样送检,检测合格后方可做施工准备(室外常用 U-P VC、HDPE双壁波纹管)。一:1、室外施工单位应与室内(安装)施工单位对出户(雨污水)管交接及标高核对,并做好记录或标记,接入时务必 10 0%正确。2、室外雨污水管道开挖前应按现场及图纸要求及走向放线(需监理、甲方确认)开挖。在管沟开挖时应对管沟底标高测量(对回填土需夯实),坡度、标高无误后进行雨、污水井及管线安装。安装过程中应注意管线插入就是否到位,标高、坡度就是否符合设计要求,确认后对管线先选用沙或优质土壤固定,暂不回填土.正常得施工工序安排开挖管沟→清理基槽→浇筑条形基础混凝土→安置管道→浇筑管座混凝土→抹带、养护→人工回填土至管顶以下 50c m→机械全面回填至设计标高.3、管线与井完成需做闭水试验,确认无渗漏后通知城管局、质检站进行对室外雨污水临时验收并做好相关得资料及影像. 4、室外雨污水覆土深度正常在 7 00(过路部分需加固)。严禁使用建筑垃圾回填。 5、建议雨污水管出墙管至井超过 2、5 米设小过路井(地下室顶板除外)。6、雨污水井尽量避让单元门口及窗户中间。7、化粪池安装,施工作业流程:放线→挖基槽、排地下水→垫层找平夯实→吊装就位→化粪池注水→分层回填 →砌连接井→现场初步验收。二,施工要求1、放线挖槽坑:以化粪池最少尺寸为标准,根据开挖土质进行放坡放线开挖,假如就是不稳定得土质应分梯开挖。2、基础处理:原土开挖稳定性能好得土质可以直接用 1 00-200 MM 细沙找平,假如有地下水得必须开沟排水。3原土开挖承载力较差得必须做 200MM 混凝土垫层,再用100M 得细沙找平。三、吊装就位:吊装就位时进出水方向,测定水平度,局部调整垫层,保证水平。四、化粪池注水:1、安装就位符合要求后,池内必须注水,一般注水超过地下水位,回填土完毕后必须注满水,使池壁内外受力平衡。五、分层回填土:回填就是安装中最重要得一胩环卫,直接关系产品得使用与效果.1、严禁使用建筑垃圾作为回填土,回填土应按每层 300M M进行分层夯实,特别就是产品半径之下必须就是人工夯实,确保底部...

1、当您付费下载文档后,您只拥有了使用权限,并不意味着购买了版权,文档只能用于自身使用,不得用于其他商业用途(如 [转卖]进行直接盈利或[编辑后售卖]进行间接盈利)。
2、本站所有内容均由合作方或网友上传,本站不对文档的完整性、权威性及其观点立场正确性做任何保证或承诺!文档内容仅供研究参考,付费前请自行鉴别。
3、如文档内容存在违规,或者侵犯商业秘密、侵犯著作权等,请点击“违规举报”。

碎片内容

室外工程施工规范要求

您可能关注的文档

确认删除?
VIP
微信客服
  • 扫码咨询
会员Q群
  • 会员专属群点击这里加入QQ群
客服邮箱
回到顶部