电脑桌面
添加小米粒文库到电脑桌面
安装后可以在桌面快捷访问

建筑排水工程施工质量监理实施细则

建筑排水工程施工质量监理实施细则_第1页
1/11
建筑排水工程施工质量监理实施细则_第2页
2/11
建筑排水工程施工质量监理实施细则_第3页
3/11
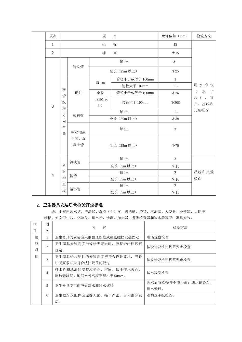
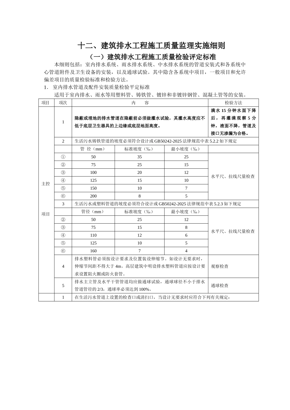
十二、建筑排水工程施工质量监理实施细则(一)建筑排水工程施工质量检验评定标准本细则包括:室内排水系统、雨水排水系统、中水排水系统的管道安装式和各系统中心管道附件及卫生设备的安装,以及通球试验。其中隐含各系统中项目,一般项目和允许偏差项目的质量检验标准和检验方法。1. 室内排水管道及配件安装质量检验平定标准适用于室内排水、雨水等用塑料管、铸铁管、镀锌和非镀锌钢管、混凝土管等的安装。项目项次内 容检验方法主控项目1隐蔽或埋地的排水管道在隐蔽前必须做灌水试验,其灌水高度应不低于底层卫生器具的上边缘或底层地面高度。满水 15 分钟水面下降后 , 再 灌 满 观 察 5 分钟,液面不降,管道及接口无渗漏为合格。2生活污水铸铁管道的坡度必须符合设计或 GB50242-2025 法律规范中表 5.2.2 如下规定管 径(mm)标准坡度(‰)最小坡度(‰)①503525水平尺、拉线尺量检查②752515③1002012④1251510⑤150107⑥200853生活污水或塑料管道的坡度必须符合设计或 GB50242-2025 法律规范中表 5.2.3 如下规定管径(mm)标准坡度(‰)最小坡度(‰)水平尺、拉线尺量检查②502512③75158④110126⑤125105⑥160744排水塑料管必须按设计要求及位置装设伸缩节。如设计无要求时,伸缩节间距不得大于 4m。高层建筑中明设排水塑料管道应按设计要求设置阻火圈或防火套管。观察检查5排水主立管及水平干管管道均应做通球试验,通球球径不小于排水管道管径的 2/3,通球率必须达到 100%。通球检查1在生活污水管道上设置的检查口或清扫口,当设计无要求时应符合下列有关规定:一般项目1 在立管上应每隔一层设置一个检查口,但在最底层和有卫生器具的最高层必须设置。如为两层建筑时,可仅在底层设置立管检查口;如有乙字弯管时,则在该层乙字弯管的上部设置检查口。检查口中心高度距操作地面一般 1m,允许偏差±20mm;检查口的朝向应便于检修。,暗装立管,在检查口处应安装检修门。2 在连接 2 个及 2 个以上大便器或 3 个及 3 个以上卫生器具的污水横管上应设置清扫口。当污水管在楼板下悬吊敷设时,可将清扫口设在上一层楼地面上,污水管起点的清扫口与管道相垂直的墙面距离不得小于 200mm;若污水管起点设置堵头代替清扫口时,与墙面距离不得小于 400mm。3 在转角小于 135°的污水横管上,应设置检查口或清扫口。4 污水横管的直线管段,应按设计要求的距离设置检查口或清扫口。观察和尺量检查2埋在地...

1、当您付费下载文档后,您只拥有了使用权限,并不意味着购买了版权,文档只能用于自身使用,不得用于其他商业用途(如 [转卖]进行直接盈利或[编辑后售卖]进行间接盈利)。
2、本站所有内容均由合作方或网友上传,本站不对文档的完整性、权威性及其观点立场正确性做任何保证或承诺!文档内容仅供研究参考,付费前请自行鉴别。
3、如文档内容存在违规,或者侵犯商业秘密、侵犯著作权等,请点击“违规举报”。

碎片内容

建筑排水工程施工质量监理实施细则

您可能关注的文档

确认删除?
VIP
微信客服
  • 扫码咨询
会员Q群
  • 会员专属群点击这里加入QQ群
客服邮箱
回到顶部