电脑桌面
添加小米粒文库到电脑桌面
安装后可以在桌面快捷访问

建筑景观照明施工方案

建筑景观照明施工方案_第1页
1/26
建筑景观照明施工方案_第2页
2/26
建筑景观照明施工方案_第3页
3/26
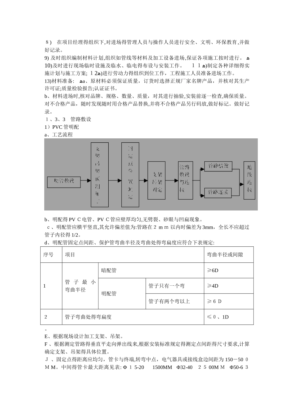
建筑景观照明施工方案第一节施工办法1.1 工程概况1、1、1 工程名称:长沙湘江九号商业广场夜景照明工程2.1 工程施工特点1、2、1 工程地点:长沙市岳麓区滨江路湘江九号商业广场 1)各楼楼底商业门上及道路时间隧道泛光照明设备与灯具; 2)底商商业裙房立柱照明设备与灯具; 1、2、3 施工及验收标准: 1) 用料及施工质量在符合合同文件得规定得同时,不低于国家及长沙市现行得有关施工及工程质量得规定及国家现行关于各专业工程得质量检验评定标准得合格等级。1、2、4 施工工期:开工日为发包方书面通知,参照本工程得规模、施工场地得实际情况及各期总承包工程得进度,编制施工进度计划表。 1、2、5 建筑物泛光照明控制系统: 1)平常保证功能性照明,实现亮化效果。 2)在保证亮化效果得同时体现节能。 3)湘江九号商业广场商业铺面走廊上墙面采纳 2 4 w 黄色洗墙灯,广场面每个立柱安装云石壁灯,商业广场铺面前道路安装40 0 米半圆型大型灯光隧道,采纳 LED 串灯多色安装,增加灯光节假日效果。3.1 电气工程施工主要方法及技术措施1、3、1 工艺流程: 1、3、2 施工准备工作 1) 工程已准备开工,则立即组织人员进场就位,组建项目经理部,开展施工管理工作。 2)由专业技术负责人与技术员仔细讨论图纸,编制安装施工方案。 3)组织所有管理人员与施工人员熟悉图纸,仔细学习施工方案。 4)组织所有管理人员与施工人员进行安全、技术培训。 5) 在正式施工前,所有参加施工得各个专业得技术负责人与施工负责人在设计人员得组织下,进行图纸会审。 6) 简单部位得施工由技术人员对施工人员进行口头技术交底;复杂部位得施工技术人员要书面技术交底,并在现场指导,关键部位得施工要求技术人员与施工人员共同完成,设计人员与专业技术负责人必须在场指导。 7)进场后即进行放线定位工作,为尽早开展施工做好准备。 8) 在项目经理得组织下,对进场得管理人员与操作人员进行安全、文明、环保教育,并做好记录。 9) 及时组织编制材料计划,组织如管线等材料及加工设备进场,保证各项施工按时进行。 ﻫ10)及时进行现场临时设施及临水、临电得布设与安装工作。 ﻫ11)制定各种详细得实施计划与施工方案; ﻫ21)进行劳动力得组织到位工作,工程施工人员准备进场工作。 13)材料准备: ﻫa、原材料必须保证质量,订货时选择正规厂家名牌产品,并核对其生产许可证;质量检验报告;认证证书。 b、材料进场时,核对品牌、规格、数量、质量...

1、当您付费下载文档后,您只拥有了使用权限,并不意味着购买了版权,文档只能用于自身使用,不得用于其他商业用途(如 [转卖]进行直接盈利或[编辑后售卖]进行间接盈利)。
2、本站所有内容均由合作方或网友上传,本站不对文档的完整性、权威性及其观点立场正确性做任何保证或承诺!文档内容仅供研究参考,付费前请自行鉴别。
3、如文档内容存在违规,或者侵犯商业秘密、侵犯著作权等,请点击“违规举报”。

碎片内容

建筑景观照明施工方案

您可能关注的文档

确认删除?
VIP
微信客服
  • 扫码咨询
会员Q群
  • 会员专属群点击这里加入QQ群
客服邮箱
回到顶部