电脑桌面
添加小米粒文库到电脑桌面
安装后可以在桌面快捷访问

抹灰施工技术交底(补充)

抹灰施工技术交底(补充)_第1页
1/12
抹灰施工技术交底(补充)_第2页
2/12
抹灰施工技术交底(补充)_第3页
3/12
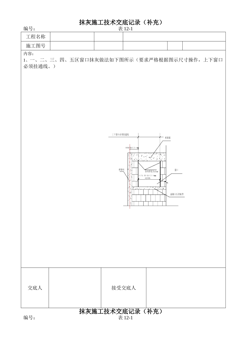
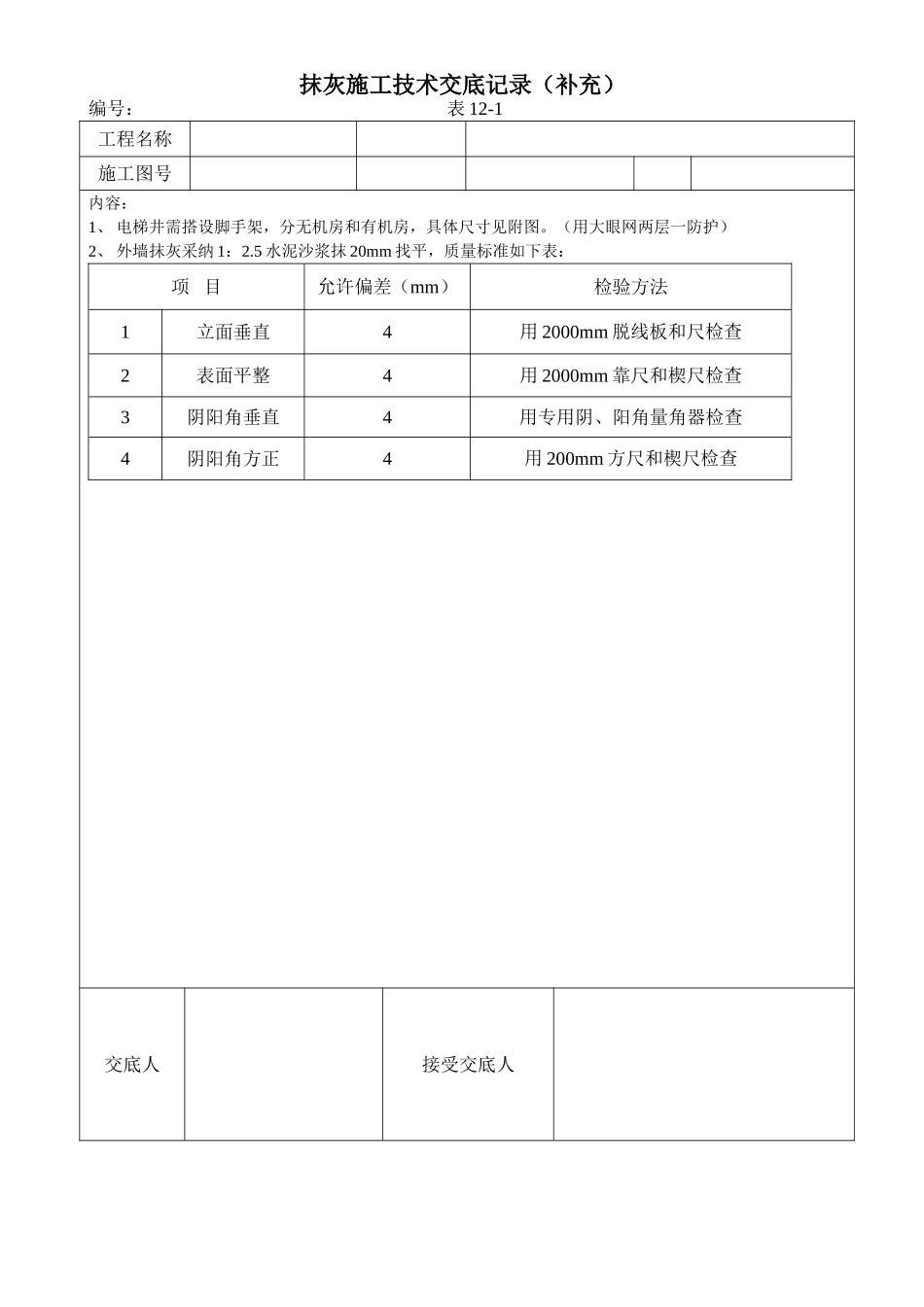
抹灰施工技术交底记录(补充)编号: 表 12-1工程名称施工图号内容:1、 电梯井需搭设脚手架,分无机房和有机房,具体尺寸见附图。(用大眼网两层一防护)2、 外墙抹灰采纳 1:2.5 水泥沙浆抹 20mm 找平,质量标准如下表:项 目允许偏差(mm)检验方法1立面垂直4用 2000mm 脱线板和尺检查2表面平整4用 2000mm 靠尺和楔尺检查3阴阳角垂直4用专用阴、阳角量角器检查4阴阳角方正4用 200mm 方尺和楔尺检查交底人接受交底人抹灰施工技术交底记录(补充)编号: 表 12-1工程名称施工图号内容:1、一、二、三、四、五区窗口抹灰做法如下图所示(要求严格根据图示尺寸操作,上下窗口必须挂通线。)交底人接受交底人抹灰施工技术交底记录(补充)编号: 表 12-1工程名称施工图号内容:1、一、二、三、四、五区门口侧壁不抹灰。如下图:交底人接受交底人抹灰施工技术交底记录(补充)编号: 表 12-1工程名称施工图号内容:(一)、一、二、三、四、五区窗口上框架梁底皮抹灰厚度具体如下: 当窗外侧为玻璃幕时,抹灰厚度为 2cm。 当窗垛为干挂大理石时,抹灰厚度为 5.5cm。(二)、一、二、三、四、五区楼层内框架柱抹灰具体要求如下: 1、抹灰前彻底清除柱面残留的脱模剂、铁锈、养护时抹的干水泥、覆盖塑料薄膜形成的柱子表面泥浆及其他污物,具体操作时,先用铁铲将柱子上的水泥浆清除洁净,把干水泥扫洁净,然后用细水管从上至下放水,同时把柱面清扫洁净。 2、在清理完的柱子上涂刷界面剂即抹一道掺 108 胶的 1:1 素水泥浆(15%—20%水重的 108胶):将 1:1 素水泥浆加掺水重 15%—20%的 108 胶充分搅拌均匀。然后再抹底层、面层灰(同空心砖墙面抹灰)。 3、砼柱面与砖墙面接点处理如下图所示:交底人接受交底人抹灰施工技术交底记录(补充)编号: 表 12-1工程名称施工图号内容:(一)、一、二、三、四、五区构造柱、过梁、圈梁与砖墙交接处加玻纤网格布,每边伸入墙内 100mm。(二)、一、二、三、四、五区阳角做 1:2 水泥砂浆护角,柱子及门口阳角护角高度不低于2m,每侧宽度不小于 5cm,窗垛阳角护角高度不低于 1.5m,每侧宽度不小于 5cm。(三)、外墙有幕墙处抹灰要求压光。(四)、面层抹灰:先抹一面墙,成活后再抹另一面(对称墙面先完成),以保证阴角尺寸。门口两边及上沿用靠尺压紧收齐。交底人接受交底人抹灰施工技术交底记录(补充)编号: 表 12-1工程名称施工图号内容:1、你队施...

1、当您付费下载文档后,您只拥有了使用权限,并不意味着购买了版权,文档只能用于自身使用,不得用于其他商业用途(如 [转卖]进行直接盈利或[编辑后售卖]进行间接盈利)。
2、本站所有内容均由合作方或网友上传,本站不对文档的完整性、权威性及其观点立场正确性做任何保证或承诺!文档内容仅供研究参考,付费前请自行鉴别。
3、如文档内容存在违规,或者侵犯商业秘密、侵犯著作权等,请点击“违规举报”。

碎片内容

抹灰施工技术交底(补充)

您可能关注的文档

确认删除?
VIP
微信客服
  • 扫码咨询
会员Q群
  • 会员专属群点击这里加入QQ群
客服邮箱
回到顶部