电脑桌面
添加小米粒文库到电脑桌面
安装后可以在桌面快捷访问

数控车床编程说明书样本

数控车床编程说明书样本_第1页
1/29
数控车床编程说明书样本_第2页
2/29
数控车床编程说明书样本_第3页
3/29
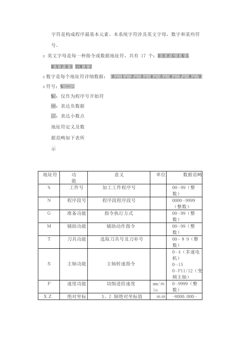
编程篇第一章 编程概要 数控机床自动加工过程,就是根据事先编写好零件程序自动运营过程。所谓编程,就是 依照加工零件图纸和工艺规定,把它用数控语言描述出来,编制成零件加工程序。 本篇重要阐明本数控系统加工程序指令含义及编制方式,在编制程序之前,请先详细阅读本篇内容。 1.1 坐标轴及其运动方向定义 本数控系统根据 JB/T3051-1999 《数字控制机床坐标和运动命名》中关于普通车床坐标和 命名定义了系统控制轴及运动。本系统对可控制两个坐标轴定义为 X 、Z 轴,两个坐标轴相 互垂直构成 X—Z 平面直角坐标系.如图 1: X 坐标:X 坐标定义为与主轴旋转中心线相垂直,X 正方向为刀具离开主轴旋转中心方向。 Z 坐标:Z 坐标定义为与主轴旋转中心线重叠,Z 正方向为刀具远离主轴箱方向。 1.2 机械原点 机械原点为机床上固定位置一点,普通数控车床机械原点设立在 X 轴和 Z 轴正方向最 大行程处,并安装相应机械原点开关和撞块,假如机床上没有安装机械原点开关和撞块,请不 要使用本系统中回机械原点功能,或将 P12 参数MZRO设立成 0 . 1.3 编程坐标 本系统编程可用绝对坐标(X、Z 字段),相对坐标(U、W 字段)或混合坐标(X/W、U/Z 字段) 进行编程。对于 X 轴坐标,本系统使用直径编程(所有 X 轴方向尺寸和参数均用直径量表达)。 第二章 程序构造 为使机床能按规定运动而编写 CNC 指令集合称之为程序,数控系统按指令顺序使刀具沿线圆弧运动或使主轴启动停止,冷却液开关等,程序中指令顺序就是按工件工艺规定顺序而编制。 2.1 字符 字符是构成程序最基本元素。本系统字符涉及英文字母,数字和某些符号。 z 英文字母是每一种指令或数据地址符,共有 17 个:D E F G I K L M N P R S TUW X Zz 数字是每个地址符详细数据: 0,1,2,3,4,5,6,7,8,9 z 符号:% — . % :仅作为程序号开始符 —:表达负数据 . :表达小数点 地址符定义及数据范畴如下表所示 地址符 功能 意义 单位 数据范畴 % 工件号 加工工件程序号 00~99(整数) N 程序段号 程序段程序段号 0000~9999(整数) G 准备功能 指令执行方式 00~99(整数) M 辅助功能 辅助动作指令 00~99(整数) T 刀具功能 选取刀具号及刀补号 00~8 9(整数) S 主轴功能 主轴转速指令 0~4(多速电机) 0~15 0~P11/12(变频主轴)...

1、当您付费下载文档后,您只拥有了使用权限,并不意味着购买了版权,文档只能用于自身使用,不得用于其他商业用途(如 [转卖]进行直接盈利或[编辑后售卖]进行间接盈利)。
2、本站所有内容均由合作方或网友上传,本站不对文档的完整性、权威性及其观点立场正确性做任何保证或承诺!文档内容仅供研究参考,付费前请自行鉴别。
3、如文档内容存在违规,或者侵犯商业秘密、侵犯著作权等,请点击“违规举报”。

碎片内容

数控车床编程说明书样本

确认删除?
VIP
微信客服
  • 扫码咨询
会员Q群
  • 会员专属群点击这里加入QQ群
客服邮箱
回到顶部