电脑桌面
添加小米粒文库到电脑桌面
安装后可以在桌面快捷访问

施工临时用电方桉

施工临时用电方桉_第1页
1/17
施工临时用电方桉_第2页
2/17
施工临时用电方桉_第3页
3/17
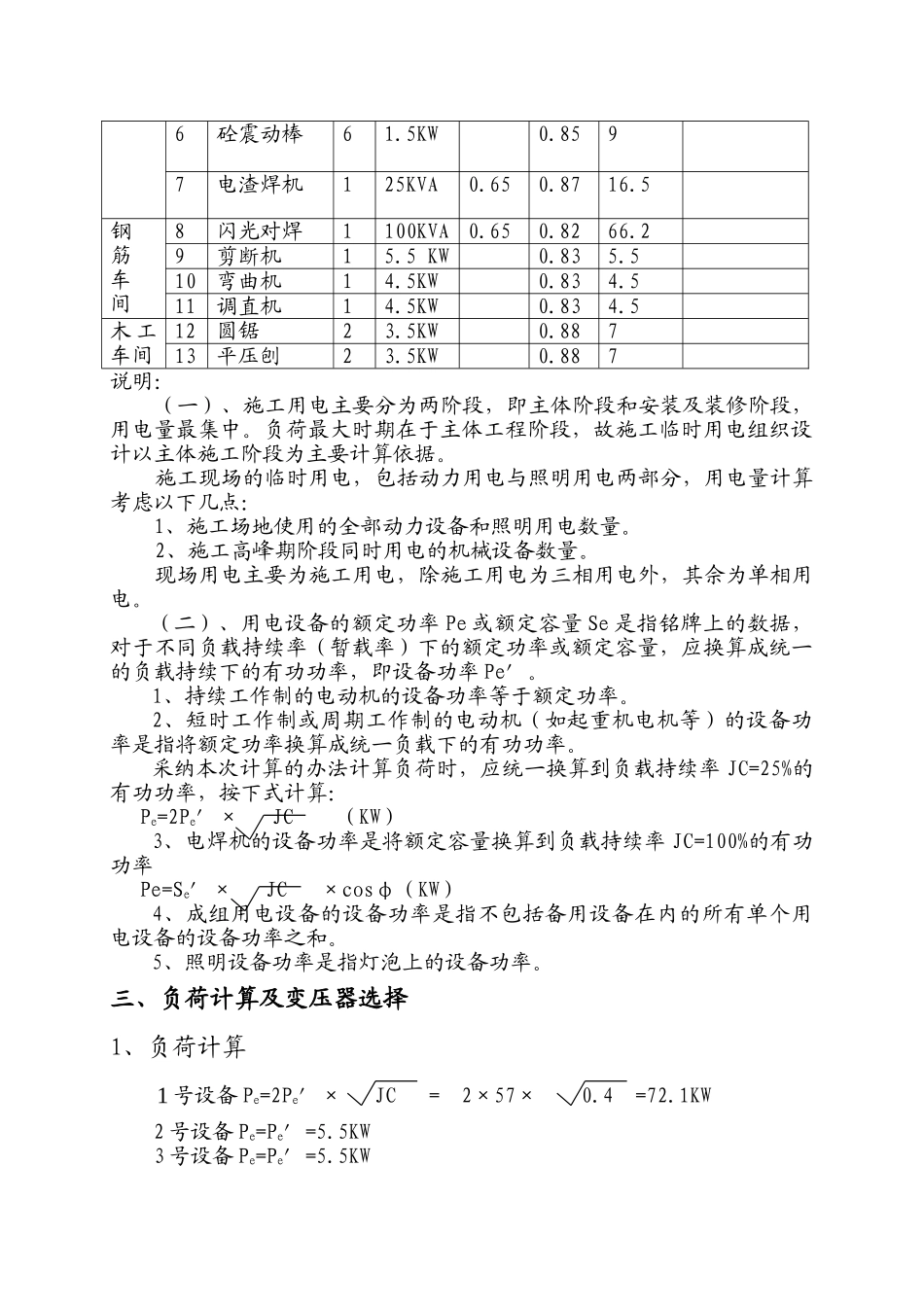
一、设计说明本设计根据建设部《施工现场临时用电安全技术法律规范》(JGJ46—2025)、《建筑施工安全检查标准》(JGJ59-99)以及现场平面布置图为依据。电源由小区变压器引入施工现场。电气概况及主要要求:1、工程概况3333 位于 33 市八一路 230 号,工程为框架结构,地下一层,地上十二层,建筑面积约为 6692.85m2,总长 27.44 m,总宽 27.34 m 建筑总高度41.0m。本工程为一类高层建筑,二层以下为商场,每层面积 855.01m2。三层以上各层为住宅楼,每层面积 495.51m2。地下室层高为 3.6m,1~2 层为 3.6m,3~12 层为 3.0m。工程建筑防火类别为一类,耐火等级为一级,抗震设防烈度为七度。本工程结构体系采纳框架结构,按七度抗震设防,场地类别为Ⅱ级,框架抗震等级为二级;基础采纳梁板式基础和独立基础。本工程由 33 市建筑设计讨论院设计,由 33 市大地建设工程监理有限公司监理。2、现场施工用电总功率 217.3KVA。从变压器经 3×70mm2+2×35mm2埋地电缆到施工场地配电室。采纳中性点直接接地的 TN—S 系统配电。3、从配电箱预留的 160A+100A+250A+30A 等四路输出供电(详见附图)。4、塔吊等大型设备采纳电缆暗敷设,专用电箱供电。5、现场上所有的电气设备不带电的金属部分均应与保护零线做良好电气连接,不得单纯采纳接地保护,保护零线不得小于相线的 1/2,且必须用绿黄双色。6、在钢筋加工区、塔机、搅拌机、木工房及二级配电箱保护零线端子,开关箱保护零线端子等处进行重复接地,接地电阻小于 10 欧。7、单相负载应尽量分散到各相线上,力求使单相电流均匀减少零线上的电流。8、实行三级配电二级保护原则,以确保人身安全。9、各型号、规格的配电箱均采纳标准箱。二、设备数量表施工现场主要用电设备表线路序号设备名称台数额定功率暂载率cosφ换算容量单机电缆选择主楼现场1塔吊157KW0.472.12卷扬机15.5KW0.875.53搅拌机15.5 KW0.825.54搅拌机112 KW0.82125平板震动器 4 0.5KW0.8526砼震动棒61.5KW0.8597电渣焊机125KVA0.650.8716.5钢筋车间8闪光对焊1100KVA0.650.8266.29剪断机15.5 KW0.835.510弯曲机14.5KW0.834.511调直机14.5KW0.834.5木 工车间12圆锯23.5KW0.88713平压刨23.5KW0.887说明:(一)、施工用电主要分为两阶段,即主体阶段和安装及装修阶段,用电量最集中。负荷最大时期在于主体工程阶段,故施工临时用电组织设计以主体施工阶段为主要计算依据。施工现场的临时用电,包括动力用...

1、当您付费下载文档后,您只拥有了使用权限,并不意味着购买了版权,文档只能用于自身使用,不得用于其他商业用途(如 [转卖]进行直接盈利或[编辑后售卖]进行间接盈利)。
2、本站所有内容均由合作方或网友上传,本站不对文档的完整性、权威性及其观点立场正确性做任何保证或承诺!文档内容仅供研究参考,付费前请自行鉴别。
3、如文档内容存在违规,或者侵犯商业秘密、侵犯著作权等,请点击“违规举报”。

碎片内容

施工临时用电方桉

确认删除?
VIP
微信客服
  • 扫码咨询
会员Q群
  • 会员专属群点击这里加入QQ群
客服邮箱
回到顶部