电脑桌面
添加小米粒文库到电脑桌面
安装后可以在桌面快捷访问

最新水利水电质量验收评定表及三检表

最新水利水电质量验收评定表及三检表_第1页
1/22
最新水利水电质量验收评定表及三检表_第2页
2/22
最新水利水电质量验收评定表及三检表_第3页
3/22
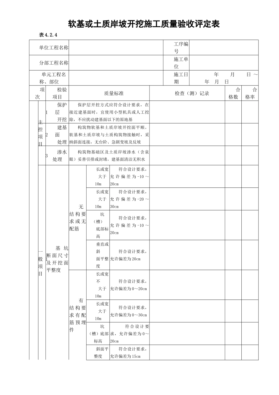
软基或土质岸坡开挖施工质量验收评定表表 4.2.4单位工程名称工序编号 分部工程名称施工单位 单元工程名称、部位施工日期年 月 日 ~ 年 月 日项次检验项目质量标准检查(测)记录合格数合格率主控项目1保护层开挖保护层开挖方式应符合设计要求,在接近建基面时,宜使用小型机具或人工挖除,不应扰动建基面以下的原地基 2建基面处理构筑物软基和土质岸坡开挖面平顺。软基和土质岸坡与土质构筑物接触时,采纳斜面连接,无台阶、急剧变坡及反坡 3渗水处理构筑物基础区及土质岸坡渗水(含泉眼)妥善引排或封堵,建基面清洁无积水 一般项目1基 坑断 面 尺 寸及 开 挖 面平整度无结 构 要求 或 无配筋长或宽大于10m符合设计要求,允 许 偏 差 为 -10 ~20cm 长或宽大于10m符合设计要求,允 许 偏 差 为 -20 ~30cm坑(槽)底部标高符合设计要求,允 许 偏 差 为 -10 ~20cm垂直或斜面平整度符合设计要求,允许偏差为 20cm有结 构 要求 有 配筋 预 埋件长或宽不大于10m符合设计要求,允许偏差为 0~20cm长或宽大于10m符合设计要求,允许偏差为 0~30cm 坑(槽)底部标高 符 合 设 计 要求,允许偏差为 0~20cm斜面平整度符合设计要求,允许偏差为 15cm施工单位自评意见主控项目检验点 100%合格,一般项目逐项检验点的合格率 %,且不合格点不集中分布。工序质量等级评定为:签字: 年 月 日监理单位复核意见经复核,主控项目检验点 100%合格,一般项目逐项检验点的合格率 %,且不合格点不集中分布。工序质量等级评定为: 签字: 年 月 日注:“-”表示欠挖。软基或土质岸坡开挖施工单元工程质量三检表单位工程名称单元工程量分部工程名称施工单位单元工程名称、部位检验日期 年 月 日项次检验项目质量标准检验记录班组自检施工队复检质检科终检主控项目1保护层开挖保护层开挖方式应符合设计要求,在接近建基面时,宜使用小型机具或人工挖除,不应扰动建基面以下的原地基.2建基面处理构筑物软基和土质岸坡开挖面平顺。软基和土质岸坡与土质构筑物接触时,采纳斜面连接,无台阶、急剧变坡及反坡3渗水处理构筑物基础区及土质岸坡渗水(含泉眼)妥善引排或封堵,建基面清洁无积水项次检测项目质量标准实测值设计值误差范围班组自检施工队复检质检科终检一般项目1长或宽不大于 10m450cm符合设计要求,允许偏差为 0~20cm2坑(槽)底部标高41.50m符合设计要求,允许偏差为 0~20cm...

1、当您付费下载文档后,您只拥有了使用权限,并不意味着购买了版权,文档只能用于自身使用,不得用于其他商业用途(如 [转卖]进行直接盈利或[编辑后售卖]进行间接盈利)。
2、本站所有内容均由合作方或网友上传,本站不对文档的完整性、权威性及其观点立场正确性做任何保证或承诺!文档内容仅供研究参考,付费前请自行鉴别。
3、如文档内容存在违规,或者侵犯商业秘密、侵犯著作权等,请点击“违规举报”。

碎片内容

最新水利水电质量验收评定表及三检表

您可能关注的文档

范哲铺+ 关注
实名认证
内容提供者

想你所想,急你所急,你需要的都在店铺里可以找到。

确认删除?
VIP
微信客服
  • 扫码咨询
会员Q群
  • 会员专属群点击这里加入QQ群
客服邮箱
回到顶部