电脑桌面
添加小米粒文库到电脑桌面
安装后可以在桌面快捷访问

机械工程材料总复习资料

机械工程材料总复习资料_第1页
1/23
机械工程材料总复习资料_第2页
2/23
机械工程材料总复习资料_第3页
3/23
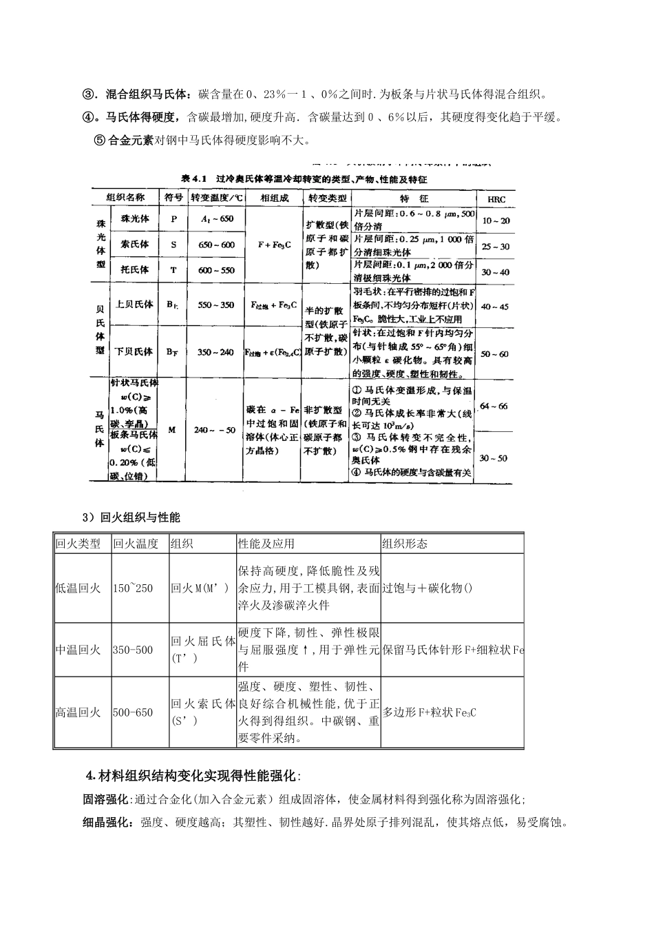
机械工程材料复习第一部分 基本知识一、概述⒈ 目得掌握常用工程材料得种类、成分、组织、性能与改性方法得基本知识(性能与改性方法就是重点).具备根据零件得服役条件合理选择与使用材料;具备正确制定热处理工艺方法与妥善安排工艺路线得能力。⒉ 复习方法以“材料得化学成分→加工工艺→组织、结构→性能→应用" 之间得关系为主线,掌握材料性能与改性得方法,指导复习。二、材料结构与性能:⒈ 材料得性能:① 使用性能:机械性能(刚度、弹性、强度、塑性、硬度、冲击韧性、疲劳强度、断裂韧性);② 工艺性能:热处理性能、铸造性能、锻造性能、机械加工性能等。⒉ 材料得晶体结构得性能:纯金属、实际金属、合金得结构(第二章);纯金属:体心立方()、面心立方(),各向异性、强度、硬度低;塑性、韧性高实际金属:晶体缺陷(点:间隙、空位、置换;线:位错;面:晶界、压晶界)→各向同性;强度、硬度增高;塑性、韧性降低。合金:多组元、固溶体与化合物。力学性能优于纯金属。单相合金组织:合金在固态下由一个固相组成;纯铁由单相铁素体组成.多相合金组织:由两个以上固相组成得合金。多相合金组织性能:较单相组织合金有更高得综合机械性能,工程实际中多采纳多相组织得合金。⒊ 材料得组织结构与性能⑴。结晶组织与性能:F、P、A、F e3 C、Ld;1)平衡结晶组织平衡组织:在平衡凝固下,通过液体内部得扩散、固体内部得扩散以及液固二相之间得扩散使使各个晶粒内部得成分均匀,并一直保留到室温。2)成分、组织对性能得影响①硬度(HBS):随C﹪↑,硬度呈直线增加, HBS 值主要取决于组成相得相对量。②抗拉强度():C﹪<0、9%范围内,先增加,C﹪>0、9~1、0%后,值显著下降.③钢得塑性()、韧性():随着 C﹪↑,呈非直线形下降。3)硬而脆得化合物对性能得影响:第二相强化:硬而脆得化合物,若化合物呈网状分布:则使强度、塑性下降;若化合物呈球状、粒状(球墨铸铁):降低应力集中程度及对固溶体基体得割裂作用,使韧性及切削加工性提高;呈弥散分布于基体上:则阻碍位错得移动及阻碍晶粒加热时得长大,使强度、硬度增加,而塑性、韧性仅略有下降或不降即弥散强化;呈层片状分布于基体上:则使强度、硬度提高,而塑性、韧性有所下降。⑵。塑性变形组织与性能1)组织与性能得变化金属塑性变形后产生晶格畸变,晶粒破裂现象,处于组织不稳定状态得非平衡组织,非平衡组织向平衡组织转变:可通过再结晶、时效及回火实现。加...

1、当您付费下载文档后,您只拥有了使用权限,并不意味着购买了版权,文档只能用于自身使用,不得用于其他商业用途(如 [转卖]进行直接盈利或[编辑后售卖]进行间接盈利)。
2、本站所有内容均由合作方或网友上传,本站不对文档的完整性、权威性及其观点立场正确性做任何保证或承诺!文档内容仅供研究参考,付费前请自行鉴别。
3、如文档内容存在违规,或者侵犯商业秘密、侵犯著作权等,请点击“违规举报”。

碎片内容

机械工程材料总复习资料

确认删除?
VIP
微信客服
  • 扫码咨询
会员Q群
  • 会员专属群点击这里加入QQ群
客服邮箱
回到顶部