电脑桌面
添加小米粒文库到电脑桌面
安装后可以在桌面快捷访问

某通信机房地基处理深层搅拌桩施工方案

某通信机房地基处理深层搅拌桩施工方案_第1页
1/17
某通信机房地基处理深层搅拌桩施工方案_第2页
2/17
某通信机房地基处理深层搅拌桩施工方案_第3页
3/17
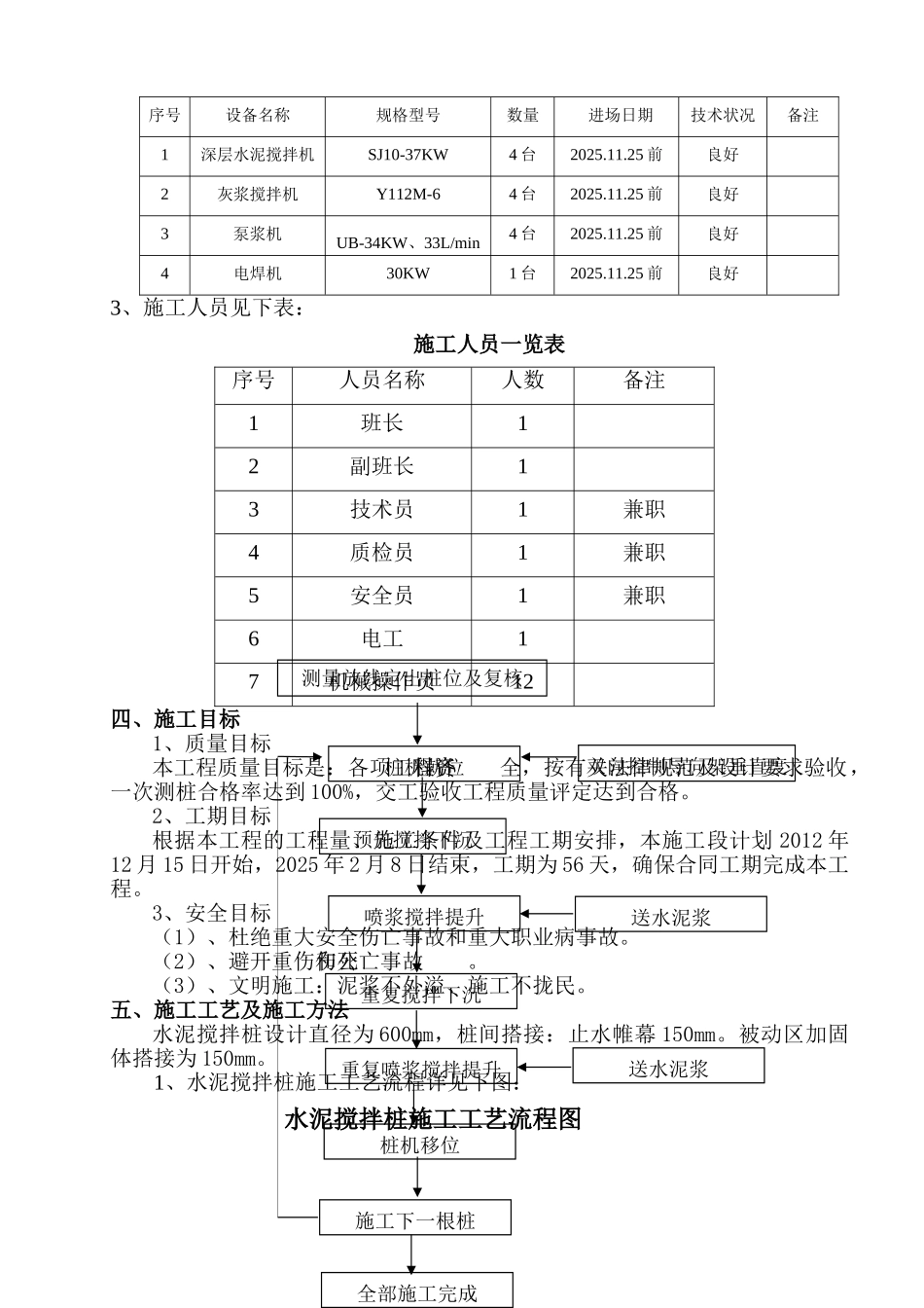
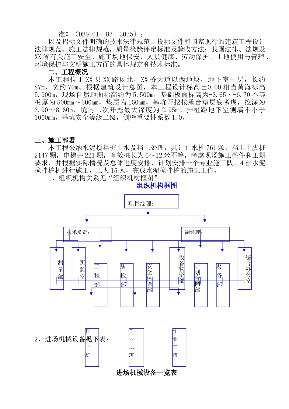
目 录一 编制依据 2 二 工程概况 2 三 施工部署 3四 施工目标 4 五 施工工艺及施工方法 5六 质量保证措施 9七 安全生产管理体系及保证措施 13八 文明施工及环境保护措施 18九 应急预案 21水泥搅拌桩专项施工方案一、编制依据1、《XX 城省级通信机楼及枢纽楼配套项目工程施工合同》;2、《XX 城省级通信机楼地下室基坑围护工程施工图》;3、《XX 城省级通信机楼基坑围护设计方案专家论证会议纪要》;4、《XX 城省级通信机楼及枢纽楼配套项目工程地质勘察报告》;5、《建筑桩基技术法律规范》(JGJ 94—2025);6、《混凝土结构工程施工质量验收法律规范》(GB 50204—2025);7、《混凝土强度检验评定标准》(GBJ 108—87);8、《工程测量法律规范》(GB 50026—93);9、《建筑地基基础工程施工质量验收法律规范》(GB 50202—2025);10、《建设工程施工现场安全防护、场容卫生、环境保护及保卫消防标准》(DBG 01—83—2025);以及招标文件明确的技术法律规范、投标文件和国家现行的建筑工程设计法律规范、施工法律规范,质量检验评定标准及验收方法;我国法律、法规及XX 省有关施工安全、施工场地保安、人员健康、劳动保护、土地使用与管理 、环境保护与文明施工方面的具体规定和技术标准。二、工程概况本工程位于 XX 县 XX 路以北,XX 桥大道以西地块,地下室一层,长约87m、宽约 70m。根据建筑设计总图,本工程设计标高±0.00 相当黄海标高5.900m,现场自然地面标高约为 5.500m,基础板面标高为-3.65~-6.70 不等,板厚为 500mm~600mm,垫层为 150mm,基坑开挖按承台垫层底考虑,挖深为3.90~8.60m,坑内二次开挖最大深度为 2.95m。排桩距地下室侧墙不小于1000mm,基坑安全等级二级,侧壁重要性系数 1.0。三、施工部署本工程采纳水泥搅拌桩止水及挡土处理,共计止水桩 761 颗,挡土止脚桩2147 颗,电梯井 221 颗,有效桩长为 6~12 米不等,考虑现场施工条件和工期要求,并根据实际情况及总体进度安排,计划安排一个专业施工队、4 台水泥搅拌桩机进行施工,工人 15 人,完成水泥搅拌桩的施工工作。1、组织机构关系见“组织机构框图”组织机构框图2、进场机械设备见下表:进场机械设备一览表项目经理: 工 程 部质 检 部安全保障部计划合同部 财 务 部作 业 一 班作 业 二 班作 业 三 班技术负责: 副经理: 测 量 部实 验 室设备物资部综合办公室序号设...

1、当您付费下载文档后,您只拥有了使用权限,并不意味着购买了版权,文档只能用于自身使用,不得用于其他商业用途(如 [转卖]进行直接盈利或[编辑后售卖]进行间接盈利)。
2、本站所有内容均由合作方或网友上传,本站不对文档的完整性、权威性及其观点立场正确性做任何保证或承诺!文档内容仅供研究参考,付费前请自行鉴别。
3、如文档内容存在违规,或者侵犯商业秘密、侵犯著作权等,请点击“违规举报”。

碎片内容

某通信机房地基处理深层搅拌桩施工方案

确认删除?
VIP
微信客服
  • 扫码咨询
会员Q群
  • 会员专属群点击这里加入QQ群
客服邮箱
回到顶部