电脑桌面
添加小米粒文库到电脑桌面
安装后可以在桌面快捷访问

柱下钢筋混凝土独立基础课程设计

柱下钢筋混凝土独立基础课程设计_第1页
1/14
柱下钢筋混凝土独立基础课程设计_第2页
2/14
柱下钢筋混凝土独立基础课程设计_第3页
3/14
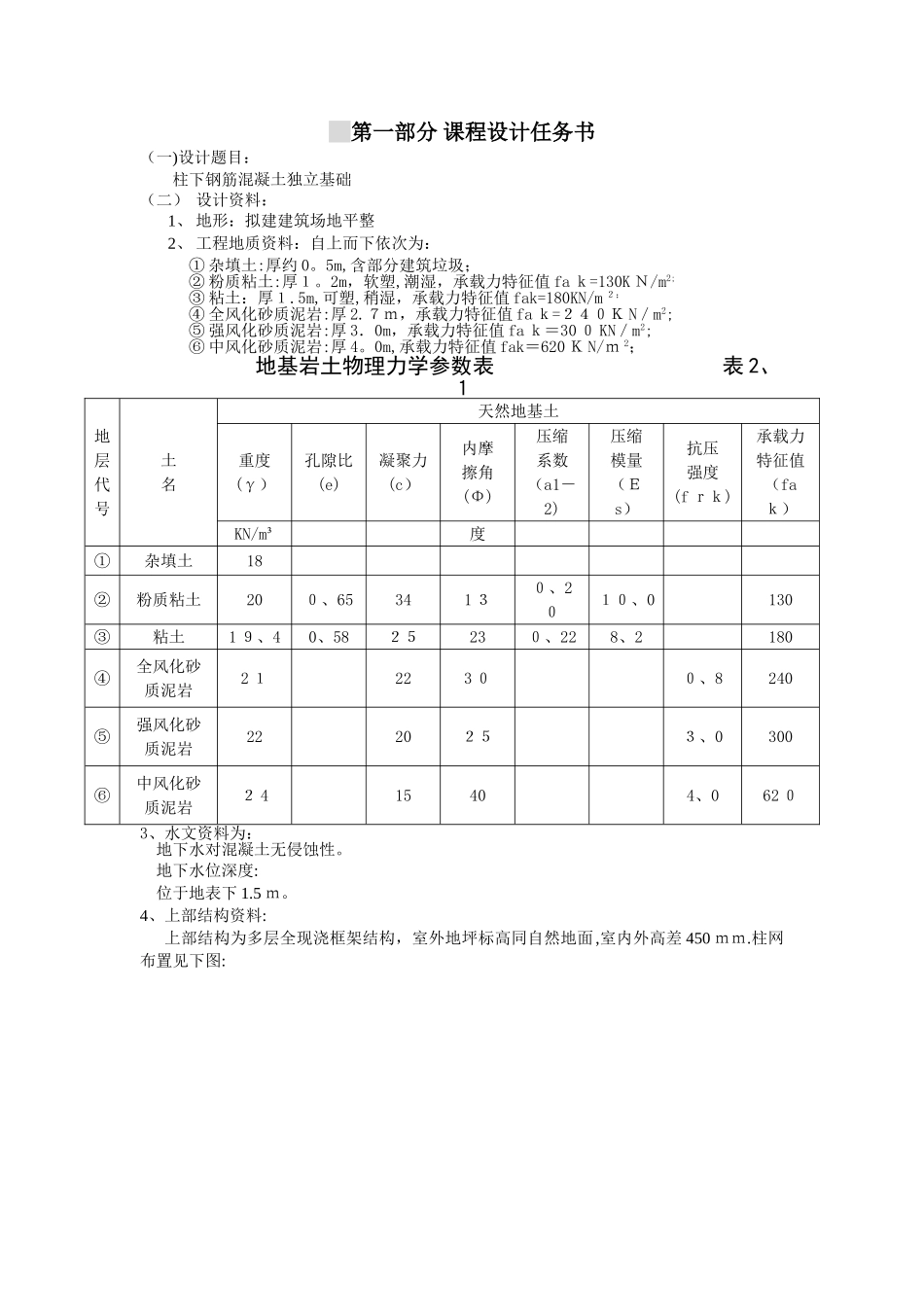
第一部分 课程设计任务书(一)设计题目:柱下钢筋混凝土独立基础(二) 设计资料:1、 地形:拟建建筑场地平整2、 工程地质资料:自上而下依次为:① 杂填土:厚约 0。5m,含部分建筑垃圾;② 粉质粘土:厚1。2m,软塑,潮湿,承载力特征值 fa k=130K N/m2;③ 粘土:厚1.5m,可塑,稍湿,承载力特征值 fak=180KN/m 2;④ 全风化砂质泥岩:厚 2.7m,承载力特征值 fa k=240K N/m2;⑤ 强风化砂质泥岩:厚 3.0m,承载力特征值 fa k=30 0 KN/m2;⑥ 中风化砂质泥岩:厚 4。0m,承载力特征值 fak=620 K N/m 2;地基岩土物理力学参数表 表 2、1地层代号土名天然地基土重度(γ)孔隙比(e)凝聚力(c)内摩擦角(Φ)压缩系数(a1-2)压缩模量(Es)抗压强度(f rk)承载力特征值(fak)KN/m³度①杂填土18②粉质粘土200、65341 30、2010、0130③粘土1 9、40、5825230、228、2180④全风化砂质泥岩2 1223 00、8240⑤强风化砂质泥岩2220253、0300⑥中风化砂质泥岩2 415404、062 03、水文资料为:地下水对混凝土无侵蚀性。地下水位深度:位于地表下 1.5 m。4、上部结构资料:上部结构为多层全现浇框架结构,室外地坪标高同自然地面,室内外高差 450 mm.柱网布置见下图:图 2-1 柱网平面图上部结构作用在柱底得荷载标准值见表 2:上部结构作用在柱底得荷载效应基本组合设计值见表 3: 柱底荷载标准值 表 2 题号Fk (KN)M k (KN•m)Vk (KN)A 轴B 轴C 轴A 轴B 轴C 轴A 轴B轴C 轴19 751 54 81846484 421605 23165 7412 1675121819 32978 08 3746128227695898141 0498973352884173653114 柱底荷载效应基本组合设计值 表 3题号F (KN)M (KN•m)V (KN)A 轴B轴C 轴A 轴B 轴C 轴ABC轴轴轴112682272 141 63288727867314481953158 18 67441496236353939588533062 5661 6672 44819453 342 844 231121 17108717412 56 2221251 2411684393 6128919952783218 142537552314214713814 54 55414 95、材料:混凝土等级 C2 5~C 3 0,钢筋Ⅰ、Ⅱ级。6、根据以上所给资料及学生人数,可划分为若干个组。如:第 1 组共十人,基础持力层选用③土层,设计 A 轴柱下独立基础;第2组共十人,基础持力层选用④土层,设计 B 轴柱下独立基础;第3组共十人,基础持力层选用③...

1、当您付费下载文档后,您只拥有了使用权限,并不意味着购买了版权,文档只能用于自身使用,不得用于其他商业用途(如 [转卖]进行直接盈利或[编辑后售卖]进行间接盈利)。
2、本站所有内容均由合作方或网友上传,本站不对文档的完整性、权威性及其观点立场正确性做任何保证或承诺!文档内容仅供研究参考,付费前请自行鉴别。
3、如文档内容存在违规,或者侵犯商业秘密、侵犯著作权等,请点击“违规举报”。

碎片内容

柱下钢筋混凝土独立基础课程设计

确认删除?
VIP
微信客服
  • 扫码咨询
会员Q群
  • 会员专属群点击这里加入QQ群
客服邮箱
回到顶部