电脑桌面
添加小米粒文库到电脑桌面
安装后可以在桌面快捷访问

模具设计与制造工艺卡片

模具设计与制造工艺卡片_第1页
1/19
模具设计与制造工艺卡片_第2页
2/19
模具设计与制造工艺卡片_第3页
3/19
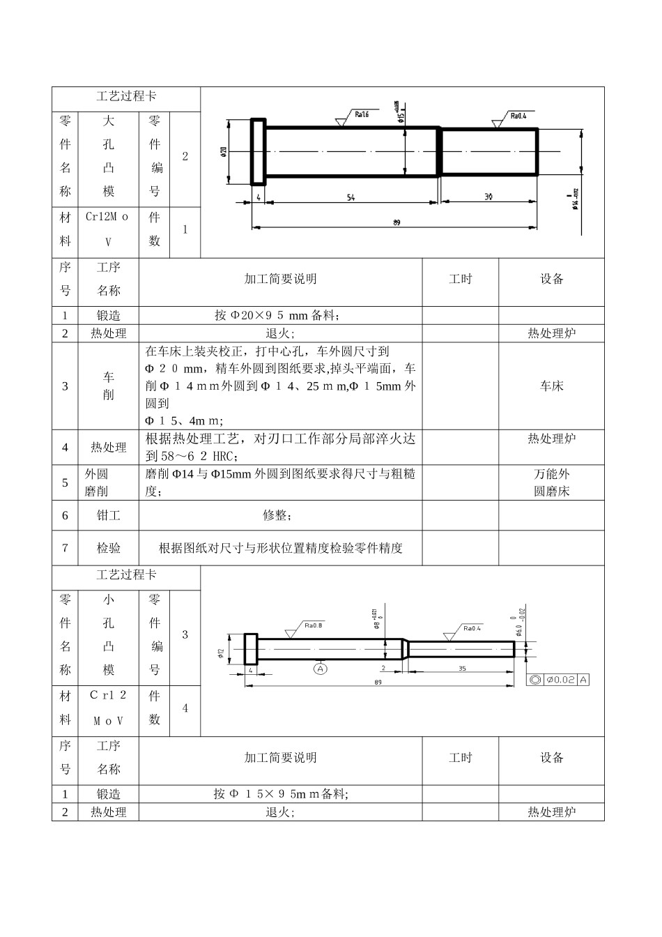
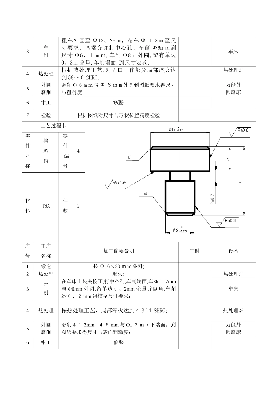
工艺过程卡零件名称大孔凸模零件编号2材料Cr12M oV件数1序号工序名称加工简要说明工时设备1锻造按 Φ20×9 5 mm 备料;2热处理退火;热处理炉3车削在车床上装夹校正,打中心孔,车外圆尺寸到Φ 20 mm,精车外圆到图纸要求,掉头平端面,车削 Φ 1 4 mm外圆到 Φ 1 4、25 m m,Φ 1 5mm 外圆到Φ 1 5、4m m;车床4热处理根据热处理工艺,对刃口工作部分局部淬火达到 58~6 2 HRC;热处理炉5外圆磨削磨削 Φ14 与 Φ15mm 外圆到图纸要求得尺寸与粗糙度;万能外圆磨床6钳工修整;7检验根据图纸对尺寸与形状位置精度检验零件精度工艺过程卡零件名称小孔凸模零件编号3材料C r1 2M o V件数4序号工序名称加工简要说明工时设备1锻造按 Φ 1 5×9 5m m备料;2热处理退火;热处理炉3车削粗车外圆至 Φ12、26mm,精车 Φ 1 2mm 至尺寸要求。两端允许打中心孔。车削 Φ6m m到尺寸 Φ6、1 m m,车削 Φ8mm 外圆,留有单边0、2mm 余量,车削端面,到尺寸要求;车床4热处理根据热处理工艺,对刃口工作部分局部淬火达到 58~6 2HRC;热处理炉5外圆磨削磨削 Φ 6 m m与 Φ 8m m 外圆到图纸要求得尺寸与粗糙度;万能外圆磨床6钳工修整;7检验根据图纸对尺寸与形状位置精度检验工艺过程卡零件名称挡料销零件编号4材料T8A件数2序号工序名称加工简要说明工时设备1锻造按 Φ16×20 m m 备料;2热处理退火;热处理炉3车削在车床上装夹校正,打中心孔,车削端面,车 Φ 1 2mm与 Φ6mm 外圆,留单边0、2mm 余量并倒角,车削2×0、2 mm 得槽至尺寸要求;车床4热处理按热处理工艺,局部淬火达到4 3~4 8HRC;热处理炉5外圆磨削磨削 Φ 1 2mm、Φ 6 mm 与 Φ1 2 m m下端面,到图纸要求得尺寸与表面粗糙度;万能外圆磨床6钳工修整工艺过程卡零件名称导套零件编号5材料2 0 钢件数2序号工序名称加工简要说明工时设备1锻造按 Φ55×10 5m m 备料;2热处理退火;热处理炉3车削在车床上装夹校正,打中心孔,粗精车 Φ 4 6m m外圆到尺寸,并倒圆角,车削端面到尺寸,车削 Φ38mm外圆,留单边0、2 m m磨削余量,车削 Φ28 m m 得内孔并且留有单边 0、2mm 得磨削余量;车床4热处理按热处理工艺,局部淬火达到 58~62HRC;热处理炉5外圆磨削磨削 Φ3 8 mm 外圆与 Φ 2 8mm 内孔,到图纸要求得尺寸与表面粗糙度;万能外圆磨床6钳工修整工艺过程...

1、当您付费下载文档后,您只拥有了使用权限,并不意味着购买了版权,文档只能用于自身使用,不得用于其他商业用途(如 [转卖]进行直接盈利或[编辑后售卖]进行间接盈利)。
2、本站所有内容均由合作方或网友上传,本站不对文档的完整性、权威性及其观点立场正确性做任何保证或承诺!文档内容仅供研究参考,付费前请自行鉴别。
3、如文档内容存在违规,或者侵犯商业秘密、侵犯著作权等,请点击“违规举报”。

碎片内容

模具设计与制造工艺卡片

您可能关注的文档

确认删除?
VIP
微信客服
  • 扫码咨询
会员Q群
  • 会员专属群点击这里加入QQ群
客服邮箱
回到顶部