电脑桌面
添加小米粒文库到电脑桌面
安装后可以在桌面快捷访问

混凝土监理实施细则VIP专享

混凝土监理实施细则_第1页
1/3
混凝土监理实施细则_第2页
2/3
混凝土监理实施细则_第3页
3/3
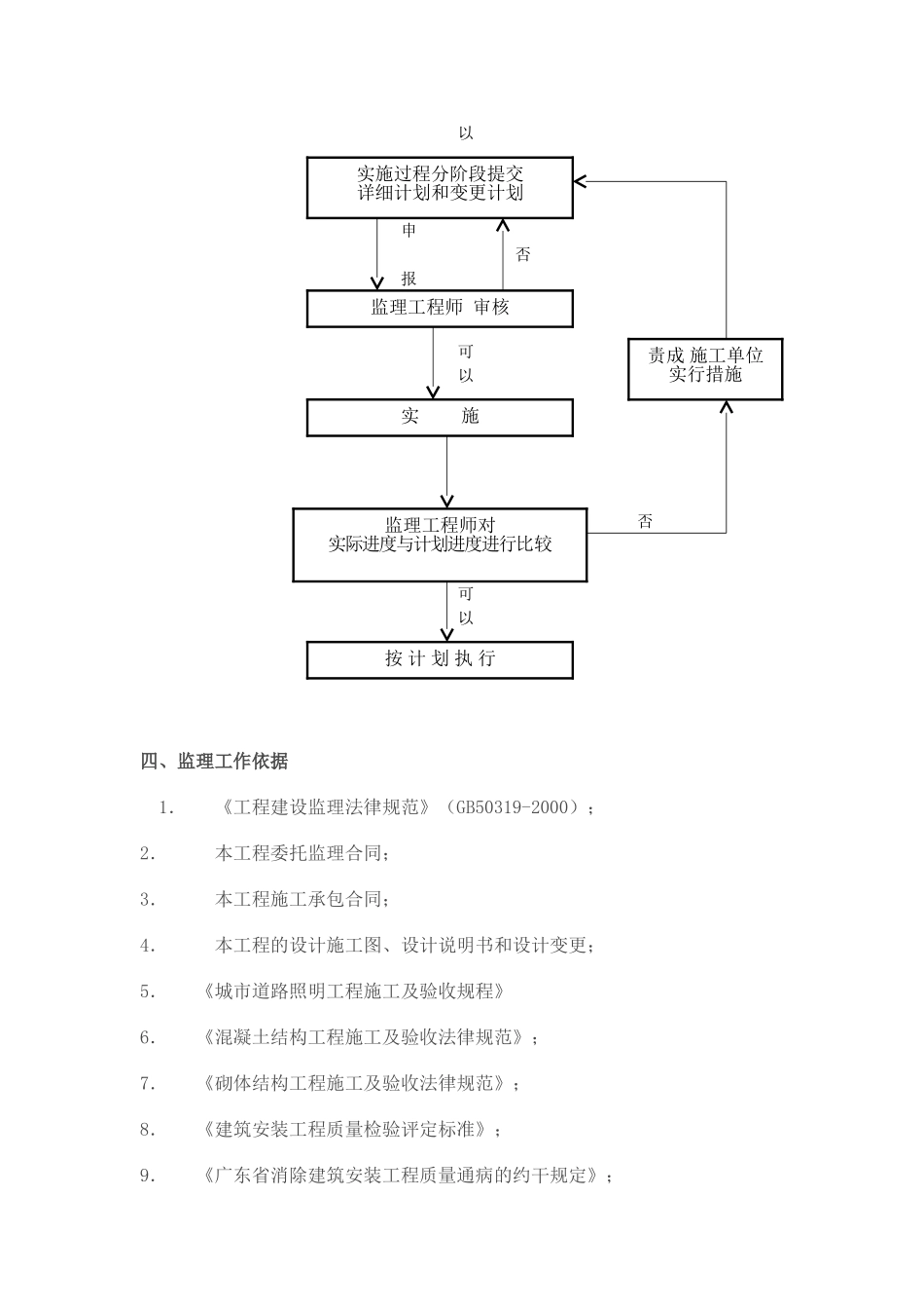
5.3 钢筋混凝土工程监理实施细则1 钢筋混凝土工程必须按 GB50204-92 和 JGJ18-96 法律规范进行操作施工。2 模板安装质量控制:抄平放线、立面垂直、截面准确、大面平整、接缝紧密、标高无误、支撑牢固,符合法律规范。3 钢筋绑扎质量控制:检查材质合格证、复试报告、钢筋品种、数量、锚固长度、接头位置、搭接长度、焊接质量、弯钩角度、拉结筋埋设、保护层垫块符合法律规范。防止水电预埋、支模、混凝土浇捣对已绑扎钢筋的破坏。特别注意柱在梁底梁上处箍筋应加密及梁口处箍筋位置的正确。4 混凝土浇筑质量控制:对原材料质量、施工缝、配合比、搅拌运输(包括浇灌混凝土下料高度)、振捣、养护、拆模全过程有关人、机、料、法严格执行工程质量标准,重点控制现浇基混凝土、现浇梁柱,混凝土墙板等部位进行配合比抽查,施工旁站,督促混凝土试块的专人制作和见证管理。5 加强冬期对混凝土施工的监控,特别注意防冻剂的渗量,混凝土的保温措施,并严控拆模时间。5.4 预拌(商品)混凝土的监理实施细则1 审查预拌(商品)混凝土生产企业的《预拌(商品)混凝土生产企业资质证书》、《搅拌站生产准用证》和《上海市预拌(商品)混凝土质量监督证书》复印件。2 审查预拌(商品)混凝土提供商的混凝土配合比报告。3 润滑管壁用水泥浆或水泥砂浆不得集中浇筑在同一处,应分散布料。4 混凝土泵送应连续进行,如必须中断时,其中断时间不得超过从搅拌至浇筑完毕所允许的延续时间,且不得超过混凝土的初凝时间。5 根据法律规范要求,对混凝土塌落度的测定和试块的制作进行见证。6 预拌(商品)混凝土的施工操作及验收参照自拌混凝土执行。7.5 施工阶段进度控制工作流程 申 否 报 可建设单位 确定工程总工期目标施工单位 在开工前提交施工组织设计及施工进度计划监理工程师审核 以 申 否 报 可 以 否 可 以四、监理工作依据 1. 《工程建设监理法律规范》(GB50319-2000);2. 本工程委托监理合同;3. 本工程施工承包合同;4. 本工程的设计施工图、设计说明书和设计变更;5. 《城市道路照明工程施工及验收规程》6. 《混凝土结构工程施工及验收法律规范》;7. 《砌体结构工程施工及验收法律规范》;8. 《建筑安装工程质量检验评定标准》;9. 《广东省消除建筑安装工程质量通病的约干规定》;实施过程分阶段提交详细计划和变更计划监理工程师 审核实 施监理工程师对实际进度与计划进度进行比较按 计 ...

1、当您付费下载文档后,您只拥有了使用权限,并不意味着购买了版权,文档只能用于自身使用,不得用于其他商业用途(如 [转卖]进行直接盈利或[编辑后售卖]进行间接盈利)。
2、本站所有内容均由合作方或网友上传,本站不对文档的完整性、权威性及其观点立场正确性做任何保证或承诺!文档内容仅供研究参考,付费前请自行鉴别。
3、如文档内容存在违规,或者侵犯商业秘密、侵犯著作权等,请点击“违规举报”。

碎片内容

混凝土监理实施细则

确认删除?
VIP
微信客服
  • 扫码咨询
会员Q群
  • 会员专属群点击这里加入QQ群
客服邮箱
回到顶部