电脑桌面
添加小米粒文库到电脑桌面
安装后可以在桌面快捷访问

瓷柱瓷瓶配线工艺标准

瓷柱瓷瓶配线工艺标准_第1页
1/6
瓷柱瓷瓶配线工艺标准_第2页
2/6
瓷柱瓷瓶配线工艺标准_第3页
3/6
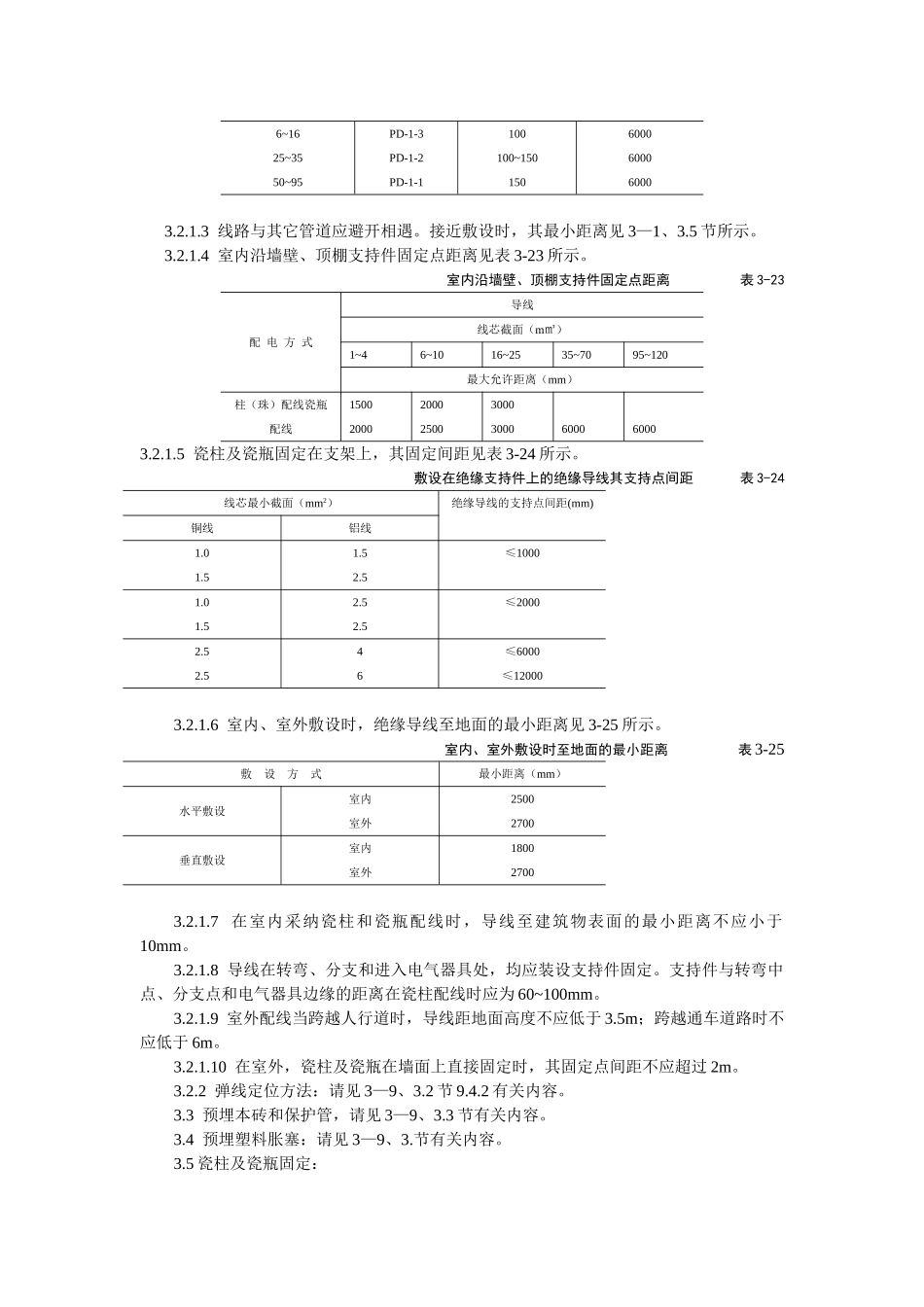
瓷柱、瓷瓶配线工艺标准 1 范围 本工艺标准适用于电气照明室内、室外的瓷柱瓷瓶明配线工程。2 施工准备2.1 材料要求:2.1.1 绝缘导线的规格、型号必须符合设计要求,并有出厂合格证。2.1.2 瓷柱、瓷瓶应清洁完整,无残缺裂纹。2.1.3 螺旋接线钮应根据导线截面和导线的根数选择相应型号的加强型绝缘钢壳螺旋接线钮。2.1.4 LC 安全型压线帽请见 3—8、3.8 节有关部分。2.1.5 套管有铜套管、铝套管及铜铝过渡套管三种,选用时应采纳与导线材质规格相应的套管。2.1.6 接线端子选用时应根据导线的根数和总截面选择相应规格的接线端子。2.1.7 镀锌材料:圆钢、扁钢、木螺丝、机螺丝、螺母、垫圈、和弹簧垫圈等。2.1.8 辅助材料:钻头、防锈漆、调合漆、绑线、砂布、橡胶(粘塑料)绝缘带、黑胶布、焊锡、焊剂、木砖等。2.2 主要机具:2.2.1 铅笔、卷尺、线坠、粉线袋、水桶、钢丝刷。2.2.2 常用电工工具:电烙铁、喷灯、锡锅、锡勺、手锤、錾子。2.2.3 手电钻、冲击站、电锤、兆欧表、万用表、工具袋、工具箱、高凳。2.3 作业条件:2.3.1 在土建结构施工阶段,应按设计图尺寸位置预埋木砖和过墙管。2.3.2 待内装修全部完成后,方可进行配线。3 操作工艺3.1 工艺流程: 3.2 弹线定位:3.2.1 弹线定位应符合以下规定:3.2.1.1 瓷柱配线时,导线线间最小距离及固定点最大距离见表 3-21 所示。瓷柱(珠)配线的线间及固定点间的允许距离(mm)表 3-21导线截面(mm2)瓷柱型号线间最小距离固定点最大间距1.5~46~10G38(296#)G50(294#)1001001200~15001500~2500 3.2.1.2 瓷瓶配线时,导线线间最小距离及固定点间最大距离见表 3-22 所示。瓷瓶配线的线间及固定点间的允许距离(mm)表 3-22导线截面(mm2)瓷瓶型号线间最小距离固定点最大间距预埋木砖和保护管预埋塑料胀管线 路 检查 绝 缘摇测6~1625~3550~95PD-1-3PD-1-2PD-1-1100100~150150600060006000 3.2.1.3 线路与其它管道应避开相遇。接近敷设时,其最小距离见 3—1、3.5 节所示。3.2.1.4 室内沿墙壁、顶棚支持件固定点距离见表 3-23 所示。室内沿墙壁、顶棚支持件固定点距离表 3-23配 电 方 式导线线芯截面(m㎡)1~46~1016~2535~7095~120最大允许距离(mm)柱(珠)配线瓷瓶配线150020002000250030003000 6000 60003.2.1.5 瓷柱及瓷瓶固定在支架上,其固定间距见表 3-24 所示。敷设在绝缘支持件上的绝缘导线其支持点间距表 3-24线芯最小...

1、当您付费下载文档后,您只拥有了使用权限,并不意味着购买了版权,文档只能用于自身使用,不得用于其他商业用途(如 [转卖]进行直接盈利或[编辑后售卖]进行间接盈利)。
2、本站所有内容均由合作方或网友上传,本站不对文档的完整性、权威性及其观点立场正确性做任何保证或承诺!文档内容仅供研究参考,付费前请自行鉴别。
3、如文档内容存在违规,或者侵犯商业秘密、侵犯著作权等,请点击“违规举报”。

碎片内容

瓷柱瓷瓶配线工艺标准

确认删除?
VIP
微信客服
  • 扫码咨询
会员Q群
  • 会员专属群点击这里加入QQ群
客服邮箱
回到顶部